时间:2023-03-22 09:41
人气:
作者:admin
AFE031是一款应用于电力线通信的模拟前端器件,可以作为电力线通信系统的收发器。本文将从AFE031应用背景、基本框架及系统设计三个方面进行介绍。
一. 应用背景
电力线通信(Power Line Communication, PLC)是一种利用电力线进行数据信息传输的通信技术,其基本系统框图如图1所示。数字信号经调制后以载波形式发送,再经PLC收发器进行调理后,加载到电力线上进行传输,而接收则是一个反向过程。SunSpec快速关断协议是专门针对光伏系统快速关断功能制定的PLC协议。SunSpec规定,调制方法采用B-FSK(二进制频移键控),B-FSK调制原理如图2所示,SunSpec指定的两种载波频率分别为fm=131.25kHz,fs=143.75kHz,处于窄带通信的CENELEC B/C/D频段中。另外,SunSpec指定发送的两类有效指令包括了关断指令及正常工作指令,一个指令的完整发送周期为1070.08ms。详细的FSK原理介绍及SunSpec通信参数规定请看TIDA-060001。

图1. PLC系统框图

图2. FSK调制原理
PLC的收发器由模拟前端器件构成,该环节对MCU发送的数字信号或从电力线接收到的载波信号进行调理,从而保证信号能准确、有效、可靠地在电力线上进行传输。而AFE031正是一款优质的PLC模拟前端器件,可用于构建支持SunSpec等协议的PLC系统,其与MCU的接口也如图1所示。
二. AFE031基本概述
AFE031内部高度集成,图3是AFE031的功能框图,其中,红圈标示了PLC的Tx模块,蓝圈标示了PLC的Rx模块,另外,紫圈标示了其他辅助功能模块,内部资源丰富。
Tx模块负责对发送路径信号进行处理,其包含数模转换器DAC、增益可调放大器Tx_PGA、带宽可调低通滤波器Tx_Filter以及功率放大器PA。在Tx模块内,待发送信号被放大和滤波后送入功率放大器PA,PA以6.5V/V的固定增益进一步将信号放大后输出,驱动负载。
Rx模块负责对接收路径信号进行处理,接收路径上的环节依次是增益可调放大器Rx_PGA1、带宽可调低通滤波器Rx_Filter 、可调增益放大器Rx_PGA2。接收信号经过放大、滤波处理后送入MCU的ADC以还原数字信号。
MCU经SPI接口可对AFE031寄存器进行配置从而改变Tx模块及Rx模块的放大器及滤波器参数,针对SunSpec应用,Tx和Rx的滤波器可设置为CENELEC B/C/D档,对应截止频率为145kHz。更多MCU与AFE031接口方式及调参方法请浏览SBOA130A及TIDA-060001。
AFE031的优势可以总结如下:支持包括SunSpec在内的多种协议;供电PA_Vs范围大,为7-24V;输出电流可达1.5A;接收灵敏性好,可检测到低至20 μVRMS信号;高度集成,资源丰富;配置灵活。
以上对AFE031基本框架、主要模块功能作用以及优势做了一个基本的介绍,关于各模块参数值、工作原理、寄存器配置的详细介绍请参考AFE031数据手册。

图3. AFE031功能框图
三. 基于AFE031的SunSpec PLC系统设计要点
构建基于AFE031的SunSpec PLC系统有几个部分要重点考虑: Tx路径、Rx路径、电力线耦合电路、保护电路,下面将分别对这几个部分的外围电路设计要点进行介绍。
(1)Tx路径
AFE031支持两种Tx模式,分别是DAC模式和PWM模式,两者的连接方式及外围电路设计都有所差异,如图4(a)和图4(b)所示。

图4. Tx路径. (a) DAC 模式,(b)PWM模式
两种模式都需设置PA输入端交流耦合电容CIN以及PA限流值设置电阻RSET。而CIN作为高通滤波器,其取值决定于用户需要的截止频率fHP。SunSpec的较低频率fm=131.25kHz,为预留一定裕量,应设置fHP应小于fm,CIN的计算公式为:

(1)
而RSET串接于PA_ISET引脚,RSET与限流值ILIM的关系式为:

(2)
两种模式的区别在于,DAC模式下,MCU会通过快速中断给AFE031发送正弦波离散值,虽然该过程会占用较多CPU资源,但传送信号经DAC转换后,谐波含量很小,无需设置太多外围滤波器;而PWM模式下,MCU直接通过外设ePWM给AFE031发送PWM波,这种模式下,MCU的配置很简单,但信号的谐波含量较大,需要设置外围滤波器,如图4(b)所示的RC低通滤波器Fd1和Fd2,可加强滤除PWM波的高次谐波。RC低通滤波器推荐使用电阻Rd为510Ω,截止频率为fL,fL应大于待传送信号频率。而SunSpec协议的最大载波频率为fs=143.75kHz,所以fL应大于fs,对应的Cd1和Cd2的设置可参考以下公式:

(3)
(2)Rx路径
Rx路径如图5所示,Rx路径上,接收信号先后经过外围带通滤波器F1及AFE031内部Rx模块。
由于电力线工作环境复杂, AFE031接收到的信号可能含有各种干扰,因此,有必要为Rx路径设置一个外围的带通滤波器F1,F1是四阶带通滤波器,其设计可遵循以下原则:首先选定滤波器特征阻抗Zc,该值与传输线阻抗匹配,对于PLC应用,可设定为1kΩ;然后确定电阻大小,两电阻R1、R2起到分压作用,当选择R1=R2=Zc,信号有-6dB的衰减,若选择R1=Zc,R2=10Zc,则信号有接近0dB的增益;最后可按照以下公式确定剩下的LC参数:

(4)
其中f1是带通滤波器的低频截止频率,f2是带通滤波器的高频截止频率,针对SunSpec的应用,f1应小于fm,f2应大于fs。比如可选择C1=1.7nF,C2=1nF,L1=1.2mH,L2=1.5mH。
此外应注意的是,Rx_Filter是一个单位增益四阶低通滤波器,需要依靠两个外部辅助电容来正确配置滤波器,对于SunSpec所处的CENELEC B/C/D频段,两电容设置分别是CR1=270pF,CR2=560pF。

图5. Rx路径
(3)电力线耦合电路
电力线耦合电路用于连接AFE031与电力线,使得信号能在两者之间交互。交流电力线与直流电力线的耦合电路会有所区别,需分别介绍。
a. 交流应用
对于交流应用,电力线耦合电路如图6所示,包含低压侧电容CLV、变压器T、高压侧电容CHV,以及高压侧电感LHV。其中CLV的作用主要是隔绝低压侧偏置直流电压,该电容应对高频信号呈现低阻抗,常用10μF电容,其耐压值应大于稍后介绍的TVS钳位电压值。而CHV与变压器T绕组电感构成分压器,CHV承受低频交流大电压VAC,而高频信号经变压器耦合到低压侧。CHV的大小要根据无功功率限值VAlimit来设定:

(8)
其中fP为工频,CHV的耐压值应高于电力线电压。但根据VAlimit设置的CHV可能带来较大的阻抗,从而导致驱动负载的能力不足,所以需要辅以LHV维持电力线路低阻抗,对于SunSpec,可以认为两载波频率fm和fs的中心频率为fb=137.5kHz,从而可以确定LHV的取值:

(9)
至于变压器T的匝数比取值,可以根据负载获得PA最大输出功率的需求进行匹配。假设VPA_out_peak和IPA_out_peak分别是PA输出最大电压和电流,高压侧等效负载为Rload,变比可参考下式:

(10)

图6. 交流耦合电路
b. 直流应用
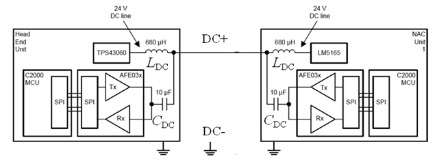
在低压直流应用中,可以不需要变压器,仅以电容CDC耦合电力线与模拟前端电路,如图7所示,直流母线电压为TPS43060生成的24V,而耦合电容CDC常取为10uF,其额定电压需大于直流母线电压。另外,由于直流线路为低阻抗线路,且TPS43060输出端对于高频信号也呈低阻抗,PA输出信号可能会从直流线路进入直流电源然后被拉低,从而极大影响PA输出摆幅,因此需要在电源侧串联电感LDC以提高电源输出阻抗,如图中的680uH,对SunSpec中心频率的阻抗达到587Ω。需注意的是,此处为低压直流场合,基于电容耦合,电力线侧的地可与AFE031的地相接。
若应用于高压直流场合,应避免两地直接相连,须重新采用变压器进行隔离耦合,可参考图8所示的EVM板Boost-AFE031框图。

图7. 低压直流耦合电路

图8. 通用直流耦合电路
(4)保护电路
下面以直流应用的保护电路为例进行说明。直流应用的保护电路如图9所示。其中TVS管是瞬态二极管,防止瞬间大电压损坏AFE031,TVS的钳位电压应稍大于PA_Vs/2,要在确保不误触发的前提下提高保护的可靠性。肖特基二极管D1-D2的作用是抑制持续过电压对AFE01的影响。而由于D1-D2具有结电容,结电容的不平衡将导致直流偏压不能维持在PA_Vs/2,分压器Rb1-Rb2的作用正是要改善这种情况,使PA输出有正确的直流偏置。稳压管Z的作用是稳定AFE031的PA供电电压PA_Vs。Lo-Co-Ro组合作为一个额外的噪声或振铃吸收器,选取的经验值为Ro=4.7Ω,Co=1nF,Lo=1mH。

图9. 保护电路
四. 测试结果及总结
基于AFE031构建SunSpec PLC系统进行测试验证,图10和图11分别是指令传输波形以及发送不同载波时对应的波形频谱。可见该系统能顺利执行SunSpec PLC通信功能,而且谐波含量少,确保了PLC通信的可靠性。
AFE031作为一款PLC模拟前端器件,支持包括SunSpec在内的多种PLC协议,能方便地实现可靠的PLC通信功能。其优势还在于有较大的供电电压范围、较大输出电流、可检测低至20μVrms信号的接收灵敏性。在系统设计时,可根据选定的通信方式,通过SPI接口配置AFE031寄存器,并相应地取定外围滤波器参数,最后加上电力线耦合电路以及必要的保护电路即可完成系统构建。

图10. 传输波形实验结果

图11. (a) fm载波频谱,(b)fs载波频谱
审核编辑:郭婷
上一篇:变频器通讯电路原理详解