时间:2023-03-22 14:24
人气:
作者:admin
1.PLC系统图

2.PLC控制伺服回原点工作原理

3.PNP光电开关与PLC的接线方法

4.电磁阀介绍

5.变频器的常用符号

6.变频器工频与变频切换电路

7.继电器与PLC延时启动对比


8.电气图纸常见元件符号

9.PLC的数据传送,FMOV和BMOV

10.交流接触器如何选型号

11.八个PLC编程基础指令

12.RS232、RS422和RS485的区别

13.变频器控制端子符号含义

14.电缆线号标记,控制线、电动机、电位器、温度传感器和电磁阀

15.PLC编程的基本指令

16.PLC漏型和源型的输入接线


17.电机正反转加互锁接线方法

18.编码器和PLC之间的接线

19.电机铭牌上型号的含义

20.电磁接触器热保护介绍

21.自耦降压启动主回路

22.变频器常见故障代码含义

23.编码器基本参数

24.RS232串口引脚定义

26.电工必须要知道的8大公式

27.色环电阻口诀

28.相对定位和绝对定位的区别

29.中间继电器8脚底座的接线方法

30.三菱PLC的常用编程示例





31.PLC自锁逻辑

32.自锁互锁与联锁的区别

33.二进制计算方法

34.电工必备到位换算总结

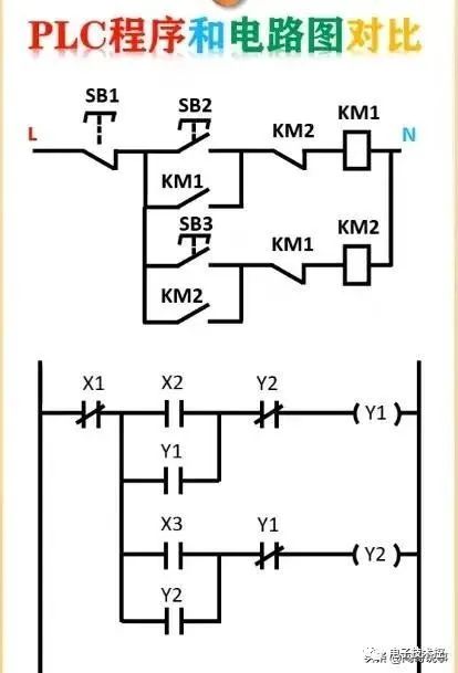
35.PLC程序与电路图对比

36.三菱PLC编程常用的特殊辅助继电器

37.三菱PLC的特殊时间继电器

38.常用电缆安全载流量


39.设备催款PLC示例程序

40.PLC的编程功能软元件

41.PNP与NPN的区别

42.变频器接线方法

编辑:黄飞
上一篇:异步电机转差率
下一篇:直流电机型号参数大全