时间:2023-03-20 10:40
人气:
作者:admin
一.气路回路设计(初级)

01
认识气源处理以及附件

02 控制机构及控制方法


其他逻辑阀


二. 气动回路分类
一、基础回路
1.单作用气缸的控制回路

2.双作用气缸的控制回路
两位五通单电控:断电自动复位

两位五通双电控:具有断电记忆功能

三位五通中封式:可用于中位停止,断电保护回路。
但是电磁阀有一定的泄漏量,所以中封式电磁阀不能长时间用作中间停止和断电保护回路。

三位五通中压式:可用于中位停止,断电保护回路
无杆侧活塞面积A1和有杆侧活塞面积A2不一样大,所以两边的受力是不同的,活塞会缓慢伸出。

三位五通中压式:不可用于中位停止
当电磁阀断电后,气缸活塞两边的压缩空气会排出,活塞杆可任意推动。

二、压力
1.双压力控制回路:
在气动系统中,有时需要提供两种不同的压力,来驱动双作用气缸在不同方向上的运动。

2.多级压力控制回路:
在一些场合,需要根据工件重量的不同,设定低、中、高三种平衡压力。


三、多点位控制回路
1.用多位气缸定位
精度高,但只能做到3点定位

2.用中封式电磁阀做多点定位。
成本低,但精度不高。

3.用带锁气缸做多点定位
安全稳定,且精度高。
二位三通电磁阀SD3失电,带锁气缸锁紧制动;得电,制动解除

四、速度控制回路

1.利用快速排气阀,减少排气背压,实现高速往返

2.利用高低速两个节流阀实现高低速切换
图中节流阀S1调节为高速,节流阀S2调节为低速

五、同步控制回路
1.利用节流阀使流入和流出执行机构的流量保持一致

2.通过外部硬性连接达到同步

3.用气液转换缸达到同步的回路

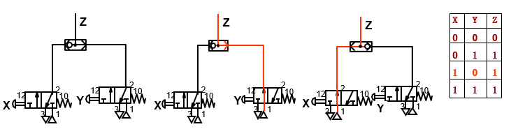
六、气动逻辑控制回路
1.“与”回路

2.“非”回路

3.“或”回路

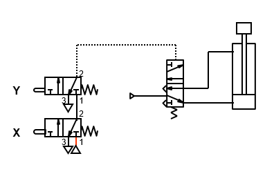
七、其他控制回路
防止气缸快速伸出

双手操作回路

防止回落回路

防止回落回路

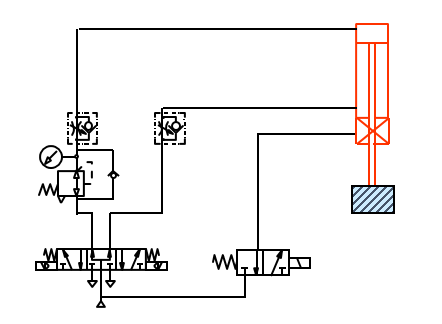
题目:垂直门的全气控回路?


1.工人按住按钮A时,气缸缩回,将门打开,门在上升过程中,如果松开按钮,门会停在当前位置:

2.工人按住按钮B时,气缸伸出,将门关闭,门在下降过程中,如果松开按钮,门会停在当前位置;


编辑:黄飞