时间:2023-03-13 18:15
人气:
作者:admin
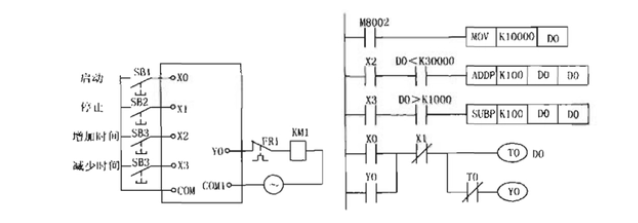
今天介绍的案例:控制一台电动机,按下启动按钮,电动机运行一段时间自行停止;按下停止按钮,电动机立即停止。运行时间用两个按钮来调整,时间调整间距为10s,初始设定时间为1000s,最小设定时间为100s,最大设定时间为3000s。
都是特殊的辅助继电器 FX系列特殊辅助继电器,地址编号为:M8000~M8255,共255点
M8000、M8001:运行监视继电器
M8002、M8003:初始脉冲继电器,通常用M8002作初始信号
M8005锂电池电压过低继电器
M8011~M8014:内部时钟脉冲,PLC通电时,分别产生周期为10ms、100ms、1s、1min的脉冲信号,这些时钟脉冲与PLC是否投入运行无关
M8020~M8022:运算结果标志,当加减运算结果等于零时,M8020接通;减法有借位时,M8021接通;加法有进位时,M8022接通
M8034:全部输出禁止继电器
M8040:禁止状态转移
M8033:停止时保持输出继电器
M8030:电池灭灯
M8039:恒定扫描,接通时,PLC以D8039中的内容为扫描周期运行程序。

我们现在利用时间继电器来进行调整电机启停的时间,设计一款调整时间的时间继电器对我们来说使用PLC是非常多的方法。
思考一下,可以还需要用那些方式来控制系统的启停,现在我们看到的这种方式是利用时间继电器来完成的。
下一篇:温度变送器和温度传感器的区别