时间:2023-03-14 10:15
人气:
作者:admin
PLC在工控和配电系统中的运用十分广泛,从简单的电机控制,到复杂的过程控制DCS系统和电力监控SCADA,都用到PLC。今天小编给大家收集了四个PLC程序实例讲解!个个都很经典!通俗易懂!学会公司横着走!
•PLC实例 - 交通信号灯•
1、交通信号灯控制PLC配置示意图

2、交通信号灯系统正常工作时序图

3、实现主干道信号灯控制的梯形图



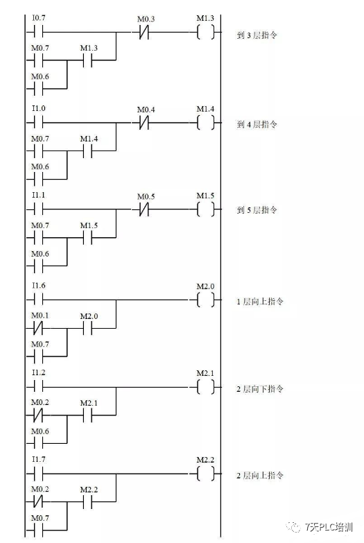
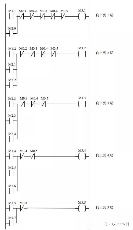
•PLC实例 - 五层电梯控制•
1、五层电梯控制PLC配置图

2、实现五层电梯换向和换速控制的梯形图







•PLC实例 - 星三角降压启动•
1、星—角降压启动电机控制原理图

2、电机控制PLC配置图

3、实现电机控制的梯形图


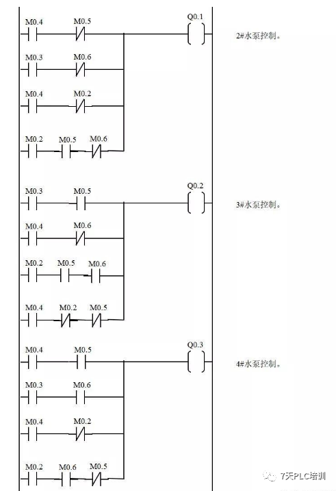
•PLC实例 - 恒压供水•
1、恒压供水控制PLC配置图

2、恒压供水系统控制梯形图




审核编辑:汤梓红
上一篇:电动机运行时三相电流不平衡的原因