时间:2023-03-14 15:43
人气:
作者:admin
三相异步电动机正反转工作原理
三相异步电动机的正反转工作原理是通过改变电动机的线圈接线方式实现的。在三相异步电动机中,电动机的三个线圈称为A、B、C相,它们互相之间呈120度的电位差,电动机正常运行时,三相电源的三根导线接到电动机的三个相上,即A、B、C相,此时电动机的旋转方向是由导线的相对位置和电流的相对方向决定的。
要实现三相异步电动机的正反转,需要将任意两个相的接线位置进行互换,这样电动机的旋转方向就会反转。具体来说,如果将A、B两相的接线位置互换,那么电动机就会发生反转,此时电流的相对方向和线圈的相对位置都会发生变化,导致电动机旋转方向反转。
在实际的电路中,可以通过使用一个正反转开关或者一个继电器来控制电动机的正反转。当需要电动机正转时,正反转开关或继电器将A、B、C相连接到电源上;当需要电动机反转时,开关或继电器将A、C相和B、C相互换位置连接到电源上,这样就可以实现电动机的正反转。
三相异步电动机正反转控制电路图
1、正反转的电气原理
在电机内部有一个由发动机带动的转子(旋转磁场),磁场外有一个子绕组,绕组有3组线圈(三相绕组),三相绕组彼此相隔120°电角。
当转子旋转时,旋转磁场使固定的定子绕组切割磁力线(或使电动势绕组中通过的磁通量发生变化)而产生电动线圈所能产生的电动势的大小,和线圈通量的强弱、磁极的旋转速度成正比。
2、注意事项
实现三相异步电动机的正反转控制,将其电源的相序中任意两相对调即可(称为换相),通常是V相不变,将U相与W相对调,为保证两个接触器动作时能够可靠调换电动机的相序,接线时应使接触器的上口接线保持一致,在接触器的下口调相。
将两相相序对调,须确保二个KM线圈不能同时得电,否则会发生严重的相间短路故障,因此必须采取联锁。
3、安全措施
为安全起见,常采用按钮联锁(机械)与接触器联锁(电气)的双重联锁正反转控制线路,如下图:

以上电路使用了按钮联锁,即使同时按下正反转按钮,调相用的两接触器也不可能同时得电,机械上避免了相间短路。
二、三相异步电动机实现正反转控制的过程
三相异步电动机的正反转控制过程中,将三相电源中的一相不变,任意两相对调即可(称为换相,正转为:A B C三相 ; 反转则:A相不变,将B相与C相对调),在电动机拖动控制系统中为了保证两个接触器动作时能够可靠调换电动机的相序,接线时应使接触器的进接线保持一致,在接触器的出线调相。
由于将两相相序对调,须确保两个接触器(KM)线圈不能同时得电,否则会发生严重的相间短路故障,因此必须采取联锁。
在电路中还要安装热继电器(FR),起到过流保护作用。
如图:

正转:——按下SB2——KM1线圈的电——KM1主触头闭合——电动机正转运行 ——KM1辅助常开闭合自锁 ——KM1辅助常闭断开互锁。
停车:按下SB1——KM1线圈断电——KM1主触头断开——电动机惯性停车 ——KM1辅助常开断开解除自锁 ——KM1辅助常闭闭合解除互锁。
反转:——按下SB3——KM2线圈的电——KM2主触头闭合——电动机反转运行 ——KM2辅助常开闭合自锁 ——KM2辅助常闭断开互锁。
停车:按下SB1——KM2线圈断电——KM2主触头断开——电动机惯性停车 ——KM2辅助常开断开解除自锁 ——KM2辅助常闭闭合解除互锁。
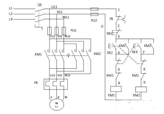
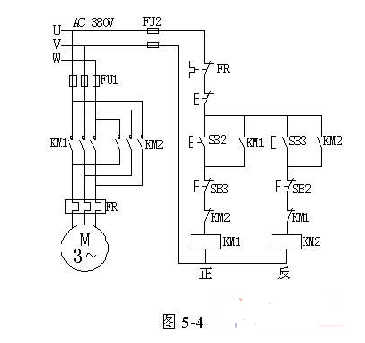
附1,三相异步电动机正反转的原理图二例。
图1,

三相电机正反转电路图。QS为断路器,KM1正转接触器,KM2反转接触器,FR热继电器,SB1停止按钮,SB2正转启动按钮,SB3反转启动按钮。
图2,

为带电部分标成红色,没合断路器QS之前,只有断路器上火带电。
以上就是三相异步电动机正反转控制的电气原理,实现电机的正反转控制,重点是将相序中任意两相对调。
三相异步电动机正反转接线图讲解
三相异步电动机绕组出来的六根线可以分为两种最基本的接法:三角形△接法和星形接法。
六根线=三个电机绕组=三个首端+三个尾端,万用表测量同绕组首尾端相通,即:U1—U2,V1—V2,W1—W2。

1、三相异步电机三角形△接法。
三角形△接法就是将三个绕组首尾端依次相连,构成三角形,如图所示:

2、三相异步电动机的星形接法
星形接法就是将三个绕组的尾端或者首端相连,另外三根线作为电源接线。如图所示接法:

3、三相异步电动机既可以做星形接法,也可以做三角形△接法,电机端盖接线图或者电机铭牌会有说明。
三相异步电动机接线图之图文讲解
相电动机接线盒 三相异步电动机y接时,接线盒里,连接片的连接方式 三相异步电动机角接时,接线盒连接片的连接方式 学习三相异步电动机的两种接法。。

三相电动机接线盒
三相异步电动机y接时,接线盒里,连接片的连接方式

三相异步电动机角接时,接线盒连接片的连接方式

三相异步电动机的两种解法:星型接法和三角解法。
三角接法
在承受相同电压及相同线径的绕组线圈中,星型接法比三角型接法每相匝数少根号3倍(1.732倍),功率也小根号3倍。成品电机的接法已固定为承受电压380V,一般不适宜更改。只有三相电压级别与正常380V不同时才改变接法,如三相电压220V级别时,原三相电压380V星型接法改为三角型接法就能适用;如三相电压660V级别时,原三相电压380V三角型接法改为星型接法就能适用,其功率不变。一般小功率电机是星型接法,大功率的是三角接法。
额定电压下,应该使用三角形连接的电动机,如果改成星形连接,则属于降压运行,电动机功率减小,启动电流也减少。额定电压下,应该使用星形连接的电动机,是不允许的。大功率电机(三角型接法)起动时的电流很大,为了减少起动电流对线路的冲击,一般采用降压起动,原三角型接法运行改为星型接法起动就是其中一种方法,星型接法起动后转换回三角型接法运行。
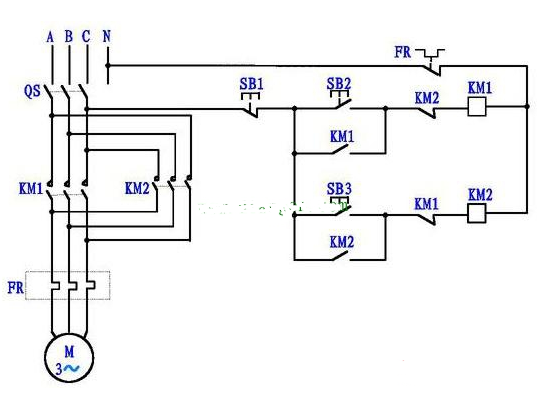
三相异步电动机接线图-正反转接线实图
三相异步电动机正反转接线实物图:

电机要实现正反转控制,将其电源的相序中任意两相对调即可(我们称为换相),通常是V相不变,将U相与W相对调节器,为了保证两个接触器动作时能够可靠调换电动机的相序,接线时应使接触器的上口接线保持一致,在接触器的下口调相。由于将两相相序对调,故须确保二个KM线圈不能同时得电,否则会发生严重的相间短路故障,因此必须采取联锁。
为安全起见,常采用按钮联锁(机械)与接触器联锁(电气)的双重联锁正反转控制线路(如下图所示);使用了按钮联锁,即使同时按下正反转按钮,调相用的两接触器也不可能同时得电,机械上避免了相间短路。另外,由于应用的接触器联锁,所以只要其中一个接触器得电,其长闭触点就不会闭合,这样在机械、电气双重联锁的应用下,电机的供电系统不可能相间短路,有效地保护了电机,同时也避免在调相时相间短路造成事故,烧坏接触器。

图中主回路采用两个接触器,即正转接触器KM1和反转接触器KM2。当接触器KM1的三对主触头接通时,三相电源的相序按U―V―W接入电动机。当接触器KM1的三对主触头断开,接触器KM2的三对主触头接通时,三相电源的相序按W―V―U接入电动机,电动机就向相反方向转动。电路要求接触器KM1和接触器KM2不能同时接通电源,否则它们的主触头将同时闭合,造成U、W两相电源短路。为此在KM1和KM2线圈各自支路中相互串联对方的一对辅助常闭触头,以保证接触器KM1和KM2不会同时接通电源,KM1和KM2的这两对辅助常闭触头在线路中所起的作用称为联锁或互锁作用,这两正向启动过程对辅助常闭触头就叫联锁或互锁触头。