全球最实用的IT互联网信息网站!

AI人工智能P2P分享&下载搜索网页发布信息网站地图

当前位置:诺佳网 > 电子/半导体 > 工业控制 >

压力表分为几种_压力表符号

时间:2023-03-14 16:52

人气:

作者:admin

标签: 量程  压力表 

导读:压力表分为几种_压力表符号-认识压力表主要可以从以下几个方面入手: 结构组成:压力表通常由压力测量元件、指针、刻度盘、外壳等部分组成。不同类型的压力表可能还会包括防护...

  怎样认识压力表

  认识压力表主要可以从以下几个方面入手:

  结构组成:压力表通常由压力测量元件、指针、刻度盘、外壳等部分组成。不同类型的压力表可能还会包括防护装置、调整装置、密封件等部分。

  量程范围:压力表的量程范围一般会标注在刻度盘上,需要根据实际需要选择相应的量程范围。如果需要测量的压力超出了压力表的量程范围,则会导致压力表失效或损坏。

  精度等级:压力表的精度等级通常会标注在压力表上或者相关的规格书中,需要根据实际需要选择相应的精度等级。通常情况下,精度等级越高的压力表准确度越高,但价格也越高。

  应用环境:不同类型的压力表适用于不同的应用环境,例如普通型压力表适用于一般的工业环境,而防爆型压力表适用于易爆场合。需要根据实际应用环境选择合适的压力表类型。

  安装方式:压力表的安装方式一般分为直接连接式和分离式,需要根据实际安装环境和条件选择合适的安装方式。

  总之,认识压力表需要了解其结构组成、量程范围、精度等级、应用环境和安装方式等方面的信息,以便选择和使用合适的压力表。

  压力表分为几种

  压力表可以根据不同的分类标准进行划分,下面是常见的几种分类方式:

  指针式压力表和数字式压力表:按照显示方式来划分,指针式压力表采用指针和刻度盘来显示压力,数字式压力表采用数字显示屏来显示压力。

  橡胶套压力表、液体封闭式压力表和膜片式压力表:按照测量元件来划分,橡胶套压力表采用弹性变形的橡胶套来感应压力变化,液体封闭式压力表采用液体的体积变化来感应压力变化,膜片式压力表则采用金属膜片来感应压力变化。

  直接连接式压力表和分离式压力表:按照压力表与被测介质的连接方式来划分,直接连接式压力表和被测介质直接相连,而分离式压力表与被测介质通过管路连接。

  普通型压力表、防爆型压力表、高温型压力表等:按照使用场合和环境要求来划分,不同的压力表针对不同的使用场合和环境要求具有不同的特点和优势。

  总之,压力表的分类方式较多,我们在选购压力表时应根据实际需要选择合适的压力表类型。

  压力表符号

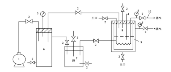
  一个圆圈,圆圈里向右上角(45度)画一个箭头。如图片里的3和5号符号即是压力符号。

poYBAGQQNYqAWp3sAABymik-xss483.png

  压力表读数单位符号:在压力表上会标注所采用的压力单位,常见的有MPa(兆帕)、kPa(千帕)、bar(巴)、psi(磅力/平方英寸)等。在读取压力表时,需要注意采用的单位。

  压力表精度等级符号:压力表的精度等级通常标注在压力表上,例如0.5级、1.0级等,表示压力表的测量误差范围。

  压力表使用环境符号:一些压力表上会标注其适用的环境条件,例如最大使用温度、湿度等信息。

  压力表安全阀符号:一些高精度的压力表上可能配备有安全阀,以防止过高的压力对仪器造成损坏,安全阀符号可以表示该装置的位置和功能。

  总之,在使用压力表时需要对压力表的各种符号有充分的了解和认识,以确保正确、安全地进行压力测试工作。

温馨提示:以上内容整理于网络,仅供参考,如果对您有帮助,留下您的阅读感言吧!
相关阅读
本类排行
相关标签
本类推荐

CPU | 内存 | 硬盘 | 显卡 | 显示器 | 主板 | 电源 | 键鼠 | 网站地图

Copyright © 2025-2035 诺佳网 版权所有 备案号:赣ICP备2025066733号
本站资料均来源互联网收集整理,作品版权归作者所有,如果侵犯了您的版权,请跟我们联系。

关注微信