时间:2023-03-10 09:18
人气:
作者:admin
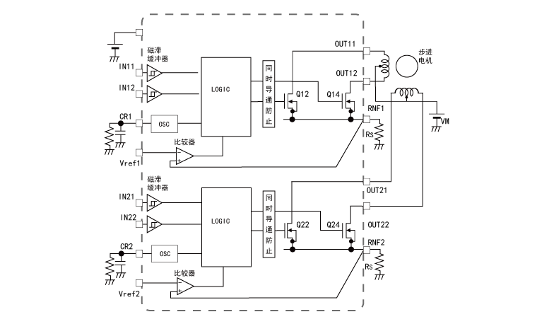
与两相双极步进电机的驱动电路相比,两相单极步进电机的驱动电路在输入段配置、内部逻辑及控制电路和驱动电路使用双通道方面基本相同,但是输出段的配置不同。两相双极步进电机使用双通道H桥来驱动,而两相单极步进电机则使用双通道的2个开关(MOSFET)来驱动。
在下面的电路图示例中,Q12和Q14、Q22和Q24是成对的。这是因为,只要使电流从提供给各线圈中心抽头的电源沿一定方向流动,就可以驱动两相单极步进电机。电流从中心抽头流向开关(MOSFET)处于导通状态的OUT引脚。

两相单极步进电机的驱动:
两相励磁PWM驱动波形
下面是两相单极步进电机的两相励磁PWM驱动波形示例。请看输入信号与输出电压/电流之间的关系。

应该注意的是,当驱动两相单极步进电机时,输出OFF时会产生瞬态电压;由于其结构上的原因,变压器耦合会产生反电动势。以OUT11和OUT12的电压波形为例,在OUT11关断的瞬间,会产生输出电压波动超过2×VM(供给中心抽头的电机电压电源)的瞬态电压,由于OUT12再生电流的变压器耦合而回落至2xVM。当OUT11关断时,由于OUT11的电流再生,OUT12波动到GND以下;当OUT11导通时,通过变压器耦合,OUT11的电流变为2×VM,并反复上述过程。因此,需要对电机驱动器的耐压进行考量。


审核编辑:郭婷
上一篇:浅谈电机在电路中的作用和分类
下一篇:PLC编程必须要注意的几个要点