时间:2023-03-10 15:20
人气:
作者:admin
电动机点动控制工作原理
点动控制是指按下按钮电动机得电起动运转,松开按钮电动机失电直至停转。
电动机点动控制是一种常见的电机起动方式,工作原理是控制电机的起始电压和电流,通过短时间内的高电流来帮助电机克服起动时的惯性负载。其步骤如下:
1. 按下点动按钮,控制电路向电机提供短暂的电压和电流。
2. 起始电压和电流通过一个瞬时器或计时器控制,通常持续几秒钟或更短时间。
3. 电机在起动阶段不断加速,直到达到正常工作转速时,控制电路自动切换为常规工作模式。
通过点动控制,可以减少电动机的起动电流,避免因惯性负载导致的电网电压波动和电机起动时的机械应力,保护电器设备,并延长电机的寿命。
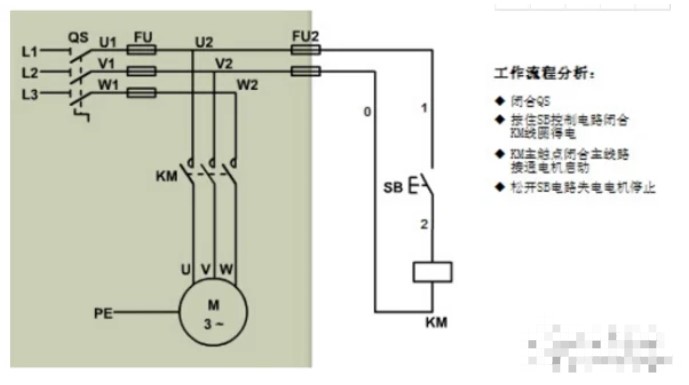
控制线路原理图如下所示:
工作原理:
启动:按下起动按钮SB→接触器KM线圈得电→KM主触头闭合→电动机M启动运行。
停止:松开按钮SB→接触器KM线圈失电→KM主触头断开→电动机M失电停转。

电动机点动控制的特点
电动机的控制方式有:
1.手动控制电路
2.点动控制电路
3.长动控制电路
4.点动与长动控制电路
5.正反转控制电路
每种控制方式各有特点和适用对象。
点动控制,是通过按钮开头进行电动机的启动和停止控制,利用接触器来实现电动机通断电工作。
这种控制方式常用于电动葫芦的起重电动机控制和车床拖板箱快速移动的电机控制。
优点:结构简单操作方便。
缺点:直接通过主电路操作,安全性低,且不适宜频繁启动和停止。
上一篇:三相感应电动机的启动与调速