时间:2023-03-10 15:50
人气:
作者:admin
一、西门子公司的变频器品种规格齐全。功率小到几百瓦,大到数千千瓦;功能从低端到高端;额定电压从低压、中压到高压;分交流变频器和直流变频器等。本章文以西门子公司的通用变频器MM440系列为例,介绍西门子变频器的使用。
(1)西门子MM440变频器西门子MM440变频器是通用型变频器,由微处理器控制,并采用绝缘栅双极型晶体管(IGBT)作为功率输出器件,它具有很高的运行可靠性和功能多样性。脉冲宽度调制的开关频率也是可选的,降低了电动机运行的噪声。
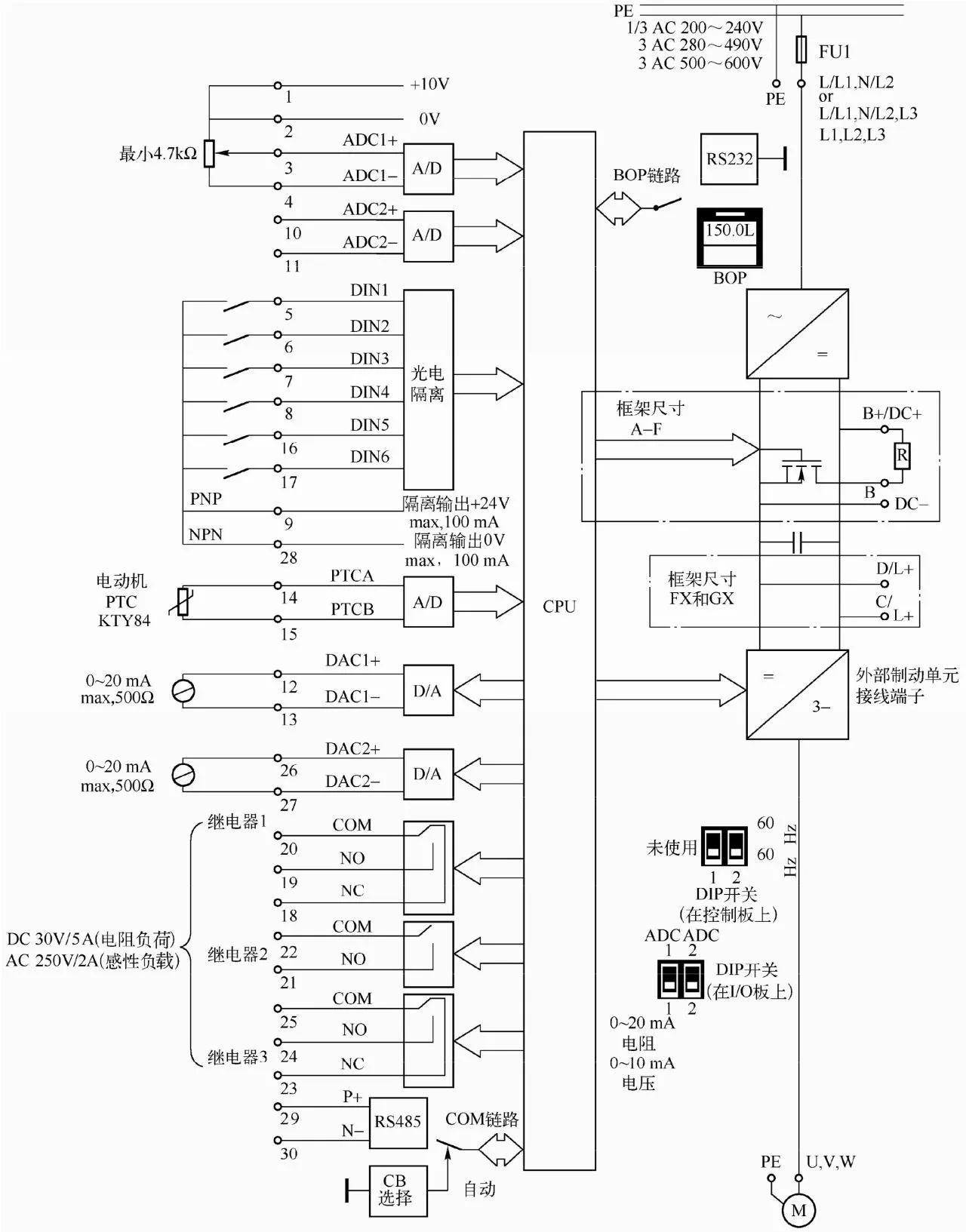
(2)西门子MM440变频器的接线MM440变频器的线路框图如图2-1所示,控制端子定义见表2-2。

MM440控制端子定义

MM440变频器的线路框图
MM440变频器的核心部件是CPU单元,根据设定的参数,经过运算输出控制正弦波信号,再经过SPWM调制,放大输出正弦交流电驱动三相异步电动机运转。
二、西门子MM440变频器的参数设置
(1)BOP基本操作面板的功能MM440变频器是一个智能化的数字变频器,在基本操作板上可进行参数设置,参数可分为四个级别。
①标准级,可以访问经常使用的参数。
②扩展级,允许扩展访问参数范围,例如变频器的I/O功能。
③专家级,只供专家使用,即高级用户。
④维修级,只供授权的维修人员使用,具有密码保护。
【关键点】 一般的用户,将变频器设置成标准级或者扩展级即可。BOP基本操作面板的外形如图4-3所示,利用基本操作面板可以改变变频器的参数。BOP具有7段显示的5位数字,可以显示参数的序号和数值、报警和故障信息以及设定值和实际值。参数的信息不能用BOP存储。BOP基本操作面板上的按钮功能见表2-3。

BOP基本操作面板的

BOP基本操作面板上的按钮功能
(2)BOP基本操作面板的使用举例
举例:将参数P1000的第0组参数(P1000[0]),设置为1。解:参数的设定方法见表2-3。

参数的设定方法
上一篇:变频器的应用实例(一)
下一篇:西门子变频器的使用方法和保养