时间:2023-03-10 15:51
人气:
作者:admin
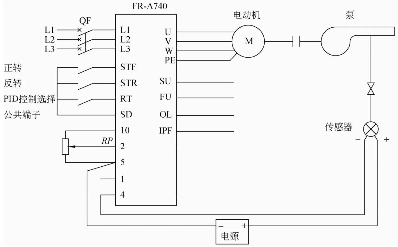
一、恒流量供液系统(变频器自带PID控制器)
如图1-1所示为变频器流量PID调节控制系统。传感器是4~20mA输出的2线式流量传感器,传感器的电源是外供电+24V。流量传感器测量流量信号,经过变频器的A/D(模/数)转换后,经过PID运算,输出一个电动机运行的频率,通常是当泵的流量低于设定值时,电动机升速,而当泵的流量高于设定值时,电动机减速。

变频器流量PID调节控制系统
与PID有关的参数说明见表1-2。

PID相关参数说明
二、张力控制(变频器自带PID控制器)
张力控制在工业控制中较为常见,如图2-1所示为变频器薄板张力PID调节控制的系统。RP是电位器,给定系统所需要的张力数值,传感器测量张力数值,当张力数值小于设定数值时,变频器经过PID后控制动力轮上的电动机加速,当张力数值大于设定数值时,变频器经过PID后控制动力轮上的电动机减速。从而保证薄板的张力保持在一定的范围内。

变频器薄板张力PID调节控制的系统
上一篇:西门子变频器的使用方法和保养
下一篇:PID控制器的传递函数