时间:2023-03-10 15:52
人气:
作者:admin
用基本操作面板进行手动速度给定方法简单,对资源消耗少,但这种速度给定方法对于操作者来说比较麻烦,而且不容易实现自动控制,而PLC控制的多段速度给定和通信速度给定,就容易实现自动控制,以下将介绍PLC控制的多段速度给定。
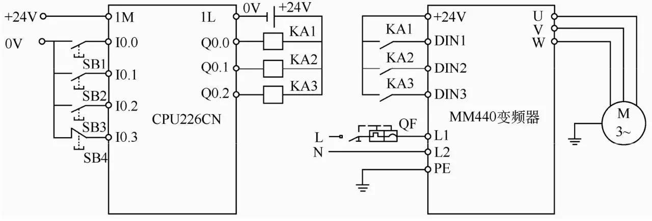
【例1-1】 用一台继电器输出CPU226CN(DC/AC/Relay),控制一台MM440变频器,当按下SB1时,三相异步电动机以5Hz正转,当按下SB2时,三相异步电动机以15Hz正转,当按下SB3时,三相异步电动机以15Hz反转,已知电动机的技术参数,功率为0.06kW,额定转速为1430r/min,额定电压为380V,额定电流为0.35A,额定频率为50Hz,请设计方案,并编写程序。
解:①主要软硬件配置
a.1套STEP7-Micro/WIN V4.0。
b.1台MM440变频器。
c.1台CPU 226CN。
d.1台电动机。
e.1根编程电缆(或者CP5611卡)。硬件1-1所示

多段速度给定接线图(PLC为继电器输出)

多段速度给定变频器参数(PLC为继电器输出)当Q0.0为1时,变频器的9号端子与DIN1端子连通,电动机以5Hz(固定频率1)的转速运行,固定频率1设定在参数P1001中;当Q0.0和Q0.1同时为1时,DIN1和DIN2端子同时与变频器的24V(端子9)连接,电动机以15Hz(固定频率1+固定频率2)的转速运行,固定频率2设定在参数P1002中。修改参数P0701,对应设定数字输入1(DIN1)的功能;修改参数P0702,对应设定数字输入2(DIN2)的功能,依次类推。
【关键点】 不管是什么类型PLC,只要是继电器输出,其接线图都可以参考图1-2,若增加三个中间继电器则更加可靠,如图1-3所示。
多段速度给定接线图(PLC为继电器输出,增加三个中间继电器

多段速度给定接线图(PLC为NPN晶体管输出)
多段速度给定程序(PLC为NPN晶体管输出)

上一篇:PID控制器的传递函数
下一篇:电动机保护用断路器的选择原则