时间:2023-03-10 15:57
人气:
作者:admin
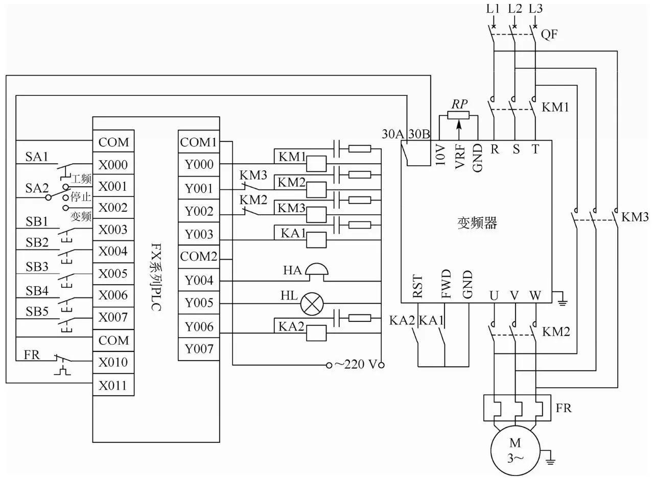
继电器控制切换的变频/工频电路比较麻烦,而改用PLC控制则相对简洁。PLC控制的变频/工频自动切换电路如图2-1所示。

该电路的控制要求如下。①主电路。KM1—变频器前端接电网;KM2—变频器后端接电动机;KM3—电动机直接与电网连接。②联锁保护。KM2、KM3在切换过程中不能同时接通,需要通过程序和电路进行联锁保护。③变频-工频切换延时。变频电路断开,延时一段时间后,工频电路接入。④变频器的控制。RP—频率设定;KA1—控制运行;KA2—控制复位;30A、30B—输出报警信号。⑤PLC的控制。SA1—控制PLC运行;SA2—工频、变频切换;SB1、SB2—主电路接通、断开按钮;SB3、SB4—变频器运行、停止按钮;SB5—变频器复位按钮。⑥报警和保护。HA—报警电铃(由PLC输出控制);HL—报警信号灯(由PLC输出控制);FR—热继电器(作为PLC输入)。
上一篇:电动机保护用断路器的选择原则
下一篇:简述永磁同步电机的特性