时间:2023-03-08 15:22
人气:
作者:admin
步进电机驱动器是一种将电脉冲转化为角位移的执行机构。当步进驱动器接收到一个脉冲信号,它就驱动步进电机按设定的方向转动一个固定的角度(称为“步距角”),它的旋转是以固定的角度一步一步运行的。可以通过控制脉冲个数来控制角位移量,从而达到准确定位的目的;同时可以通过控制脉冲频率来控制电机转动的速度和加速度,从而达到调速和定位的目的。
步进电机驱动器的基本原理
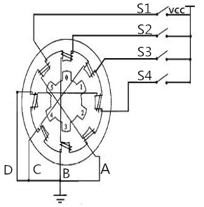
步进电机驱动器的原理,采用单极性直流电源供电。只要对步进电机的各相绕组按合适的时序通电,就能使步进电机步进转动。图1是该四相反应式步进电机工作原理示意图。

步进电机示意图开始时,开关SB接通电源,SA、SC、SD断开,B相磁极和转子0、3号齿对齐,同时,转子的1、4号齿就和C、D相绕组磁极产生错齿,2、5号齿就和D、A相绕组磁极产生错齿。当开关SC接通电源,SB、SA、SD断开时,由于C相绕组的磁力线和1、4号齿之间磁力线的作用,使转子转动,1、4号齿和C相绕组的磁极对齐。而0、3号齿和A、B相绕组产生错齿,2、5号齿就和A、D相绕组磁极产生错齿。依次类推,A、B、C、D四相绕组轮流供电,则转子会沿着A、B、C、D方向转动。
步进电机驱动器的特点
1、首先是脉冲分配器的集成电路,这个是比较重要的。
2、含功率驱动或者是包含电流控制以及保护电路的驱动器集成电路等。
3、同时也包含脉冲分配器与电流斩波控制器的一个集成电路,这个电路也是非常重要的。
4、直接把脉冲分配器以及功率驱动还有就是电流控制与保护电路都包括在内的驱动控制器集成电路。
综合整理自海杰嘉创、百度百科、维科特机电
上一篇:固定磁场无刷电机的作用
下一篇:固定磁场无刷电机的工作原理