时间:2023-03-07 11:09
人气:
作者:admin
对于刚入门的PLC新手来说,在没有理解PLC CPU的扫描工作原理时对于行内偶尔提到的一键启停程序编写总会有一定的难度!
今天和大家分享200系列PLC对一键启停不同方式的程序编写:
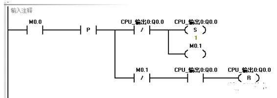
1 采用位逻辑指令结合PLC工作原理实现一键启停的程序编写

2 采用位逻辑指令结合PLC工作原理实现一键启停的程序编写

3 采用逻辑运算取反指令实现一键启停的程序编写

4 采用逻辑运算异或指令实现一键启停的程序编写

5 复位优先双稳态指令

6 利用扫描关系原理

7 计数器

除此以外还有其他的编写方式,但前面两种方式适用于任何品牌系列的PLC 。学习PLC技术,三分理论,七分实践!我们可以把程序写进CPU中看到实际的效果加深印象!
审核编辑:汤梓红
上一篇:异步电机的结构 异步电机的优缺点