时间:2023-03-07 11:38
人气:
作者:admin
三相全波无刷电机通常通过控制和驱动电路给电机激励来实现驱动。三相全波无刷电机驱动的激励方式有120度激励驱动和正弦波激励驱动两种。三相全波无刷电机驱动的每种方式都有其优缺点。总体上来看,正弦波驱动在控制精度、效率和噪声方面具有优势,但缺点是会增加系统的复杂性和成本。而120度激励驱动虽然在控制精度、效率和噪声方面不及正弦波驱动,但系统更简单,在成本方面也更具优势。后续将会详细介绍三相全波无刷电机驱动的每种激励方式,首先来看有传感器的120度激励线性电流驱动。
三相全波无刷电机的驱动:有传感器、120度激励线性电流驱动
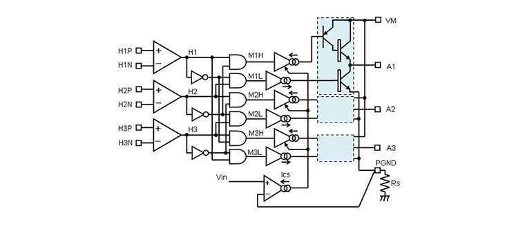
120度激励驱动通过由高边和低边开关组成的驱动器所具备的三相控制和驱动电路来实现驱动。下面根据120度激励驱动的驱动电路示例和各输入输出波形图对这种驱动方式进行说明。

先看各线圈的电流波形。各线圈在各相位差120度的状态下,在120度期间导通并使电流流入线圈,在60度期间关断,并在120度期间导通使电流流出,再在60度期间关断,并重复这样的周期循环(垂直虚线每格增量为30度)。这个激励期间为120度,故被称为“120度激励”。
驱动电路的H1P/H1N~H3P/H3N表示霍尔元件电压的输入,以差分方式接收来自霍尔元件的信号(参见波形图“霍尔元件电压波形”)。
霍尔元件电压被差分放大器转换为矩形(参见矩形波形H1~H3)。
通过下一级的逻辑运算,被转换为矩形的波形成为各高边开关(晶体管)和低边开关的驱动信号,并通过电流驱动放大器驱动高边和低边开关(参见合成波形M1H/M1L~M3H/M3L、线圈1~3电流波形)。

简单地讲,在线圈电流关断的60度期间不会产生线圈电压,但实际上电机在旋转,线圈会产生感应电压,因此关断期间会产生上升和下降斜坡电压,在线圈电流会产生急剧变化的点,产生箭头所示的尖峰噪声样电压。
在下一篇文章中将会介绍三相全波无刷电机的驱动的另一个激励方式:正弦波激励驱动。
关键要点:
・在三相全波无刷电机的驱动的120度激励驱动中,是通过各相位差120度、并反复进行“120度导通(H)、60度关断、120度导通(L)、60度关断”的循环来实现在三相全波无刷电机驱动的。
审核编辑:郭婷
上一篇:三相全波无刷电机的位置检测