时间:2023-03-03 16:44
人气:
作者:admin
三相异步电动机改为单相运行线路的方法
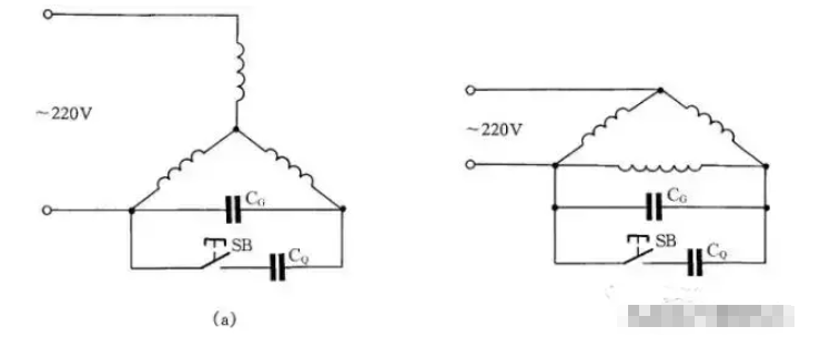
如果只有单相电源和三相异步电动机供使用,可采用并联电容的方法使三相异步电动机改为单相运行。
如图所示:图(a)为Y形接法电动机连接方法,图(b)为△形接法电动机连接方法。为了提高启动转矩,将启动电容CQ在启动时接入线路中,在启动完毕后退出。
工作电容CG容量的计算公式:
CG=1950I/Ucosφ(μF)
式中:I为电动机额定电流;U为单相电源电压;cosφ为电动机的功率因数。当计算出工作电容后,启动电容选用工作电容的1~4倍。

三相异步电动机的接线方法
三相异步电动机的接法是指电动机在额定电压下,三相定子绕组6个首末端头的连接方法,常用的有星形(Y)和三角形(△)两种。
三相定子绕组每相都有两个引出线头,一个称为首端,另一个称为末端。按国家标准规定,第一相绕组的首端用U1表示,末端用U2表示;第二相绕组的首端和末端分别用V1和V2表示;第三相绕组的首端和末端分别用W1和W2表示。这6个引出线头引入接线盒的接线柱上,接线柱标出对应的符号。
星形联结是将三相绕组的末端连在一起,即将U2、V2、W2接线柱用铜片连接在一起,而将三相绕组的首端U1、V1、W1分别接三相电源。三角形联结是将第一相绕组绕组的首端U1与第三相绕组的末端W2连接在一起,再接入一相电源;将第二相绕组的首端V1与第一相绕组的末端U2连接在一起,再接入第二相电源;将第三相绕组的首端W1与第二相绕组的末端V2连接在一起,再接入第三相电源。
如下图

综合整理自头条号兴福园电力、 头条号baozhuwanglei
上一篇:单相双电容电机正反转原理详解
下一篇:开关磁阻电机和无刷直流电机分析