时间:2023-03-06 11:39
人气:
作者:admin
本文介绍有刷直流电机使用H桥电路进行PWM驱动时的两个典型示例。
①将PWM信号输入至两个输入引脚之一并直接驱动
在“通过H桥电路驱动有刷直流电机:输出状态的切换”中介绍了通过H桥电路驱动电机时,可以利用两个逻辑输入在4种状态(停止,正转,反转,制动)之间进行切换。第一种PWM驱动方法是将PWM信号输入至这两个输入引脚之一。

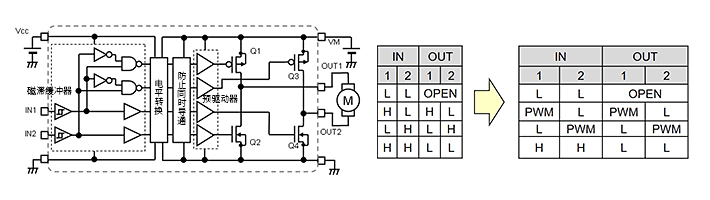
这是某款有刷直流电机驱动器IC的框图。使用IN1和IN2逻辑切换H桥。
两个真值表的左侧是标准的切换逻辑。其中,将正转(H/L)和反转(L/H)的H输入用作PWM输入。参见右侧的真值表。 这就是停止(OPEN)、正转PWM驱动、反转PWM驱动和制动。在这种控制中,需要将逻辑信号和PWM信号从微控制器等发送到IN1/IN2。当然,驱动器IC需要支持这种驱动方法。
在这种方法中,PWM输入信号的占空比与电源电压VM的乘积为等效平均施加电压。
②具备Vref PWM控制功能的电机驱动器
有些电机驱动器IC是配备了PWM功能的IC。在该示例中,驱动器IC是在内部配有三角波发生器和比较器,并可以进行输出PWM驱动和PWM占空比调节的类型。

通过框图和波形图可以了解其工作机制。比较器会输出三角波发生器的三角波与外部的基准电压Vref比较后的结果。 比较器的输出占空比由Vref决定,当Vref为三角波的最小幅值0V时,占空比为0%;当Vref为三角波的最大幅值Vph时,占空比为100%。 该比较器的输出(PWM信号)与IN1/IN2逻辑相组合,经由H桥输出至OUT1/OUT2。
从原理上看,就像所介绍的,①和②都可以通过H桥进行PWM驱动,但是由于内置了防止同时导通的电路,以及②中使用了模拟电路来生成PWM信号,因此可能需要进行一些理论之外的调整(例如线性度和误差)。