时间:2023-03-02 14:23
人气:
作者:admin
变频器是工业现场常用的执行器件,其调速性能好,控制方式简单方便。故在自动化系统中,被运用得非常得广泛。

变频器主电路的典型接线方式
一般地,在实际的使用过程中,上图中的部分单元可能会被选择性使用。如,现场为小功率常见,则多见不选配制动电阻;现场电机到变频器距离较近,则变频器的输出电抗器可以不作选配……当然,这些都是依照实际情况,选择性使用。若非必要,则可以选择不予使用。选择了虽然无所弊端,但电气系统构建的成本必然增加;系统的复杂程度亦会增加。

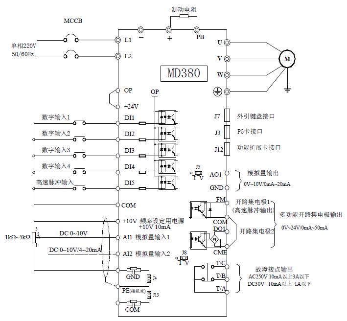
某一变频器控制端子布置图

变频器控制IO
上为变频器典型控制接线图,从接口可以看到。其具备开关量控制输入/输出、模拟量控制输入等。多样化的接口,在系统构建时,提供了多种选择方式。
开关量输入
在仅进行变频器的启动,停止,反转,多段速这类的控制时,选用开关量输入即可完成电机的控制。
模拟量输入
在需要对电机进行调速的应用场景,可以对变频器输入一路调速模拟量信号。以实现电机速度的控制。
数字量+模拟量输入
在如恒压供水的应用场景,可以将外部管路水压传感器的压力信号接到变频器的模拟量输入端口。使用变频器内部的PID控制功能,构成一个控制闭环,完成恒压供水的控制目标。形成一个恒压控制单元。数字量信号实现变频器的启停。
通信总线
若系统具备控制总线,则通过总线,可以实现更加灵活的控制。减少真个系统构建的电缆数量。通过总线,变频器的控制模式、运行状态等,均可简单实现。
下一篇:PLC使用脉冲方式控制伺服电机