时间:2023-03-03 11:31
人气:
作者:admin
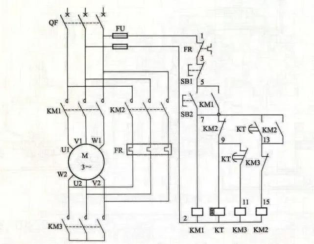
电动机星三角降压启动电路由时间继电器来完成转换,能可靠的保证转换时间的准确,此电路是一个超级经典的线路,因为在此电路中用到了工业生产中常用的电器设备和电路原理,如果我们电工初学者能够真正的理解这个电路原理并能够在出现故障时快速排除故障,基本上也算入了电工的门了,所以大家一定要认真学习并熟练掌握,电路原理图如下:

星三角降压启动原理图(此图来源于网络)
启动时,按下启动按钮SB2,交流接触器KM1线圈通电吸合并通过自己的辅助常开触点自锁,其主触点闭合接通电动机三相电源,时间继电器KT线圈也通电吸合并开始计时,交流接触器KM3线圈通过时间继电器的延时断开触点通电吸合,KM3主触点闭合将电动机尾端连接,电动机定子绕组此时组成Y型连接,此时电机在星型连接下降压启动。
当时间继电器KT设定时间到后,其延时断开触点打开,交流接触器KM3线圈回路断电,主触点断开定子绕组尾端接线,KM3辅助常闭触点闭合,为KM2线圈通电做好准备。同时时间继电器延时闭合触点闭合,接通KM2线圈回路,使KM2线圈通电吸合并通过自己的辅助常开触点自锁,KM2主触头闭合,将电机定子绕组接成三角形,电动机在△接法下运行。
一般情况下,在工业生产中30千瓦以上的电机采用星三角降压起动。但有时,在一些小容量供配电线路中,为了避免大功率电气起动引起的线路压降对其他电气的影响,15千瓦以上的电机也采用星三角起动。
上一篇:单相电机的接线方法
下一篇:永磁电机的基本定义及用途