时间:2023-03-03 11:38
人气:
作者:admin
BTL(Bridged Transformer Less,也有其他一些解释)放大器最初是将立体声放大器的两个输出连接到扬声器,用正相驱动一个输出,用反相驱动另一个输出,以作为单声道放大器使用的方法。本文中要介绍的是将其应用于有刷直流电机驱动后的方法。使用了BTL放大器的驱动分为电压驱动和电流驱动两种。先来看电压驱动。
使用BTL放大器电路驱动有刷直流电机:线性电压驱动
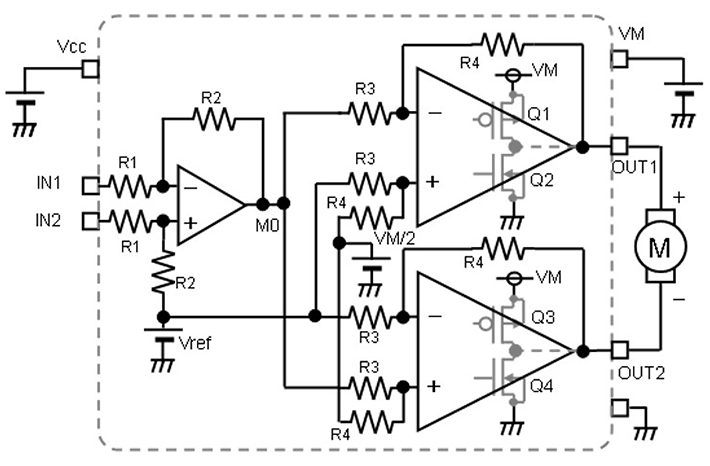
下图是以线性电压驱动有刷直流电机的BLT放大器电路图。

该电路通过控制施加在两个输入(IN1、IN2)上的直流电压,来控制施加在电机上的直流电压(OUT1、OUT2)和电流的方向。该示例电路包括输入级放大器和与其连接的两个输出级功率放大器。电机连接在两个输出之间,如图所示。
下面解释一下该电路的工作。由输出M0、输入IN1和IN2组成的输入级放大器是简单的差分放大器。因此,如下所示,M0是通过将施加到IN1和IN2的电压之间的差乘以取决于R2/R1的增益并加上Vref而得到的电压。
VM0=(R2/R1)×(VIN2-VIN1)+Vref
来看输出级功率放大器的输入M0(=输入级放大器的输出)与各输出(OUT1和OUT2)之间的关系。由于与输入级放大器一样由差分放大器组成,因此它们的关系如下。由于OUT1放大器在反相输入端接收M0,而OUT2放大器在同相输入端接收M0,因此输入电压差的项是不同的。
VOUT1=(R4/R3)×(Vref-VM0)+VM/2
VOUT2=(R4/R3)×(VM0-Vref)+VM/2
将求出VM0的第一个公式代入这些公式中,整理后如下:
VOUT1=(R4/R3)×(R2/R1)×(VIN1-VIN2)+VM/2
VOUT2=(R4/R3)×(R2/R1)×(VIN2-VIN1)+VM/2
因此,OUT1与OUT2之间的电压差如下:
VOUT1-VOUT2=2×(R4/R3)×(R2/R1)×(VIN1-VIN2)
上面的公式表示,当IN1的电压高于IN2的电压时,由于OUT2低于OUT1,因此电流从OUT1流向OUT2,反之,电流则从OUT2流向OUT1。施加到电机上的电压是将IN1和IN2之间的电压差乘以电压增益2×(R4/R3)×(R2/R1)所得的值。这样,就可以控制电机的正转和反转了。
如果使IN1和IN2具有相同的电压,则OUT1和OUT2的电压也会相同(=VM/2),因此可以将它们置于短路制动状态。但是,如果放大器存在失调情况,则输出电压差不会完全为零,因此可能需要进行调整。
该电路无法处于开路状态。要想创建开路状态,需要另行配置电路。
审核编辑:郭婷