时间:2023-03-03 11:54
人气:
作者:admin
有很多初学机修的电工朋友,不知道该从哪些地方入手,今天我就列举一个应用最广的电路:控制电机正反转的接线,由浅入深,让你一步步脱离新手。

点动
KM接触器的线圈A1和A2分别连一条火线,SB启动按钮串到任意一条火线都可以实现点动效果,启动按钮都是接的按钮开关的NO常开点。

接触器自锁
比点动多了一条自锁线,SB2是停止按钮,停止按钮都是接的按钮开关的NC常闭一端。自锁是通过自身的常开点在线圈通电吸合的状态下持续供电的一种接法。

互锁点动
这是个互锁的点动效果,两个接触器线圈A1的位置连一起接的零线,然后A2和另一个接触器的NC常闭点交叉连接。辅助NC常闭点的出线接启动按钮,这时候同时按下2个启动按钮只能有一个吸合。

接触器互锁
这个图其实就是接触器互锁加上接触器的自锁,KM1和KM2互锁,每个接触器都可以自锁。这个也是控制电机正反转的电路图。如果可以的话,SB1和SB2还可以机械互锁。

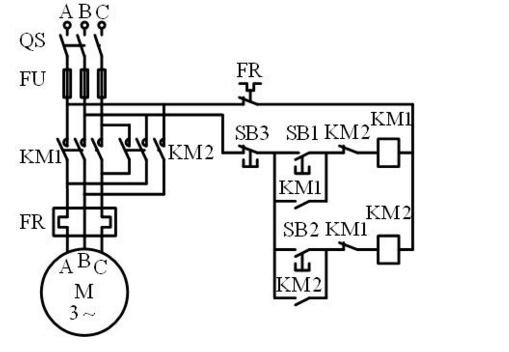
控制电机正反转的完整电路
这个图比上一个图又多了一个机械互锁,SB2和SB3分别串了彼此的常闭点,这样就实现了双重互锁。这个也是控制电机正反转接线的完整电路图。
下一篇:直流电机的正反转控制电路图解