时间:2023-03-03 14:25
人气:
作者:admin
电气类专业的朋友应该都知道,2个接触器互锁控制电机的正反转是个非常经典的案例,实用性也很广。今天我们一起来学习一下,首先我们要知道三相电机为什么有正反转?
三相电机的供电电源为三相交流电,三相之间有120度的相位差,随着电流的变化,电机内部会形成一个旋转磁场,转子会顺着磁场的方向旋转。如果我们把供电电源的任意两相对调,磁场的方向就会改变,电机就会反转。
接触器的选型:假设三相异步电机是3KW,那么电机的额定电流为6A左右,而接触器的额定电流我们一般选1.5--2倍电机的额定电流。因为要2个接触器互锁,而且正反转运行时为自锁状态,所以接触器的辅助触点必须有一组常开点和一组常闭点。

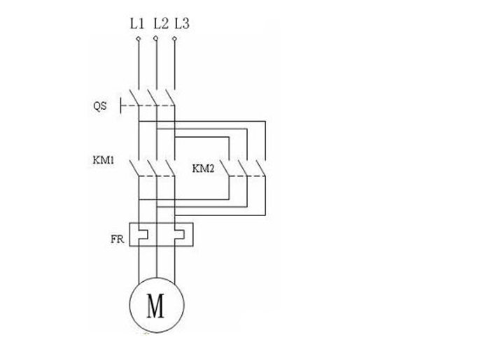
主电路
接触器KM1和KM2的进线端改变一组相序,出线端相序一致,经过热过载继电器FR连接电机。

完整电路图
SB为停止按钮,SBR是正转启动按钮,SBF为反转启动按钮,因为两个接触器是互锁的状态,所以只能有一个接触器工作。

双重互锁
这种是双重互锁电路,比上一个图中的电气互锁多了一重按钮开关的机械互锁,建议使用这一种。
上一篇:变频电机和异步电机的区别
下一篇:直线伺服电机的构造与原理