时间:2023-03-03 14:36
人气:
作者:admin
三相电机反转怎么换线
1、三相电机将任意二相进线互换连接。
2、单相电机将运行或启动组任一组出线二头对换(绕组有四引出线)。
3、只有三根引出线、如果它的运行、启动绕组一至的。可将接电容一端的电源进线改接至电容的另一端。
4、若运行,启动绕组不一至、按2方法拆改。
仍意调整两根线就改变了电流方向使电动机反转。
这种情况可以把两相线互相倒一下就可以。
三相电电机反转,只要把其中任何二相电对调一下就可以改变电机的转向。
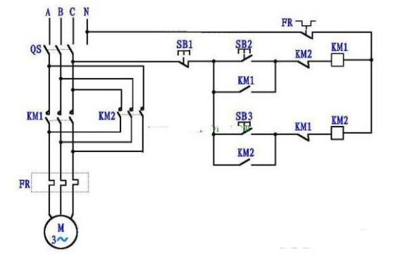
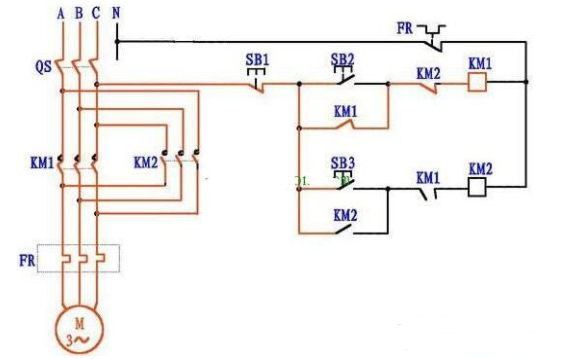
三相电机正反转操纵原理
三相电机正反转操纵原理图

图(1),三相电机正反转原理图。
QS为隔离开关,KM1正转交流接触器,KM2翻转交流接触器,FR热继器,SB1终止按键,SB2正转运行按键,SB3翻转运行按键。

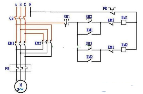
图(2)
把感应起电一部分标成鲜红色,没合隔离开关QS以前,仅有隔离开关容易上火感应起电。

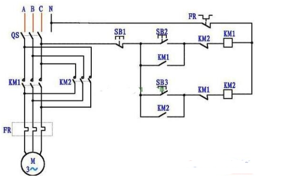
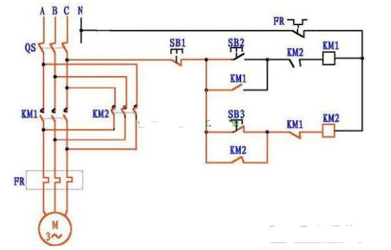
图(3)
盖上QS,图上控制电路一部分,SB2、KM1、SB3、KM2开与关点都为断掉情况,不管正转還是翻转交流接触器电磁线圈都不可电,因此电动机终止情况。

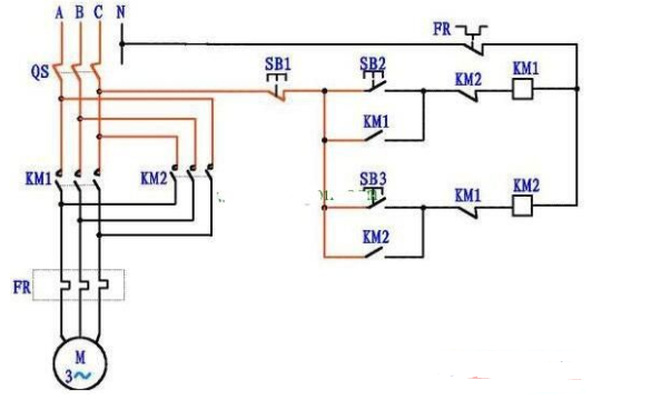
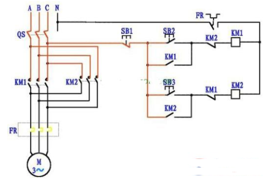
图(4)
按住正转运行按键SB2,KM1电磁线圈得电吸合。KM1主接触点合闭,电动机正转。

图(5)
松掉SB2,KM1开与关辅助触点合闭,KM1交流接触器锁紧,电动机维持正转。

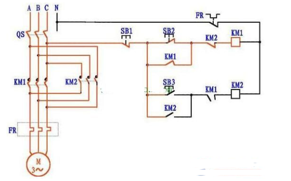
图(6)
按住翻转运行SB3,因为KM1常闭点断掉,KM2仍不可以得电吸合,这里KM1常闭点即是自锁互锁点。

图(7)
按住终止按键SB1,常闭点断掉,交流接触器释放出来,电动机终止。

图(8)
按住翻转运行按键SB3,KM2吸合,电动机翻转。

图(9)
假如电动机匝间或热继器FR姿势,FR常闭点断掉,不管正转還是翻转交流接触器,都将释放出来,电动机终止。
三相电机电量计算公式
三相电机电量计算公式如下:
P=U*I*√ 3*cosΦ。
其单位是W,用电量=P*H(小时),1000WH=1度电,或者写成1KWH。理论上一小时消耗标牌上的电量(kWh),实际耗电量,还与该电动机的负载率有关,一般情况下,电动机运转不会恰好在额定功率并一直持续不变。如,负载率若在0.85时,标牌功率*0.85*时间=用电量此外,还有线路损耗、电压波动等因素会使电动机实际工作工作情况。
上一篇:浅析永磁电机的功率因数