时间:2023-03-02 11:48
人气:
作者:admin
只有容量小的电动机才允许采取直接启动方式,容量较大的三相笼型异步电动机因启动电流较大,一般都采用降压启动方式。
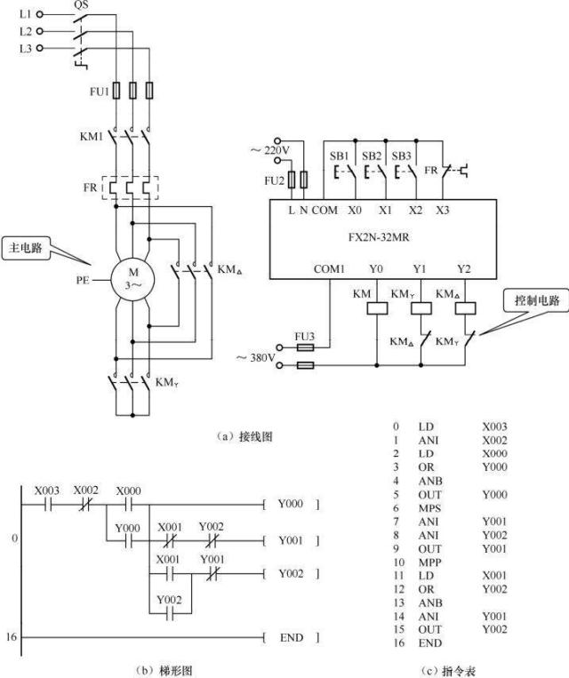
PLC手动控制电动机星——三角形降压启动电路
电动机星——三角形降压启动是指在启动时将电动机定子绕组接成星形以降低启动电压,减小启动电流; 当电动机的转速上升到接近额定值时,再把电动机的定子绕组改接成三角形,使电动机全压正常运行。 图3-5所示为PLC手动控制电动机星——三角形降压启动电路的接线图、梯形图和指令表。

图3-5 PLC 手动控制电动机星—三角形降
PLC输入/输出地址分配如表3-3所示。
表3-3 图3-5所示电路的PLC输入/输出地址分配表

按下启动按钮 SB1,接触器 KM 的线圈通电,同时接触器 KMY的线圈通电,电动机定子绕组接成星形降压启动; 当转速上升并接近电动机的额定转速时,按下按钮SB2,接触器KMY的线圈失电,接触器 KM△的线圈通电,电动机定子绕组接成三角形全压运行; 按下按钮SB3,接触器KM的线圈失电,电动机停止运转。
提示
在编写梯形图时,由于热继电器的保护触点采用动断触点,因此程序中的X3(FR动断)常用的是动合触点。
其实,要实现上述电路功能,也可将停止按钮X2的动断触点与热保护继电器X3的动合触点分别串联到Y0、Y1的控制回路中进行控制,如图3-6所示。 可见,采用PLC控制实现同一功能电路的程序编写是比较灵活的。

图3-6
图3-6 PLC 手动控制电动机星—三角形降压启动程序的另一种编写方法
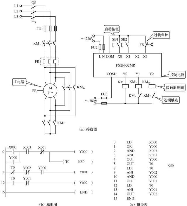
PLC自动控制电动机星——三角形降压启动电路
图3-7所示为PLC自动控制电动机星——三角形降压启动电路。

图3-7
图3-7 PLC 自动控制电动机星—三角形降压启动电路
按下启动按钮SB1,KMY线圈得电,KM线圈也得电,电动机接成星形降压启动。 自动延时 5s 后,切断 KMY线圈回路并接通 KM△线圈回路,电动机接成三角形全压运行。 按下SB2,KM、KM△线圈失电,电动机停止运转。
PLC输入/输出地址分配见表3-4。
表3-4 图3-7所示电路的PLC输入/输出地址分配表

表3-4
提示
PLC自动控制电动机星——三角形降压启动控制电路与图3-5所示电路比较,只需要拆除PLC输入端X2与按钮SB3的连接线即可。
在接触器——继电器控制电路中,通常需要考虑时间继电器完成定时后就切断时间继电器的线圈,以利于节省能源和延长时间继电器的使用寿命。 但在PLC控制程序中,定时器是一种软元件,因此,不必考虑切断时间继电器线圈的问题。
上一篇:PLC控制电动机正反转电路讲解
下一篇:介绍几种常用的PLC控制电路