时间:2023-03-02 14:00
人气:
作者:admin
PLC控制电路图如下:

PLC控制l/O分配表如下:

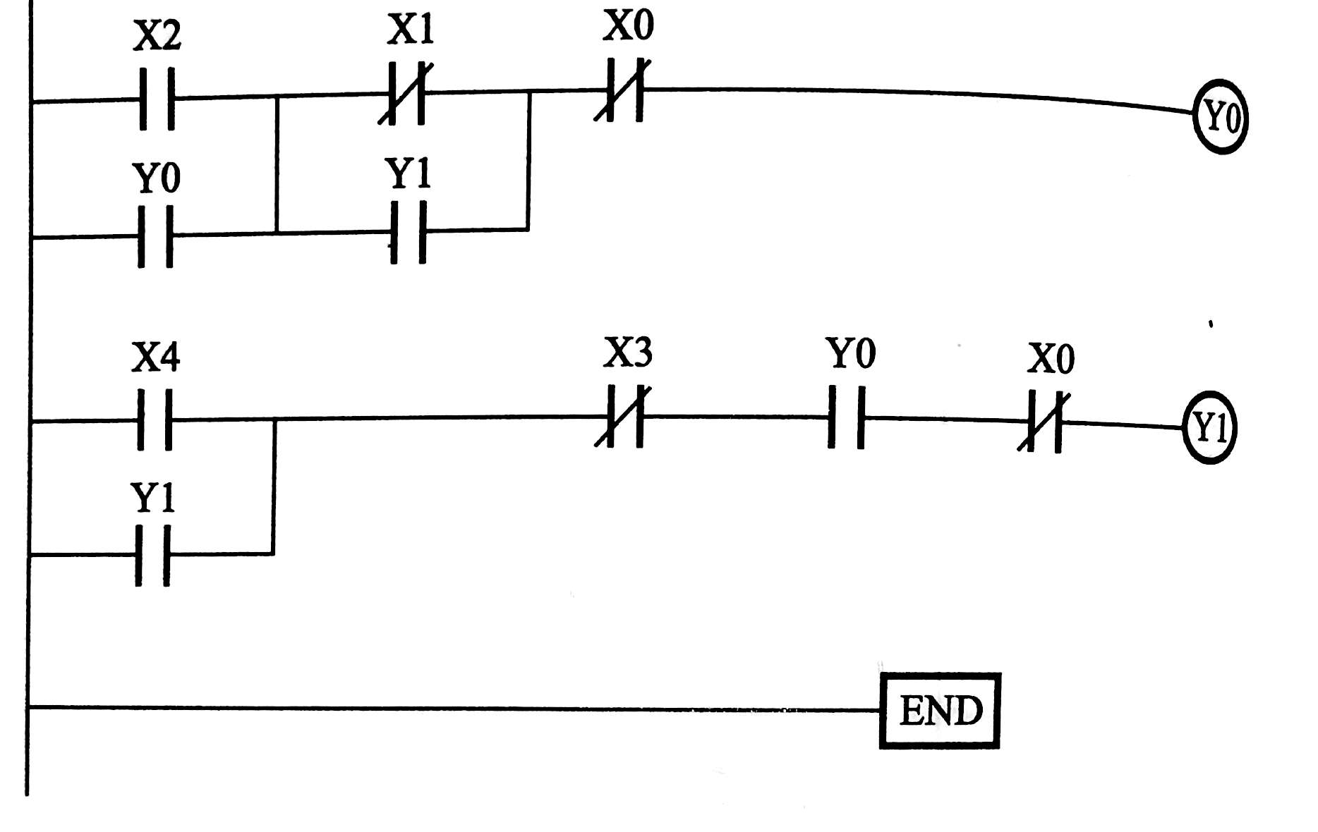
梯形图如下:

具体启动过程为:
当按下电动机M1启动按钮sB2时,其将pLc内的×2置1,即该触点接通,使得输出继电器Y0得电,控制pLc外接交流接触器线圈KM1得电。
Y0得电,其常开触Y0(KM1-1)闭合自锁,控制Y1线路的常开触点Y0(KM1-3)接通,为Y1得电,即KM2得电,为电动机M2启动做好准备,也用于防止接触器KM2线圈先得电,使电动机M2先运转,起顺序启动的作用。
KM1线圈得电,主电路中的主触点KM1-2闭合,接通电动机M1电源,电动机M1启动运转。
当按下电动机M2启动按钮sB4时,其将pLc内的×4置1,即该触点接通,使得Y1得电,控制PLC外接交流接触器线圈KM2得电。
Y1得电,其常开触点Y1(KM2-1)闭合自锁,Y0线路上的常开触点Y1(KM2-3)闭合,锁定×1,即锁定停机按SB1,用于防止当启动电动机M2时,按下电动机M1的停止按钮SB1,而关断电动机M1,起反顺序停机的作用。
KM2线圈得电,主电路中的常开主触点KM2-2闭合,接通电动机M2电源,电动机M2启动运转。
停止过程如下:
当按下电动机M2停止按钮SB3时,其将PLC内的×3置0,即该触点断开,使得Y1失电,PLC外接交流接触器线圈KM2失电,主电路中的常开主触点KM1-2复位断开,切断电动机M2电源,电动机M2停止运转。
当电动机M2停止运转后,按下电动机M1停止按钮SB1时,其将pLc内的×1置0,即该触点断开,Y0失电,实现电动机M1的停转。
上一篇:单极性两相步进电动机的驱动方式