时间:2023-02-13 10:01
人气:
作者:admin
01 发动机壳体
发动机壳体由发动机缸体、曲轴箱和底板、气缸盖、气缸盖罩、油底壳和密封件组成。

发动机壳体结构
1-气缸盖罩;2-气缸盖罩密封垫;3-气缸盖;4-气缸盖密封垫;5-曲轴箱;6-密封垫;7-底板;8-油底壳密封垫;9-油底壳
发动机缸体采用压铸铝合金AlSi9Cu3制成,由曲轴箱和底板组成。相同材料已在带有铝合金曲轴箱的四缸发动机上使用。由BMW首次使用的涂层工艺电弧丝喷涂LDS可优化气缸工作表面特性。
冷却水套同样经过了优化。环岸孔可改善环岸区域的冷却效果并根据涡轮增压发动机要求进行了调整。

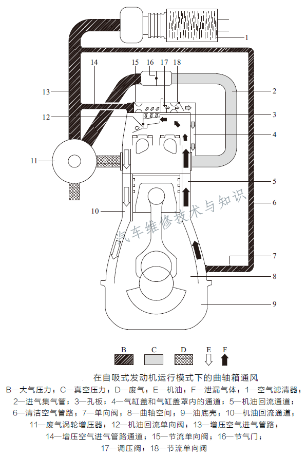
气缸盖罩是一个全新开发的产品。用于曲轴箱通风的所有部件以及泄漏通道均采用集成方式。通过调压阀避免在曲轴箱内产生过大真空压力。由于发动机为涡轮增压发动机,因此曲轴箱通风分为两部分。根据发动机是处于增压运行模式还是正常运行模式,可以通过不同通道进行曲轴箱通风。气缸盖罩内部结构如下图。


在正常运行模式下通过调压阀进行通风,调压阀可调节出大约38mbar真空压力。
泄漏气体通过气缸1进气侧区域的开口到达三个簧片分离器处。附着在泄漏气体上的机油通过簧片分离器分离并沿器壁向下通过单向阀流回气缸盖内。分离出机油后的净化泄漏气体根据运行状态进入进气系统内。
只有在进气集气管内通过真空压力使单向阀处于开启状态时,即处于自吸式发动机运行模式时,才能使用标准功能。
在自吸式发动机运行模式下,进气集气管内的真空压力使气缸盖罩泄漏通道内的单向阀打开并通过调压阀抽吸泄漏气体。同时,真空压力使增压空气进气管路通道内的第二个单向阀关闭。泄漏气体通过集成在气缸盖罩内的分配管直接进入气缸盖内的进气通道中。
与废气涡轮增压器前的洁净空气管以及曲轴箱相连的清洁空气管路通过单向阀直接将新鲜空气输送至曲轴空间内。曲轴空间内的真空压力越大,进入曲轴箱内的空气量就越多。通过这种清污方式可防止调压阀结冰。自吸气发动机曲轴箱通风原理如下图。

只要进气集气管内的压力升高,就无法再通过这种方式引入泄漏气体。否则有可能造成增压压力进入曲轴箱内。气缸盖罩泄漏通道内的单向阀关闭连接进气集气管的通道,从而防止曲轴箱出现过压。
由于此时新鲜空气需求较大,因此废气涡轮增压器与进气消音器之间的洁净空气管内产生真空压力。该真空压力足够用于打开单向风门并在无调节的情况下直接抽吸泄漏气体。由于此时只产生较低真空压力无须进行限制,因此泄漏气体会绕过调压阀。增压模式下的曲轴箱通风原理见下图。

油底壳由压铸铝合金制成。针对xDrive车辆,油底壳带有驱动轴开口和主减速器固定点。由于带有平衡轴的机油泵覆盖整个油底壳范围,因此可防止机油飞溅到曲轴上。通过机油回流通道回流的机油被直接输送至油底壳内。因此不会接触到曲轴。


02 曲柄连杆机构
N20发动机的曲轴行程为89.6mm,由C38modBY材料制成。该曲轴为带有四个平衡重块以及质量为13.9kg的锻造曲轴。

曲轴采用五点支撑。止推轴承位于第三轴颈中央。止推轴承仅采用180°设计,安装在轴承座上。轴承盖内的轴承不进行轴向导向。在此使用无铅双材料轴承。曲轴轴承部件如下图。

轴承标记印在曲轴箱和曲轴上。为曲轴安装新轴承时必须按照维修说明进行。


如果如上图所示带有代码“K”,则“K”表示离合器侧。因此第一个代码2为曲轴箱内轴承5的代码,第二个代码3表示轴承4等。
N20发动机使用FM公司的封闭式活塞,活塞直径为84mm。第一个活塞环是一个氮化钢矩形环;第二个活塞环是鼻形锥面环。刮油环为带弹簧的钢带环,也称为MF系统。
除大车型系列外,该活塞设计用于所有压缩比为10∶1的车型。针对大车型,活塞压缩比提高至11∶1。在燃油质量较低的国家和地区,也在大型车型系列上使用压缩比为10∶1的活塞。
在活塞上带有一个安装位置箭头。进行安装时,该箭头始终沿发动机纵向方向指向皮带传动机构。必须确保活塞安装位置正确,否则非对称气门凹坑以及进气侧和排气侧的不同强度会相对较快地造成气门损坏或封闭式活塞壁破裂,从而导致完全损坏。

03 配气系统
凸轮轴传动装置采用已有结构设计,如下图所示。通过平衡轴驱动机油泵运转。为了确保平衡轴相对于曲轴的位置正确,次级链条传动机构也带有一个链条张紧器。次级链条采用齿形链设计。确定平衡轴位置时须无间隙啮合。



进气侧滚子式气门压杆由钢板制成且分为五个等级,即等级“1”至等级“5”。中间推杆目前也由钢板制成且分为六个等级,即等级“00”至等级“05”。
凸轮轴部件结构如下图所示。所有管都用端盖密封,进气凸轮轴上的端盖确保由气缸盖通过进气凸轮轴为真空泵供油,排气凸轮轴上的端盖用于提高技术洁净度。

04 平衡轴单元
平衡轴由曲轴通过一个齿形链进行驱动。齿形链要求曲轴和平衡轴使用特殊齿轮;齿形链可以优化驱动链在链轮上的滚动过程,从而减少噪声形成。平衡轴单元部件见下图。


确定平衡轴相对于曲轴的位置时用一个4.5mm厚的定位心轴固定下部平衡轴,为此必须取出插在定位孔内的密封塞。密封塞可防止在运行过程中机油流入平衡轴室内。室内的过多机油随平衡轴旋转而被带出并通过排出口输送回油底壳内。平衡轴侧面剖视如下图所示。

为了确保发动机平稳运行且发挥正常功能,必须进行平衡轴定位。
编辑:黄飞