时间:2023-02-01 15:24
人气:
作者:admin
今天给大家分享的是关于PLC编程控制入门常用到的实例。里面包含的知识点是较为齐全的,如:I/O分配表、PLC接线图、梯形图程序等。
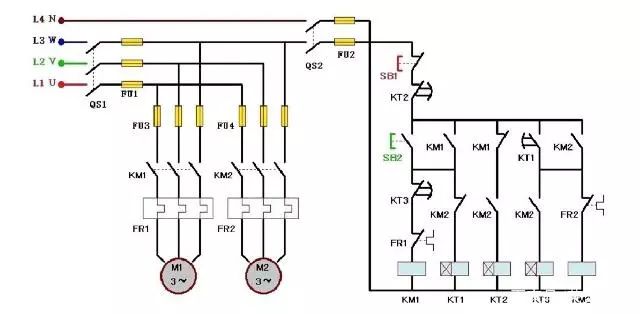
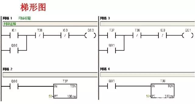
一、电动机顺序启动、顺序停止控制(I/O分配表、PLC接线图、梯形图程序)




二、电动机的顺序启动、同时停止(I/O分配表、PLC接线图、梯形图程序)




三、电动机的顺序启动、逆序停止(I/O分配表、PLC接线图、梯形图程序)




四、电动机延时启动、停止控制(I/O分配表、PLC接线图、梯形图程序)




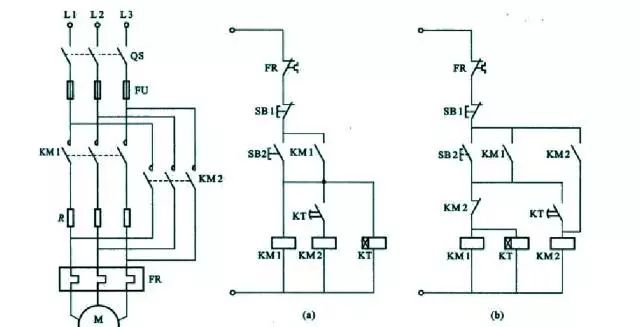
五、笼型感应电动机定子绕组从串电阻降压启动控制系统(I/O分配表、PLC接线图、梯形图程序)




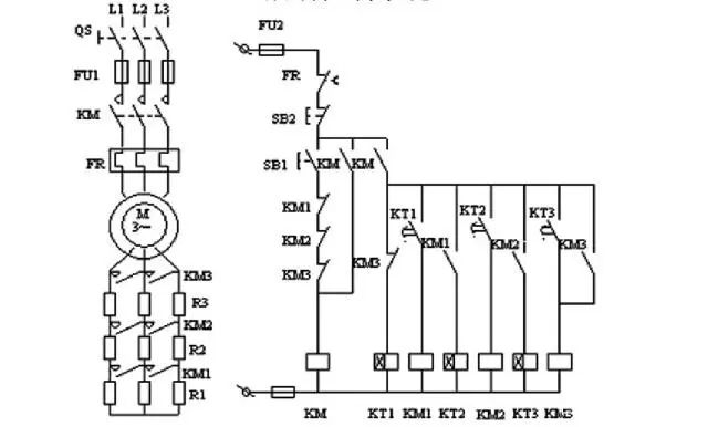
六、三相绕线感应电动机转子绕组串电阻降压启动控制系统(I/O分配表、PLC接线图、梯形图程序)




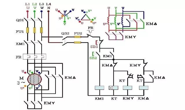
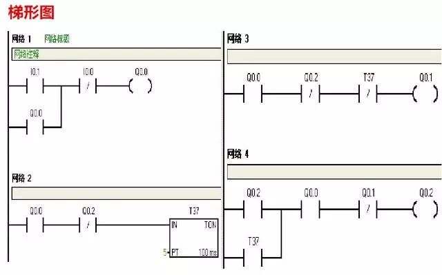
七、Y-△降压启动控制系统(I/O分配表、PLC接线图、梯形图程序)
Y-△降压启动控制(1)




Y-△降压启动控制(2)




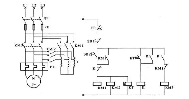
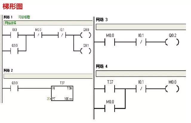
八、自耦变压器降压启动控制系统(I/O分配表、PLC接线图、梯形图程序)




上一篇:永磁电机退磁的原因以及预防措施