时间:2023-02-02 14:12
人气:
作者:admin
在过程自动化系统中,必须监测和测量温度、压力、流速、湿度等重要参数。在工业4.0时代,以太网是一种流行的通信标准。由于以太网是有线的,而变送器和传感器通常需要电源,因此出现了一个问题:为什么不使用以太网电缆进行数据传输和供电?
本文介绍以太网设备如何同时使用电缆传输数据和供电。以太网供电(PoE)系统在工业中得到广泛应用,并将在未来发挥重要作用。
PoE 标准
通过 Cat-5 电缆供电在 IEEE 802.3af 以太网供电标准中定义。PoE 标准过去仅限于几瓦,但较新的 PoE 技术可实现更高的功率。例如,PoE+ 允许每个端口高达 25 W 的功率,PoE++(四对以太网供电系统)通过使用现有电缆的所有电线,功率范围为 70 W 至 100 W。在此PoE标准的同时,ADI公司还定义了专有标准LTPoE++™,其中定义了高达 90 W 的受电设备 (PD) 功率规格(请参阅表 1)。
| PoE 标准 | PoE 类型 | 局部放电功率 (W) | 可用功率 (W) |
| PoE (IEEE 802.3af) | 类型 1 | 13 | 11.25 |
| PoE+ (IEEE 802.3at) | 类型 2 | 25 | 22 |
| ADI的LTPoE++ | |||
| LTPoE++ | 38.7 | 32.9 | |
| LTPoE++ | 52.7 | 44.8 | |
| LTPoE++ | 70 | 60.8 | |
| LTPoE++ | 90 | 76.8 |
LTPoE++ 降低了 PoE 系统相对于类似解决方案的技术复杂性。即插即用功能、易于实施以及安全、可靠的电源是 LTPoE++ 的进一步特性。此外,LTPoE++是可互操作的,并且与IEEE的标准PoE规范向后兼容。但是,由于系统中的损耗以及电缆损耗,实际可用功率略低于指定的PD功率,PoE+和PoE++也是如此。
PoE 组件
基本上,通过以太网电缆为设备供电需要两个组件:用电设备和供电设备 (PSE)。

图1.显示 PoE 系统主要组件的框图。
PSE的任务是像电源一样提供电力,而PD接收电力并使用它(负载)。PSE 设备在通电时具有签名过程,以保护不兼容的设备在连接时免受损坏。这涉及首先检查PD的签名电阻。仅当该值正确(25 kΩ)时,PD才会供电。如果 PSE 检测到 PD,则从分类开始;也就是说,确定所连接设备的功率要求。为此,PSE施加定义的电压并测量产生的电流。PD 根据当前水平分配给功率等级。如果一切正确,将提供完整的电压和电流。一旦提供PD,它的任务就是将–48 V的PoE电压转换为适合终端设备的电源电压。在典型的PD设计中,使用额外的DC-DC转换器(二极管桥控制器)。它的任务是调整或满足PD提供的组件的功率要求。 较新的IC已经提供了将接口和DC-DC转换器集成到单个组件中的可能性,以实现低功耗等级,从而简化了设计。
由于 PD 必须根据 IEEE 802.3 PoE 规范在其以太网输入端接受任意极性的直流工作电压,因此 PD 输入端前面需要两个二极管桥。因此,无论使用何种线对,PD也适用于反极性。
PD 实施变得简单
利用 ADI 公司的 LT4276,存在一款具有集成隔离式开关稳压器的 LTPoE++、PoE+- 和 PoE 兼容型 PD 控制器。它可以同时用于正激式和反激式拓扑,并同步工作在 2 W 至 90 W 的功率等级下。与同样具有集成功率 MOSFET 的较低功率等级的传统 PD 控制器不同,LT4276 提供了驱动一个外部 MOSFET 的选项。通过这种方式,PD减少了损失并提高了效率。
由于 IEEE 802.3 以太网规范要求与器件外壳的接地连接进行电气隔离,因此 LTC4290 / LTC4271 隔离式控制器芯片组适合用作 PSE。LTC4271 在非隔离侧代表与 PSE 主机的数字接口,而 LTC4290 在隔离侧提供以太网接口。这两个组件通过一个简单的以太网变送器连接。通过这种强大的PSE芯片组设计,可以避免用于产生隔离电源的额外组件。
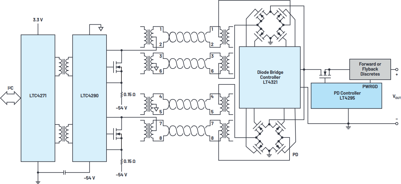
如果将PD侧全桥整流器的两个二极管替换为理想二极管,则可以提高整个PoE系统的功率和效率。因此,MOSFET的使用和控制使其像典型的二极管一样工作。这样,由于通道电阻低(RDS(ON)).利用 LT4321 理想二极管桥控制器与 LT4295 PD 控制器的组合,可在全脊型配置中控制 3 个 MOSFET (参见图 <>)。

图2.PoE 电路示例。

图3.传统二极管整流与通过二极管桥式控制器驱动。
借助 PoE,以太网设备可以在通过 RJ45 电缆进行实际数据传输的同时供电。ADI公司开发了自己的专有标准LTPoE++,与传统PoE标准并行支持高达90 W的功率。LTPoE++ 提供稳健的端到端高功率 PoE 解决方案,可简化电源和设计。
新的计时™产品组合是ADI公司面向创新工业以太网产品的产品组合。它包括实时以太网交换机、PHY 和协议处理产品,以及完整的网络接口产品。ADI公司发布了两款新的稳健型工业以太网PHY,ADIN1300(具有10 Mbps至1 Gbps范围)和ADIN1200(具有10 Mbps至100 Mbps范围),从而扩展了Chronous产品组合。通过将这些新型PHY与ADI的PoE技术相结合,Chronous产品组合可为电源和数据提供一流的系统级解决方案。
审核编辑:郭婷