时间:2023-01-14 15:20
人气:
作者:admin
MAX6650和MAX6651为风扇速度调节器,利用风扇的转速计反馈控制无刷直流风扇的速度。在正常工作中,可以容纳标称电源电压为5V至12V的风扇。本应用笔记介绍了MAX6650和MAX6651如何与更高电压的风扇配合使用。显示了 24V 和 48V 风扇的示例。
MAX6650和MAX6651为风扇调速器,产生直流电压以驱动标称电源电压为5V或12V的无刷直流(BLDC)风扇。它们使用来自风扇的转速计信号测量风扇的速度,并通过调整施加的电源电压来调节速度,以产生所需的转速计计数。在正常工作中,风扇的正电源端子连接到风扇电源电压VVAN(标称值为12V或5V),负极端子由N沟道MOSFET驱动以调节电源电压。
有些设计需要使用比MAX6650和MAX6651设计更高的电压风扇。使这些IC适应更高电压的风扇,主要是确保其输入引脚在可接受的工作范围内以正确缩放的电压驱动。这可以通过添加少量外部电阻来实现。
图1所示为MAX6651典型电路,带有12V BLDC风扇。(MAX6651在本应用笔记的原理图中所示。MAX6650的引脚名称相同。OUT驱动外部N沟道MOSFET的栅极,FB是闭合MOSFET漏极反馈环路的输入。该电压将在 0V 到 VFAN 之间变化(在本例中为 12V)。风扇的转速计输出通常是漏极开路,并通过一个外部电阻器上拉至 VVAN。TACH0接受转速计信号,并根据FB上的电压调整其逻辑电平;因此,逻辑电平跟随风扇转速计输出端的电压,因为它随风扇的驱动电平变化。FB 和 TACH 输入可接受高达 13.2V 的电压,因此 VFAN 标称电压可达 12V。

图1.MAX6651的正常12V工作电路。
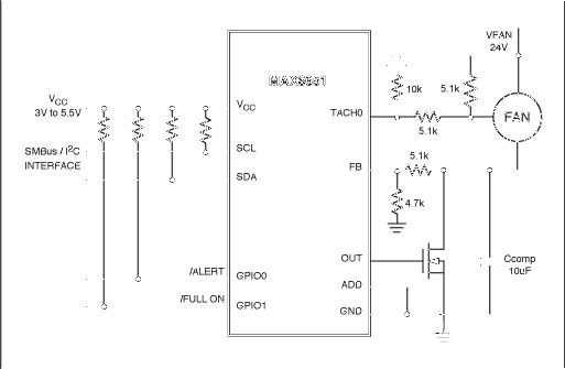
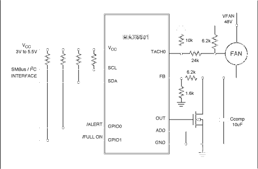
利用MAX6650控制24V风扇,可以使用图2中的电路。与图1所示电路相比,唯一的变化是增加了两对电阻,将TACH0和FB输入端的电压衰减至12V或更低。类似地,图3中的电路提供进一步的衰减,将输入电压从48V降至12V或更低。

图2.用MAX6651驱动24V风扇。

图3.用MAX48驱动6651V风扇。
审核编辑:郭婷
上一篇:电动汽车动力总成噪声分析与优化