时间:2022-12-21 10:38
人气:
作者:admin
今天从低压电器、电动机及控制线路、传感器及控制原理三部分来分享22张超赞的原理动图。
低压电器部分
1 按钮开关

2 闸刀开关

3 行程开关

4 交流接触器

5 热继电器

6 时间继电器


7 速度继电器

电动机及控制线路
1 异步电动机

2 直流电动机

3 步进电动机

4 永磁电机

5 正反转控制

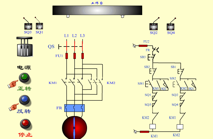
6 自动往返控制

7 顺序控制

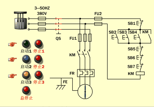
8 多点控制

9 星三角启动

传感及控制原理
1 布料张力测量

2 MQN型气敏电阻

3 气泡式水平仪

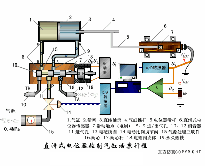
4 直滑式电位器控制气缸活塞行程

5 电容加速度传感器

编辑:黄飞
下一篇:浅谈PLC的外部接线方式