时间:2023-01-03 13:45
人气:
作者:admin
【1】三菱FX1N和2N的PLC可以各用哪款直接代替,三菱官网通知1N 和2N都停产了,我们有些设备都是用的这两款,想赶紧找下可以直接代替的备上,以备急用。
答:可以选择FX 3U的PLC,但是替换之前一定要查看原来的程序中所使用的指令在FX3U PLC是否支持,以及原来的程序中所使用的相关系统存储器是否与FX3U PLC相同,如果相同才可以替换。
【2】例如X001控制T5,T5的延时为50S,那X001是否需要接通50S,T5才动作?还是只需接通就可以了?
答:X001需要接通50秒,T5才动作。因为X001是定时器的驱动条件,而T5是属于通用型定时器,当驱动条件X001断开,那么定时器会复位,不再计时。
【3】在三菱PLC编程中置位和复位指令不是要一起使用吗?
答:在三菱PLC编程中置位和复位指令不一定要一起使用,可以只出现置位指令,也可以只有复位指令,也可以成对使用。
【4】PLC我想利用编程口与变频器通信,可以吗?
答:三菱FX PLC可以使用自带的编程口和变频器通信,但是要使用变频器通信专用指令。变频器通信指令由于受到通信协议的限制,并不是对所有品牌的变频器都适用,一般来说,三菱PLC的变频器通信指令只能对三菱的变频器进行通信控制,而不能对其他品牌的变频器进行通信控制。
【5】三菱PLC哪些编程软件可以通用?
答:FX-GPWIN 只适合FX系列PLC编程使用;GX-Developer适合FX, Q, A系列PLC编程使用 ;GX-WORK2适合FX , Q , L系列三菱PLC编程使用。
【6】 FX2N PLC如果拔掉电池程序会不会丢失啊?
答:一般来说,因为PLC内部有充电电容,即使把电池拔掉,电容上充电电量也足够RAM内的数据保持一段时间,所以如果拔掉电池后在短时间内(通常5分钟)再将新电池换上去,程序是不会丢失的,如果拔掉电池长时间不更换新电池上去,程序则会丢失。
【7】为什么说PLC系统可靠性高,抗干扰能力强?
答:PLC硬件设计上,为了提高抗干扰性能,开关量输入输出均采用光耦器件,PLC内部电路与外部电路之间做到了电隔离,较好地消除了外部电磁干扰对PLC内部所产生的影响。而且,PLC的电源线路与I/O回路还设计了多重滤波电路,如LC滤波器、RC滤波器、数字滤波器等,以减少高频干扰的影响。以上硬件设计,使得PLC具有抗干扰能力强,可靠性高等特点。
【8】在FX3UPLC的输入端口接入无源开关,XO—X3使用内置24V电源,而在X10—X13使用外置电源?应如何接线?
答:

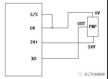
【9】一个PNP型三线制接近开关,应如何接入FX3U PLC的输入端口。
答:把PNP型三线制接近开关的信号输出端接PLC的输入口如X0,PNP型接近开关的0V端接到PLC上的0V端子,还要把S/S端子跟0V端子短接起来,PNP型接近开关的+24V端接到PLC上的24+端子。如果是外接24V电源的话,那么把PNP型三线制接近开关的信号输出端接PLC的输入口如X0,PNP型接近开关的0V端接到外接24V电源的负,还要把S/S端子跟外接24V电源的负短接起来,PNP型接近开关的+24V端接到外接24V电源的正。


【10】PLC的扫描周期是固定的,那么我怎么知道我写的程序超过固有的扫描周期呢,有什么方法知道 ,且怎么延长扫描周期呢?
答:如果要知道当前的扫描周期,可以直接从PLC的特殊寄存器D8010中读取;如果PLC里面有特殊存储器可以用来设定恒定扫描周期,那么只需要给这个特殊存储器中设定指定的数值,就可以改变扫描周期的时间。
【11】文件寄存器和普通寄存器的区别。
答:文件寄存器是作为存放事先决定的数值(比如 产品检查的规格值)时很方便的。普通的寄存器是除了保持区域外,PLC的电源OFF时,所有内容都被清除。所以一般作为临时存放区域使用。
【12】在梯形图中输入T1K20,显示软元件设置不正确是怎么回事
答:在梯形图中输入T1K20,显示软元件设置不正确,是因为T1和K20中间没有空格,空格多少没有规定,但至少要空1格。正确的输入方法是:OUT T1 K20,注意OUT和T1,T1和K20之间都要留有空格,输入定时器指令时还需要注意不要将字母O与数字0混淆。
【13】为什么输入端口的地址没有X8,X9?
答:三菱PLC的输入继电器和输出继电器都是以八进制进行编址的,所以只能是X0-X7,而没有X8,X9,X7后面的地址应该是X10。
【14】实我手上有台FX1N-40MR-001的PLC,输出端(Y侧)有几个COM端子:COM1.COM2,COM3,COM4,COM5,怎么用用啊,究竟对应Y里面着哪些Y端子啊?
答:因为输出负载包括接触器、继电器线圈、电磁阀线圈、指示灯、喇叭等,各种负载的电源性质可能不相同。为了适应不同的负载电源,所以PLC把输出端分成几组,同一组端口的负载电源是相同的,不同组的端口可以接不同的电源。
FX1N—40MR输出为4点共端,即每个4个输出点一个公共端。称作4点共端。其对应关系是COM1为YO—Y3的公共端。COM2为Y4—Y7的公共端。以此类推。
【15】输出输入端的那几个黑点端有什么用的?
答:输出输入端的那几个黑点端是为了配合PLC的整体结构而留下的空端子,内部没有接线,是无用的端子,不用做任何接线。空端子不能作接线端子使用,如果使用,会对PLC产生干扰。
【16】FX系列PLC的编程电缆型号是什么?
答:FX系列PLC的编程电缆型号是SC-09电缆或者USB-SC09-FX电缆。SC-09为连接电脑串口用。USB—SC09—FX为连接电脑USB口用。
【17】三菱PLC [D<= D150 H0] 是什么意思
答:[D<= D150 H0] 是触点比较指令,前面带D表示该指令是32位的触点比较指令,比较32位数(D151,D150)的值是否小于等于0,如果满足该条件则触点接通,如果不满足条件则触点断开。
【18】请教[D<= D108 C251]是什么意思?
答:[D<= D108 C251]是触点比较指令,前面带D表示该指令是32位的触点比较指令,比较32位数(D109,D108)的值是否小于等于计数器C251的当前值,如果满足该条件则触点接通,如果不满足条件则触点断开。
【19】PLC输出回路中需要加入保险丝吗?
答:PLC输出回路中需要加入保险丝,因为当负载一旦发生短路或故障时,容易烧坏触点或晶体管,还会烧坏输出电路所在的印制电路板,因此,需要在负载回路上加入起短路保护作用的保险丝。
【20】请问如何替换三菱FX2N PLC中已损坏的X.Y点
答:仅当PLC有多余的正常的X,Y点时,才可以用多余的X,Y点替换已损坏的X,Y点。替换时,首先把外部设备的接线作相应更改。其次,利用编程软件的查找替换的功能,把已损坏的X,Y点查找替换成其他未使用过的正常的X,Y点。保证程序正常运行。
【21】外部输入信号X0 在1秒钟内有10次输入,这个情况下,是不是需要使用高速计数器?
答:是不是需要使用高速计数器,决定PLC的扫描周期。计数器输入脉冲信号的频率不能过高,如果在一个扫描周期内,输入的脉冲信号多过1个时,那其余的脉冲信号则不会被计数器进行计数。这样,会产生计数不准确问题,因此,对计数器输入脉冲的频率是有一定要求的。一般要求脉冲信号的周期要大于2倍的扫描周期,保证不会发生计数丢数现象。
外部输入信号X0 在1秒钟内有10次输入时,PLC的扫描周期最好在50ms之内。如超过100ms,最好要使用高速计数器。
【22】FX2N系列的PLC 普通计数器 1秒钟最大能响应多少次的输入信号呢?
答:1秒钟最大能响应多少次的输入信号,决定PLC的扫描周期。计算公式是:1000÷扫描周期(ms) = 输入信号的最大频率。为保证不会发生计数丢数现象。最好脉冲信号的周期要大于2倍的扫描周期,
【23】下面的程序中
(MOVP K2 D0)
(MOVP K4 D1)
(DMOV D0 D2)
程序第三行D0和D2下面分别出现了:262146请问是怎么出来的?
答:因为 (DMOV D0 D2)是32位的传送指令,该指令是把(D1 D0)的数据传到到(D3 D2),而前面两条传送指令执行的结果是D0是K2,D1是K4,实际上D0内部二进制数是B0000 0000 0000 0010 ,D1内部二进制数是B0000 0000 0000 0100,所以(D1 D0)实际上是B0000 0000 0000 0100 0000 0000 0000 0010,该32位二进制数对应的十进制数就是262146。
【24】请问在应用主控指令MC N0 M100时,左母线上的N0 M100触点应该怎么输入进去呢?
答:左母线上的N0 M100触点是不需要自己输入进去的,当编程软件的状态处于写入模式时,左母线上没有该触点,只需要把模式切换成读出模式或监视模式就可以使该触点自动显示出来。
【25】电脑上的编程软件和三菱PLC通讯不上是什么原因?通讯线的端口如何设置?
答:通讯不上的原因有多种,1、可能是没有给PLC通电;2、编程软件创建的工程类型与实际PLC类型不同;3、可能是是通信端口设置问题;4、用了USB转232线,但没有安装驱动或者驱动没有安装好。原因可能有多种,需要一个一个去排查。
编程线主要有两种 SC-09 , USB-SC-09 ,在使用SC-09时,如果电脑没有RS232接口,需配置USB/RS232转换器,购买该转换器时,同时需要安装驱动,安装驱动后,在电脑的设备管理器中会有该转换器的虚拟RS232端口号,如COM4,编程时下载上载就要选取这个端口号。
【26】FX2N PLC怎么和触摸屏连接,要设置什么参数吗?
答:FX2N PLC要和触摸屏连接,可以用SC-09电缆的圆口插PLC的编程口,串口接到触摸屏的串口上,此外,还要在触摸屏端的系统参数设置里面设置好使用的PLC类型为FX2N、接口类型为RS232、以及设置端口、波特率等,在PLC编程软件的参数里面设置的端口、波特率、校验位、数据位、停止位等要与触摸屏的设置保持一致,这样就可以使FX2N PLC触摸屏连接起来。
【27】触点比较指令[<= D10 K100] 应该怎么输入,为什么输入不进去?
答:输入触点比较指令可以直接在键盘输入LD<= D10 K100进行输入,注意LD和<=符号之间不需要空格,而符号和D10之间,以及D10和K100直接需要空格。还要注意假如触点比较指令是32位指令[D<= D10 K100],那么是直接在键盘输入LDD<= D10 K100,注意是LD后面加D,而不是像DMOV等其他功能指令在前面加D。
【28】[MOV K2M0 K2Y0]这个指令中的K2M0和K2Y0是什么,这条指令又是什么意思?
答:K2M0和K2Y0是组合位元件,K2是组合位元件的组数,K2代表两组,而一组是四位位元件,两组也就是8位,所以K2M0就代表M0-M7八个位,K2Y0就代表Y0-Y7八个位。[MOV K2M0 K2Y0]这条指令是将K2M0的二进制数据传送到K2Y0里面,实际上是通过M0-M7的二进制位去控制输出Y0-Y7的状态。
【29】三菱PLC上的ERR灯一直亮红色,这是什么原因?
答:PLC ERR灯亮红色说明有故障,故障有可能是硬件故障,也有可能是程序故障,可以通过编程软件连接上PLC后,打开软件菜单的“诊断”里的“PLC诊断”中确认到底什么故障。
【30】三菱编程软件GX Developer打开工程时提示“工程初始化失败”,要怎么解决?
答:出现“工程初始化失败”的错误提示时,需要先将三菱编程软件卸载干净,再删除注册表,然后再重新安装软件。删除注册表的方法是:
1、点击“开始”按钮;
2、选择“运行”,再输入regedit,点击确定,打开注册表;
3、点击HKEY_LOCAL-MACHINE前面的加号,在打开的文件夹中找到SOFTWARE,点击前面的加号,找到MITSUBISHI,并点击鼠标右键,将该文件夹删除。
如果删除了该文件夹还没用,那么再打开HKEY_CURRENT_UESR里面的SOFTWARE,再找到MITSUBISHI删除。如果删除了注册表还无法解决问题,建议重装系统。
【31】在安装三菱GX Developer软件时点击setup没有任何反应怎么处理?
答:安装三菱GX Developer软件时如果双击setup之后,没有反应,且不会出现该图标,那么可以在360安全卫士里面体检修复一下,加速一下,清理下垃圾,在“任务管理器”的“进程”里将一些占内存的文件结束进程,再重启下电脑。如果操作了以上步骤还是没有反应,建议重装系统。
【32】FXIN-60MR与FX2N-48MR组合可以吗?
答:FX系列的PLC没有“多CPU系统”,不同型号的FX PLC可以通过扩展485通信扩展板,进行N:N网络的连接。详细通信方法和选型接线,建议参考《FX系列微型可编程控制器用户手册(通信篇)》手册。
【33】三菱PLC晶体管输出能带动多大的负载,能直接连接继电器吗,用不用加保护装置?可以直接驱动固态继电器吗?
答:晶体输出的PLC最大带载能力为0.5A左右,固态继电器是可以自己驱动的,继电器看什么继电器,如果是24V这样的中间继电器是可以驱动的。
【34】PLC的输出是不带电源的吗?比如说我要控制个110V继电器。是不是要加个电源?怎么接线?
答:PLC的输出端口仅仅是一个驱动负载的开关,本身是不带电源的,如果要控制个110V继电器,要加个电源。PLC的输出端接到继电器的线圈,继电器还要接到220V交流电源,PLC的COM端也接到220V交流电源。
【35】8进制数35+47的结果用8进制表示是多少?用10进制表示又是多少?
答:8进制数35+47的结果用8进制表示是104,用10进制表示是82。8进制的数字只有 0 - 7,逢 8 进 1,也就是说:8 进制的 10 就是10进制 8,8进制 11 就是10进制 9,以此类推。
【36】FX1s-20m可以扩展模块吗?扩展模块怎么定义输入输出端口号的?比如X13后面是不是X14?
答:三菱FX1s系列PLC只有基本单元,没有扩展I/O的扩展单元和扩展模块。扩展模块后输入输出端口号应该按顺序使用,不能跳跃编号。X13后面不是X14,而是X20。
【37】16位和32位运算怎么理解?
答:数据寄存器是16位参与运算的,因为三菱的每个数据寄存器都是16位,如果想进行32位运算,就必须两个相邻的数据寄存器,比如B0和B1组成32位,而且规定了B0是低16位,是低位,B1是高16位,是高位,它的符号位在高位的最高的位置,B31位叫做符号位,16位在16位寄存器的最高位,也就是B15是符号位,16位就是16位和16位加减乘除,32位就是32位
【38】在调试程序時,怎么利用END指令进行分段调试
答:PLC中的END指令为结束指令,在调试程序时可以将END指令插在各段程序之后,从第一段开始分段调试,调试好以后必须删去程序中间的END指令,这种方法对程序的查错也很有用处。
【39】老师,梯形图的梯级与程序行是什么关系?是不是一行程序就是一个梯级?
答:梯级是梯形图程序的一个逻辑单元,一个梯级能够包含多个行和列,且所有的梯级都具有编号,所以一行程序就是一个梯级的说法是错误的。
【40】SET、RST指令是不是功能指令?
答:SET、RST是属于基本逻辑控制指令,不属于功能指令。基本逻辑指令主要用于开关量的处理,而功能指令则可以用于对数据的处理,包括数据的传送、变换、运算,以及程序流程控制,此外功能指令还能用来处理PLC与外部设备的数据传送和控制。
【41】为什么用三菱编程软件,GX Developer,传送K59926到D0,传送不了,改成K29926就可以传送了,
答:数据寄存器D是字元件,它所存储数据的最大值是K32767,传送K59926到D0,传送不了,是因为K59926大于K32767,已经超出了其最大值,所以是传送不了的,而K29926小于K32767,所以改成K29926就可以传送了。
【42】当把程序保存到电脑中时,“工程名设置”栏应如何填写?
答:当把程序保存到电脑中时,“工程名设置”栏的名称可以自己命名。对于GX Developer,只需要填写工程名即可,而对于GX WORKS2软件,需要填写工作区名和工程名。
【43】为什么我在触点XO处注释了“起动”,结果梯形图上所有XO触点位置处均出现了“起动”,能不能在XO不同的位置进行不同的注释?
答:不能在XO不同的位置进行不同的注释,在触点XO处注释了“起动”,那么X0对应的注释就是“起动”,定义好了后就相当于是唯一的注释了,所以所有XO触点位置处均出现了“起动”。
【44】三菱PLC 中比较指令(LD=)能比较浮点吗
答:不能,指令里有专门浮点数比较的指令。
【45】三菱PLC 的D寄存器可以储存 N B A G字母吗
答:可以,以ASCII码的形式存储。
【46】在编辑PLC程序(写入模式)的时候,在原程序里面修改时,老是自动跳出一行,无法在原程序上修改。非要把原程序删除,再写才行。具体现象打个简单的比方:X0的常开触点输出Y0,我点击Y0,弹出修改菜单,修改为Y1,完了按确定,会自动在下一行并联输出Y0。还有输出其他的功能指令也是一样,这样太麻烦了。请问是哪里的设置问题?
答:因为使用了“插入模式”,如果使用了,在您的键盘上再按一下“Insert”键即可恢复。
【37】为什么我安装完了GX Developer软件在桌面没有图标,仿真软件也没有图标,是不是没有安装成功?
答:GX Developer软件安装完成,快捷图标不会自动出现在桌面的,可以在开始-所有程序-MELSOFT,找到GX Developer,再点击右键,发送到桌面快捷方式,这样桌面就会出现图标了,而仿真软件是没有单独的图标,它是集成在编程软件里面的,软件里面的“梯形图逻辑测试启动”图标即是开启/关闭仿真。
【48】登录关键字忘记了怎么办?
答:若有备份程序,可先执行清除PLC内存后,再重新写入参数和程序即可。
【49】中文版GX-DEVELOPER软元件列表中,有ERR的标志是为什么?
答:由于中文软件,这个不是错误的意思,是源处和目的不成对出现。
【50】请问“MOVK0 K2Y0"的意思是说把Y0--Y7复位,那么为什么”MOV K1 K2Y0“却不是把Y0--Y7置位的呢?而只是单把Y0置位的?
答:指令中的K2Y0是组合位元件,代表的是Y0-Y7,MOV K0 K2Y0指令传送0到K2Y0,实质传送的是二进制数,0的二进制数是B 0000 0000,所以是将Y0-Y7复位,MOV K1 K2Y0指令传送1到K2Y0,1的二进制数是B 0000 0001,所以是对Y0置位为1,而不是把Y0-Y7都置位。
编辑:黄飞