时间:2022-11-12 11:26
人气:
作者:admin
1、起动、自锁和停止控制的与线路
起动、自锁和停止控制是PLC基本的控制功能。起动、自锁和停止控制可采用驱动指令(OUT),也可以采用置位指令(SET、RST)来实现。
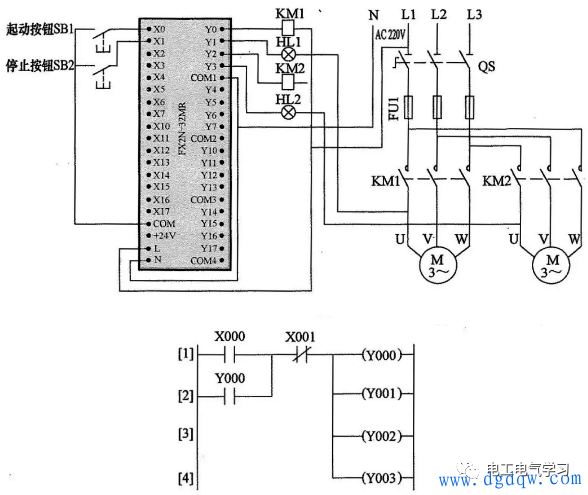
◆ 采用线圈驱动指令实现起动、自锁和停止控制的PLC线路与梯形图
采用线圈驱动指令实现起动、自锁和停止控制的PLC线路与梯形图

图1 采用线圈驱动指令实现起动、自锁和停止控制的PLC线路与梯形图
◆ 采用置位复位指令实现起动、自锁和停止控制的梯形图
图2 采用位置复位指令实现起动、自锁和停止控制的PLC线路与梯形图

其PLC接线图与上图所示线路是一样的。
2、正、反转联锁控制的PLC线路与梯形图
正、反转联锁控制的PLC线路与梯形图

图3 正、反转联锁控制的PLC线路与梯形图
3、多地控制的PLC线路与梯形图
多地控制的PLC线路与梯形图

图4 多地控制的PLC线路与梯形图
单人多地控制如图a、b所示,多人多地控制如图a、c所示。
4、定时控制的PLC线路与梯形图
延时起动定时运行控制的PLC线路与梯形图

延时起动定时运行控制的PLC线路与梯形图
图5 延时起动定时运行控制的PLC线路与梯形图

◆ 多定时器组合控制的PLC线路与梯形图
一种典型的多定时器组合控制的PLC线路与梯形图
图6 一种典型的多定时器组合控制的PLC线路与梯形图

5、定时器与计数器组合延长定时控制的PLC线路与梯形图
三菱FX系列PLC的定时时间为3276.7s(约54min),采用定时器和计数器可以延长定时时间。
6、多重输出控制的PLC线路与梯形图
图8 多重输出控制的PLC线路与梯形图

7、过载报警控制的PLC线路与梯形图
图9 过载报警控制的PLC线路与梯形图

审核编辑:汤梓红
上一篇:变频器常见故障代码及处理实例
下一篇:PLC输出点可靠性设计