时间:2022-11-17 10:10
人气:
作者:admin
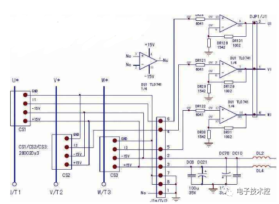
在变频器维修中,有时候会碰到变频器三相电压不平衡的问题,空载时不报警,重载时变频器会有输出缺项报警,造成这种问题如下。
1.IGBT损坏
2.驱动电路损坏
3.驱动电源损坏
4.电流检测损坏,概率低
重点检测驱动电路和IGBT,大多数IGBT损坏,同时驱动电路也相继损坏,也有单独驱动电路损坏案例,在更换IGBT模块后,还应该检测驱动电路及驱动电源,隔离光耦,图腾柱三极管,滤波电解电容及稳压二极管,测试驱动电源是否正常,正常在停止时应该有负电压输出,在更换相应元件后,基本可以解决问题,在测试时发现,三相输出电压输出相差太大,多数为驱动器件老化引起,造成驱动波形不一致,正常也可以使用,但根据变频器负载变化很容易烧坏IGBT模块,会造成返修情况。此时应该给予更换,否则会带来不必要的麻烦。

电流检测电路问题
电流检测异常,还没达到电流报警阈值也会造成此问题,电流检测异常常见霍尔传感器损坏,也应该测试相关运放驱动电路。

都说数字表测试输出电压不准,其实我们不要这个准确值,只是对比三相输出是否对称,普通万用表测试可能测不到输出电压或者电压跳的比较厉害,本人使用福禄克和优利德都可以测到电压,在测试不准时可更改下变频器载频。
审核编辑:汤梓红
上一篇:工业4.0设计之相连的传感器