时间:2022-11-01 14:54
人气:
作者:admin
上一节介绍了ZMC408SCAN控制器的功能、硬件参数与硬件接口的特点等,本节主要介绍激光相关的接口与如何实现激光的控制。
激光控制可采用LASER激光电源接口,或通过EXIO扩展IO接口定制激光器转接板,通过EXIO_DIR指令配置转接板的IO端子是输入口还是输出口,参考激光器的手册,使用IO控制指令控制激光器的能量和开关。
01功能简介
ZMC408SCAN是正运动技术新推出的一款支持EtherCAT总线的开放式激光振镜运动控制器,专为工业激光+振镜+运动控制方面的应用而设计。支持16路运动轴的复杂连续轨迹控制需求,可实现振镜轴+脉冲轴+总线轴的混合插补。

1.ZMC408SCAN的振镜功能
(1)XY2-100的振镜控制协议,刷新周期10us-50us;
(2)两组二轴激光振镜的直线插补、圆弧插补及连续轨迹加工等输出;
(3)简单的振镜工艺参数设置,降低客户的开发难度;
(4)振镜矫正功能、振镜反馈闭环,保证激光加工的精度。
2.ZMC408SCAN的激光控制
(1)1个LASER激光电源控制接口,支持IPG、YLR、YLS等类型激光器;
(2)1个EXIO可配置扩展IO接口,通过转接板可外置扩展YGA、FIBER等其他类型激光器;
(3)0-10V模拟量输出、高速PWM输出可控制激光能量;
(4)可实现PWM输出、模拟量输出与运动速度的同步。
3.ZMC408SCAN的运动控制
(1)8轴EtherCAT总线轴/脉冲轴/振镜轴控制,可混合插补;
(2)多维硬件位置比较输出,位置同步输出PSO功能;
(3)电子凸轮、同步跟随、直线插补、圆弧插补、连续轨迹加工、30+种机械手正逆解算法等;
(4)专用MPG手轮接口,支持 5-24V手轮输入。
02接口说明

控制器的接口说明如下表:
| 标识 | 接口 | 个数 | 说明 |
| RS232 | 232串口 | 1个 | 采用MODBUS_RTU协议 |
| RS485 | 485串口 | 1个 | 采用MODBUS_RTU协议 |
| CAN | CAN总线 | 1个 | 连接CAN扩展模块或控制器 |
| ETHERNET | 网口 | 1个 |
采用MODBUS_TCP协议,通过交换机扩展网口个数,至少包含两路网口通道 默认IP地址192.168.0.11 |
| EtherCAT | 总线口 | 1个 | EtherCAT总线接口,接EtherCAT总线驱动器和扩展模块 |
| E+24V | 主电源 | 1个 | 24V直流电源供电 |
| UDISK | U盘接口 | 1个 | 插入U盘设备 |
| IN | 数字量输入 | 24个 | NPN类型,内部24V供电,输入0-3具有锁存功能 |
| OUT | 数字量输出 | 12个 | NPN类型,内部24V供电,输出0-7具有PWM功能,输出0-7具有精准输出和PSO功能 |
| AD | 模拟量输入 | 2个 | 分辨率12位,0-10V |
| DA | 模拟量输出 | 2个 | 分辨率12位,0-10V |
| Axis | 脉冲轴接口 | 4个 | 每个接口包含差分脉冲输出和差分编码器输入 |
| SCAN | 振镜接口 | 2个 | 激光振镜接口,带反馈,采用XY2-100协议 |
| LASER | 激光控制接口 | 1个 | 激光电源控制端口,支持IPG、YLR、YLS等类型激光电源 |
| MPG | 手轮接口 | 1个 | 5-24V手轮信号输入 |
| EXIO | 扩展IO接口 | 1个 | 灵活定制转接板,可扩展FIBER、YGA等其它类型激光电源控制接口 |
03参考架构
下图为ZMC408SCAN开放式激光控制器的参考架构:

→PC可通过串口和网口连接到控制器,下发指令给控制器处理,编程方式可选择正运动自主研发的ZDevelop开发环境或者常用的上位机开发方式。
→通过RS232、RS485和网口可与外部设备通讯。
→连接扩展的IO模块可使用EtherCAT或CAN总线接口。
→具备标准的激光振镜接口SCAN,激光电源控制接口LASER,同时提供一个EXIO扩展IO接口灵活扩展其他激光器;总线激光器可通过EtherCAT总线控制。
→运动控制可用的设备类型有激光振镜、脉冲伺服/步进驱动、EtherCAT总线驱动。
☉实现激光加工包含运动控制与激光控制两大部分。
ZMC408SCAN运动控制可使用常用的电机驱动设备或者激光振镜实现。
激光控制可通过LASER、支持PWM功能的OUT输出口或者EXIO扩展接口接标准的激光器。
04激光控制
激光器的控制接口可选LASER激光电源接口,或EXIO扩展IO接口通过定制转接板连接激光器。
ZMC408SCAN激光控制的方式有三种、PWM、模拟量和PSO位置同步输出控制自由选择,支持控制激光的能量、激光的开关和激光延时,不同的控制方式要使用支持该功能的输出口,并且使用对应的指令控制激光。
通过MOVE_OP精准输出指令在运动中灵活的调节激光开关/关光,MOVE_DELAY调节延时,响应快,精确到us级别的控制,且设置过程简单,大大缩短了工程师的调参时间;
ZMC408SCAN的激光电源接口LASER内置输出口8控制激光器,输出可配置PWM,控制器的通用输出口OUT0-7支持PWM功能和PSO功能,PWM输出受正常输出功能的控制,只有输出口状态ON的时候PWM才能实际输出,可以用来控制激光能量。
ZMC408SCAN控制器存在模拟量输入输出各两路,可进行控制激光器能量输出,模拟量精度为12位,电压范围0-10V。
1.LASER激光电源接口
(1)接口说明
ZMC408SCAN控制器LASER激光电源接口功能:
A.LASER激光电源接口支持连接IPG、YLR、YLS等类型激光电源;
B.可通过直接控制器发送激光、红光、使能等输出信号进行操作激光器让激光器进行对应响应;
C.DB接口中带有1个PWM输出口;
D.可接收激光器信号,可显示IN信号并作出对应响应。
LASER激光电源接口采用DB25针公头,针脚说明参见下表:

| 针脚号 | 信号 | 操作口 | 说明 |
| 1、4、14 | LAGND | LAGND | 激光模拟信号参考地 |
| 2、3、13 | NC | / | 保留 |
| 5 | Guide Control | OUT32 | 红光控制输出引脚,24V有效 |
| 6 | ACON | OUT33 | 预留输出引脚,24V有效 |
| 7 | LaserRequest | OUT28 | 激光请求输出,24V有效 |
| 8 | Program start | OUT29 | 程序开始输出,24V有效 |
| 9 | ERST | OUT30 | 激光器复位输出,24V有效 |
| 10 | LASER ON | OUT31 | 激光器使能输出,24V有效 |
| 11 | PWM/NC | OUT9 | 预留PWM信号,24V电平 |
| 12 | Modulation- | / | 调制信号- |
| 15 | LASER_AD/NC | AIN(2) | 预留模拟量输入,0-10V,16位分辨率 |
| 16 | LASER_DA/NC | AOUT(2) | 预留模拟量输出,0-10V,16位分辨率 |
| 17 | Error | IN44 | 激光器报警输入,24V有效 |
| 18 | Emission EN | IN45 | 激光发射输入,24V有效 |
| 19 | Pow Active | IN49 | 激光主电源已经启动,24V有效 |
| 20 | Power ON | IN48 | 激光系统上电状态输入,24V有效 |
| 21 | Laser standby | IN47 | 激光器已处于待机状态输入,24V有效 |
| 22 | Ready | IN46 | 激光就绪状态输入,24V有效 |
| 23、25 | EGND | EGND | 各数字输入输出的参考地 |
| 24 | Modulation+ | OUT8 | 调制信号+,支持PWM,24V电平 |
注意:
A.上表的输入输出除PWM和Modulation之外其它信号作用支持自定义;
B.OUT(9)、AOUT(2)和AIN(2)为预留信号,标准型号中没有,如果需要请订货时选择特殊型号。
(2)接线参考
LASER激光电源接口内部电路图和与IPG200W光纤激光器的接线参考如下图所示:


A.LASER激光器接口接线原理如上图所示,数字IO接口除OUT8,OUT9外可自行定义;
B.对于需要模拟量输入的激光器有两种接线选项,对分辨率要求不高的可以选用控制器12位DA接口实现,对于分辨率要求较高的可以选择LASER接口中带16位DA的型号;
C.请使用屏蔽线接线,尤其是环境恶劣的场合,务必使屏蔽层充分接地。
(3)使用说明
A.请按照以上接线说明正确接线;
B.上电后请选用EtherNET、RS232(默认参数可直接连接)、RS485(默认参数可直接连接,硬件需使用转接头)三种任一种接口连接ZDevelop;
C.通过ZDevelop视图栏中输入输出窗口操作监控对应IO点;
D.通过ZDevelop视图栏中AD/DA窗口操作监控对应模拟量输入输出口;
E.通过ZDevelop在线命令发送指令PWM_FREQ(PWM编号)=频率,PWM_DUTY(PWM编号)=占空比。
参考BASIC例程:激光控制参考上节引脚说明。
BASE(4,5) '选择振镜SCAN 0接口,对应轴号4,5 ATYPE = 21,21 '设置轴4,5为振镜轴类型UNITS = 200,200 '设置轴4,5脉冲当量为200个bit为单位DPOS =0,0 '轴位置清零CORNER_MODE = 2,2 '设置振镜轴拐角延时DECEL_ANGLE = 30*PI/180,30*PI/180 '设置轴拐角延时范围STOP_ANGLE = 90*PI/180,90*PI/180 '设置轴拐角延时范围ZSMOOTH = 1000,1000 '设置拐角延时最大延时时间1000usFORCE_SPEED = 100,100 '设置轴4,5 SCAN运动速度 100*200 bit/sMOVESCANABS(0,0) '振镜移动到中心零点位置TRIGGERBase(4,5)Aout(0)=2048 '12位模拟量输出口0设置激光器功率为50%,0-10V对应功率0-100%Op(29,ON) '打开激光器使能IO FORCE_SPEED = 2000 '空移速度MOVESCANABS(50,50) '空移到50,50位置MOVEOP_DELAY =-1.5 '提前1.5ms开光 ,延时开光使用MOVE_DELAYMOVE_PWM(8,0.5,10000) '设置PWM占空比0.5,频率10000KMOVE_OP(8,ON) '出光FORCE_SPEED = 1000 '标刻速度MOVESCANABS(150,150) '移到150,150位置MOVE_DELAY(2.5) '延时关光2.5msMOVE_OP(8,OFF) '关光END
在振镜加工的运动指令应用领域,MOVESCAN与MOVESCANABS指令中,CORNER_MODE = 2此处用于开启振镜轴的拐角延时,ZSMOOTH用于设置拐角延时的最大时间,us单位,DECEL_ANGLE和STOP_ANGLE用于设置拐角延时的起始角度和角度,拐角延时的具体时间在这两个角度之间从0-ZSMOOTH线性分布。
示波器采样运动波形如下:在运动到位置50之前提前1.5ms开光,运动结束延时2.5ms光关。

2.EXIO扩展IO接口
(1)接口说明
ZMC408SCAN控制器上的激光电源控制接口除了定义好的LASER之外,还有个EXIO扩展IO接口可灵活配置,专门用来驱动市面上的主流激光器,EXIO扩展IO接口需要专用的转接板才能使用,该接口不可对接除专用转接板以外的任何负载,转接板可灵活定制。
EXIO扩展IO接口目前可支持扩展标准的YGA、FIBER等激光器类型,通过EXIO扩展接口连接扩展板,转换TTL信号后控制激光器的激光使能、激光开关、激光能量控制等。
硬件接线完成还需使用指令配置EXIO扩展接口,配置连接扩展板的输入/输出信号。

EXIO扩展IO接口采用DB25针母头,引脚的说明如下表,主要包含0-19一共20个IO接口,IO可配置为输入或输出,配置完成IO编号参考右侧对应的输入/输出的编号说明(例如映射为数字输入,参考输入口一栏编号)。

| 接口编号 | 信号名称 | 信号说明 | 映射数字输入 | 映射数字输出 |
| 1 | GND | 内部数字地输出 | / | / |
| 2 | EXIO_0 | 扩展IO0 | 67 | 53 |
| 3 | EXIO_1 | 扩展IO1 | 64 | 50 |
| 4 | EXIO_2 | 扩展IO2 | 59 | 9 |
| 5 | EXIO_3 | 扩展IO3 | 57 | 43 |
| 6 | GND | 内部数字地输出 | / | / |
| 7 | EXIO_4 | 扩展IO4 | 65 | 51 |
| 8 | EXIO_5 | 扩展IO5 | 51 | 37 |
| 9 | EXIO_6 | 扩展IO6 | 53 | 39 |
| 10 | EXIO_7 | 扩展IO7 | 61 | 47 |
| 11 | EXIO_8 | 扩展IO8 | 55 | 41 |
| 12 | EXIO_9 | 扩展IO9 | 58 | 8 |
| 13 | GND | 内部数字地输出 | / | / |
| 14 | EXIO_10 | 扩展IO10 | 66 | 52 |
| 15 | EXIO_11 | 扩展IO11 | 68 | 54 |
| 16 | EXIO_12 | 扩展IO12 | 56 | 42 |
| 17 | EXIO_13 | 扩展IO13 | 60 | 46 |
| 18 | EXIO_14 | 扩展IO14 | 62 | 48 |
| 19 | EXIO_15 | 扩展IO15 | 63 | 49 |
| 20 | EXIO_16 | 扩展IO16 | 50 | 36 |
| 21 | EXIO_17 | 扩展IO17 | 52 | 38 |
| 22 | EXIO_18 | 扩展IO18 | 54 | 40 |
| 23 | EXIO_19 | 扩展IO19 | 69 | 55 |
| 24 | GND | 内部数字地输出 | / | / |
| 25 | +5V | +5V电源输出 | / | / |
注意:
A.EXIO_0-EXIO_19均可配置成输入/输出口,所对应的编号如右边;
B.该接口中的信号不可直接连接负载,需定制转接板进行转换;
C.转接板可灵活定制,可根据需要设计通讯方式。
(2)IO配置方法
EXIO接口经转换板转接之后,参考对应激光器引脚,再通过指令EXIO_DIR进行配置IO输入输出,配置完成即可通过输出口相关指令控制对应的IO口。
EXIO_0-19均可配置成输入/输出口,所对应输入/输出口的编号参见上表,EXIO_DIR配置顺序参考OP或IN的编号。
指令语法:
EXIO_DIR(isel, dirbit)
Isel:0(指定激光器类型)
dirbit: 按位设置是否输出, 0- 输入, 1-输出 (自定义配置转接口对应的信号类型)
示例:
EXIO_DIR(0, $8FFFF) '扩展FIBER转接板IO配置EXIO_DIR(0, $FCBFE) '扩展YAG转接板IO配置(3)EXIO扩展IO接口使用步骤转接板接线参考如下图:

A.选择相应的转接板使用配套专用转接线连接转接板和控制器EXIO接口;
B.上电后请选用EtherNET、RS232、RS485三种任一种接口连接ZDevelop;
C.对控制器EXIO(0-19)号端口进行配置,使转接板所占用数字输入/输出口均得到使能;
D.使用FIBER转接板IO配置指令EXIO_DIR(0,$8FFFF)、YAG转接板IO配置指令EXIO_DIR(0,$FCBFE);
E.自定义所使能的数字IO口,通过二次开发,实现控制器对激光器的功能控制。
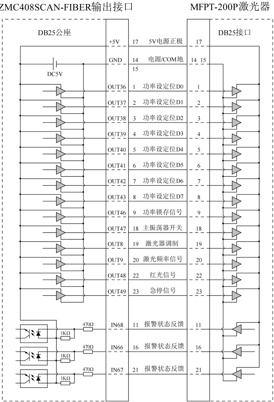
3.FIBER激光器转接板输出接口
(1)接口说明
ZMC408SCAN-FIBER转接板采用DB25公头接口,可控制JPT、MOPA、IPG、YLP、YLPN、创鑫、锐科等激光器。扩展IO配置EXIO_DIR(0,$8FFFF)。

FIBER激光器转接板输出接口说明如下表:
| 针脚号 | 信号 | 说明 | IO控制信号 |
| 1 | D0 | 功率设定位D0 | OUT36 |
| 2 | D1 | 功率设定位D1 | OUT37 |
| 3 | D2 | 功率设定位D2 | OUT38 |
| 4 | D3 | 功率设定位D3 | OUT39 |
| 5 | D4 | 功率设定位D4 | OUT40 |
| 6 | D5 | 功率设定位D5 | OUT41 |
| 7 | D6 | 功率设定位D6 | OUT42 |
| 8 | D7 | 功率设定位D7 | OUT43 |
| 9 | LATCH | 功率锁存信号,上升沿有效。 | OUT46 |
| 10 | NC | 保留 | / |
| 11 | STA2 | 报警状态反馈(输入接口) | IN68 |
| 12 | NC | 保留 | / |
| 13 | NC | 保留 | / |
| 14、15 | GND | 数字参考地 | / |
| 16 | STA0 | 报警状态反馈(输入接口) | IN66 |
| 17 | +5V | +5V输出,100mA左右,不用时悬空 | / |
| 18 | M0 | 主振荡器开关信号 | OUT47 |
| 19 | GATE | 激光器调制信号 | OUT8 |
| 20 | PRR | 激光频率信号 | OUT9 |
| 21 | STA1 | 报警状态反馈(输入接口) | IN67 |
| 22 | RED LIGHT | 红光信号 | OUT48 |
| 23 | EMSTOP | 急停信号 | OUT49 |
| 24、25 | NC | 保留 | / |
(2)接线参考
FIBER激光器转接板内部电路图和与MEPT-200P激光器的接线参考如下图所示:

A.以上为MFPT-200P的接线示例,具体选择对接的引脚也可以此为参考自行定义;
B.建议采用带屏蔽层的接线,并且使屏蔽层充分接地(机壳)。
(3)使用说明
A.请按照以上接线说明正确接线;
B.上电后请选用EtherNET、RS232(默认参数可直接连接)、RS485(默认参数可直接连接,硬件需使用转接头)三种任一种接口连接ZDevelop;
C.通过ZDevelop在线命令发送指令EXIO_DIR(0,$8FFFF);
D.通过ZDevelop视图栏中输入输出窗口操作监控对应IO点;
E.通过ZDevelop视图栏中AD/DA窗口操作监控对应模拟量输入输出口;
F.通过ZDevelop在线命令发送指令 PWM_FREQ(PWM编号) = 频率,PWM_DUTY(PWM编号) = 占空比。
参考BASIC例程:
EXIO_DIR(0,$8FFFF) '设置EXIO扩展类型为FIBER转接板类型BASE(4,5) '选择振镜SCAN 0接口,对应轴号4,5ATYPE = 21,21 '设置轴4,5为振镜轴类型UNITS = 200,200 '设置轴4,5脉冲当量为200个bit为单位DPOS =0,0CORNER_MODE = 2,2 '设置振镜轴拐角延时DECEL_ANGLE = 30*PI/180,30*PI/180STOP_ANGLE = 90*PI/180,90*PI/180ZSMOOTH = 1000,1000 '设置拐角延时最大延时时间1000usFORCE_SPEED = 100,100 '设置轴4,5SCAN运动速度100*200 bit/sMOVESCANABS(0,0) '振镜移动到中心零点位置BASE(4,5)OP(47,ON) '打开激光器使能IOAOUT(3)=$80 '$为16进制,根据激光器手册,设置功率为128,对应50%功率输出,AOUT(3)按位配置针脚1-8的电平状态OP(46,OFF) '触发功率锁存,修改功率OP(46,ON) TRIGGERFORCE_SPEED = 2000 '空移速度MOVESCANABS(50,50) '空移到50,50位置MOVEOP_DELAY =-1.5 '提前1.5mS开光 ,延时开光使用MOVE_DELAYMOVE_PWM(9,0.5,10000) '设置PWM占空比0.5,频率10000KMOVE_OP(8,ON) '出光,PWM生效FORCE_SPEED = 1000 '标刻速度MOVESCANABS(150,150) '移到150,150位置MOVE_DELAY(2.5) '延时关光2.5msMOVE_OP(8,OFF) '关光END
在振镜加工的运动指令应用领域,MOVESCAN与MOVESCANABS指令中,CORNER_MODE = 2此处用于开启振镜轴的拐角延时,ZSMOOTH用于设置拐角延时的最大时间,us单位,DECEL_ANGLE和STOP_ANGLE用于设置拐角延时的起始角度和角度,拐角延时的具体时间在这两个角度之间从0-ZSMOOTH线性分布。
示波器采样运动波形如下:

4.YGA激光器转接板输出接口
(1)接口说明
ZMC408SCAN-YAG转接板采用DB25公头接口,实际IO口控制功能支持自定义功能可控制,下表按UW-YAG类型激光器映射功能。扩展IO功能设置EXIO_DIR(0, $FCBFE)。

YGA激光器转接板输出接口说明如下表:
| 针脚号 | 信号 | 说明 | IO控制信号 |
| 1 | EGND | 外部供电24V负极 | / |
| 2 | SCH 1 | 工作状态1 | OUT8 |
| 3 | SCH 2 | 工作状态2 | OUT41 |
| 4 | SCH 4 | 工作状态4 | OUT47 |
| 5 | SCH 8 | 工作状态8 | OUT39 |
| 6 | SCH 16 | 工作状态16 | OUT37 |
| 7 | EGND | 外部供电24V负极 | / |
| 8 | LD | 红光指示开关 | OUT51 |
| 9 | MAIN-SHUTTER-IN | 主快门 | OUT43 |
| 10 | START | 开光 | OUT9 |
| 11 | SHUTTER1 | 分快门1 | OUT50 |
| 12 | REMOTER-EQUEST | 外控开关 | OUT53 |
| 13 | EGND | 外部供电24V负极 | / |
| 14、15、16 | 预留 | / | / |
| 17 | / | 自定义 | OUT36 |
| 18 | / | 自定义 | OUT49 |
| 19 | / | 自定义 | OUT48 |
| 20 | TROUBLE-OUT | 故障报警 | IN60 |
| 21 | READY | 激光准备好状态 | IN56 |
| 22 | / | 自定义 | IN68 |
| 23 | / | 自定义 | IN66 |
| 24 | EGND | 外部供电24V负极 | / |
| 25 | E24V | 外部供电24V正极 | / |
(2)接线参考
YGA激光器转接板内部电路图和与UW-075激光焊接机的接线参考如下图所示:

A.以上为UW-075的接线示例,具体选择对接的引脚也可以此为参考自行定义;
B.建议采用带屏蔽层的接线,并且使屏蔽层充分接地(机壳)。
(3)使用说明
A.请按照以上接线说明正确接线;
B.上电后请选用EtherNET、RS232(默认参数可直接连接)、RS485(默认参数可直接连接,硬件需使用转接头)三种任一种接口连接ZDevelop;
C.通过ZDevelop在线命令发送指令EXIO_DIR(0,$FCBFE);
D.通过ZDevelop视图栏中输入输出窗口操作监控对应IO点;
E.通过ZDevelop视图栏中AD/DA窗口操作监控对应模拟量输入输出口。
参考BASIC例程:
EXIO_DIR(0,$FCBFE) '设置EXIO扩展类型为YAG转接板类型BASE(4,5) '选择振镜SCAN 0接口,对应轴号4,5ATYPE = 21,21 '设置轴4,5为振镜轴类型UNITS = 200,200 '设置轴4,5脉冲当量为200个bit为单位DPOS =0,0CORNER_MODE = 2,2 '设置振镜轴拐角延时DECEL_ANGLE = 30*PI/180,30*PI/180STOP_ANGLE = 90*PI/180,90*PI/180ZSMOOTH = 1000,1000 '设置拐角延时最大延时时间1000usFORCE_SPEED = 100,100 '设置轴4,5 SCAN运动速度 100*200 bit/sMOVESCANABS(0,0) '振镜移动到中心零点位置TRIGGERBASE(4,5)OP(53,ON) '设置激光器为外控模式OP(8,ON) '选择工作模式1OP(41,OFF)OP(47,OFF)OP(39,OFF)OP(37,OFF)FORCE_SPEED = 2000 '空移速度MOVESCANABS(50,50) '空移到50,50位置MOVEOP_DELAY =-1.5 '提前1.5ms开光 ,延时开光使用MOVE_DELAYMOVE_OP(43,ON) '选择主快门MOVE_OP(9,ON) '出光FORCE_SPEED = 1000 '标刻速度MOVESCANABS(150,150) '移到150,150位置MOVE_DELAY(2.5) '延时关光2.5msMOVE_OP(9,OFF) '关光END
在振镜加工的运动指令应用领域,MOVESCAN与MOVESCANABS指令中,CORNER_MODE = 2此处用于开启振镜轴的拐角延时,ZSMOOTH用于设置拐角延时的最大时间,us单位,DECEL_ANGLE和STOP_ANGLE用于设置拐角延时的起始角度和角度,拐角延时的具体时间在这两个角度之间从0-ZSMOOTH线性分布。
示波器采样运动波形如下:

本次,正运动技术开放式激光振镜运动控制器(二):ZMC408SCAN激光控制方式,就分享到这里。
编辑:黄飞
上一篇:图解PLC编程入门