时间:2022-11-07 10:09
人气:
作者:admin
控制电机的几种控制电路原理图,覆盖了各种电机控制形式。
1 电动机的点动控制

控制过程:
启动:按下起动按钮SB→接触器KM线圈得电→KM主触头闭合→电动机M启动运行。
停止:松开按钮SB→接触器KM线圈失电→KM主触头断开→电动机M失电停转。
这种控制方法常用于电动葫芦的起重电机控制和车床拖板箱快速移动的电机控制。
2 电动机的连续运转控制线路

控制过程:
1、启动
按下启动按钮(SB2)→停止按钮(SB1)(常闭)→线圈(KM)通电→触头(KM)闭合→电机转动
*启动瞬间,由于线圈(KM)得电,其常开辅助接点也闭合(自保持),此时即使松开启动按钮(SB2),回路为:
-→停止按钮(SB1)→自保持接点(KM)→线圈(KM)→也能使线圈(KM)始终处于得电状态,保持电动机的转动
2、停止
按下停止按钮(SB1),常闭接点断开,断开整个控制回路,线圈(KM)失电,其常开主触点断开,电动机停转。
3 电动机的连续与点动混合控制线路

从图可以看出,该线路是在带过载保护的自锁正转控制线路的自锁电路中串接一个手动开关SA而成的。线路工作在点动方式还是连续方式,由手动开关SA来决定。
控制过程:
当手动开关SA断开时,线路工作在点动控制方式的工作过程
按下启动按钮SB1→接触器KM线圈得电→KM主触点闭合→电动机通电运转;松开按钮SB1→KM线圈失电→KM主触点断开→电动机断电停止运转。
当手动开关SA闭合时,线路工作在连续控制方式的工作过程分析如下:
按下启动按钮SB1→接触器KM线圈得电→KM主触点、常开辅助触点均闭合→电动机通电运转;松开按钮SB1→KM线圈依靠SA和已闭合的常开辅助触点供电→KM主触点仍保持闭合→电动机继续运转;按下停止按钮SB2→KM线圈失电→KM主触点、常开辅助触点均断开→电动机断电停止运转。
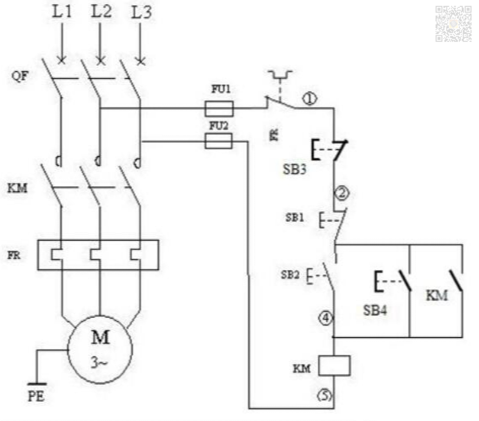
4 电动机的两地控制线路

控制过程:
启动:按下甲乙两地(任意)启动按钮SB2或SB4→KM线圈得电吸合→其常开辅助触头闭合自锁→其主触头闭合接通电动机主回路→电动机M运转。
停止:按下甲乙两地(任意)停止按钮SB1或SB3→KM线圈失电释放→其常开辅助自锁触头断开自锁回路→其主触头释放断开电动机主回路→电动机M停止运转。
5 电动机的按钮互锁正反转控制电路

控制过程:
按钮互锁的正反转控制电路动作原理与接触器互锁的电击正反转控制电路原理基本相似,其控制电路如图所示。
但由于采用了复合按钮,当按下反转按钮SB3时,使接在正转控制电路中的SB2常团触头先断开,正转接触器KM1线圈断电,KM1主触头断开,电动机M断电;接着反转按钮SB2的常开触头鬲合,使反转接触器KM2的线圈获电,KM2主触头闭合,电动机反转。这种既保证了正反转接触器KMI和KM2不会同时接通电源,又可不按停止按钮SB1而直接按反转按钮SB2进行反转启动。
6 电动机的接触器互锁的正反转控制电路

控制过程:
正转控制:按SB2→KM1线圈通电→KM1自锁触头闭合、KM1互锁触头断开、KM1主触头闭合→电动机M运转;
反转控制:先按SB1→KM1线圈断电→KM1自锁触头断开、KM1互锁触头闭合、KM1主触头断开→电动机M断电→按下SB3→KM2线圈通电→KM2自锁触头闭合、KM2互锁触头断开、KM2主触头闭合→电动机M反转。
这种电击正反转控制接线电路的缺点是操作不方便,因为要改变电动机的转向,必须先按停止按钮SB1,再按反转按钮SB3才能使电机反转。
原文标题:整理了几种电动机控制原理图
审核编辑:汤梓红
上一篇:浅谈传感器与PLC与接线
下一篇:PLC本体出现问题如何快速解决