全球最实用的IT互联网信息网站!

AI人工智能P2P分享&下载搜索网页发布信息网站地图

当前位置:诺佳网 > 电子/半导体 > 工业控制 >

三相电机简易缺相保护电路

时间:2021-05-04 16:23

人气:

作者:admin

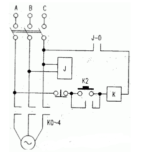
导读:三相电机简易缺相保护电路-台上三相空气开关,中间继电器吸合。按下K2常开按钮,K2自锁,交流接触器K合上如果A相因故障缺相,则K线圈失电,而交流接触器K断开。若B相或C相缺相,则...

工作原理:台上三相空气开关,中间继电器吸合。按下K2常开按钮,K2自锁,交流接触器K合上如果A相因故障缺相,则K线圈失电,而交流接触器K断开。若B相或C相缺相,则中间继电器J和交流接触器K的线圈同日十失电,而J和K同时断开,起双重保护作用。 元件选择 J为中间继电器,K为交流接触器,线圈电压均为380V,交流接触器大小由负载而定。

该电路简单可靠、组件易购、成本低,能有效保护三相用电设备。

pIYBAGB3-GKAR8AuAAAhK0xCQ1w178.png

责任编辑:lq

温馨提示:以上内容整理于网络,仅供参考,如果对您有帮助,留下您的阅读感言吧!
相关阅读
本类排行
相关标签
本类推荐

CPU | 内存 | 硬盘 | 显卡 | 显示器 | 主板 | 电源 | 键鼠 | 网站地图

Copyright © 2025-2035 诺佳网 版权所有 备案号:赣ICP备2025066733号
本站资料均来源互联网收集整理,作品版权归作者所有,如果侵犯了您的版权,请跟我们联系。

关注微信