时间:2021-05-13 17:33
人气:
作者:admin
本应用笔记对转矩控制和速度控制进行了详尽的讨论。在速度控制器中,电动机的速度(或速度)受到控制。有一个可以检测速度的元素,无论是转速表还是某种编码器。该监视元素将反馈提供给速度控制器以增加或减小速度。速度控制器通过增加或减少施加到电动机的电压来控制电动机的速度。在PWM控制器中,通过控制PWM占空比,可以控制比例电压。施加电压后,会有电流流过电机绕组。该电流提供转矩使电动机旋转。该电流不是直接控制的,而是通过施加的电压来控制的。速度控制器可以通过施加正电压或负电压来控制顺时针方向或逆时针方向的速度。这被称为两象限控制器。顺时针方向的顺时针扭矩和逆时针方向的逆时针扭矩。

图1四象限控制图
在由于带宽控制信号高而使速度保持相当恒定或不需要快速更改的系统中,速度控制器就足够了。为了实现一个两象限速度控制放大器,必须了解PWM周期。

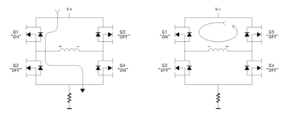
图2两个象限速度控制,一个PWM周期
图2是典型的2象限速度控制的示例。上方的MOSFET开关(Q1或Q3)用作方向控制元件,下方的MOSFET开关(Q2或Q4)进行PWM调制以控制电机绕组中的电压。当Q1和Q4导通时,电流流经Q1,流经电动机绕组,流经Q4,再流经电桥底部的检测电阻返回。当开关Q4断开时,由于电感器中的电流无法瞬时改变,因此电机绕组上的电压将反向。这是由于磁场衰减所致。产生的电流将通过Q3的体二极管“续流”并返回顶部环路。注意,在检测电阻中没有电流流过。在PWM周期的“ OFF”部分,没有电流被检测到。流过的电流不受控制,因为它会在环路中衰减。根据PWM的占空比,电流可能会衰减回零,并保持在那里直到下一个周期。由于仅在PWM周期的一部分内查看电流,因此该方法不适用于四象限转矩控制。
编辑:hfy