时间:2018-08-27 11:30
人气:
作者:admin
12/24V车载和48V板级电网供电的汽车应用及24V至60V供电电源的工业应用
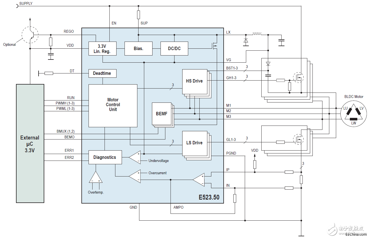
德国elmos公司日前宣布推出一款用于直流无刷(BLDC)电机的72V三相半桥驱动器E523.50,产品应用于12/24V车载和48V板级电网供电的汽车应用及24V至60V供电电源的工业应用,该IC符合AEC-Q100标准0级(150°C)需求。
数字RUN引脚和六个数字输入控制三个全桥门极驱动(三个高端和三个低端门极驱动)。 该IC可配置为六个直接控制输入或三个使能和三个PWM(脉冲宽度调制)输入。 对于后一种配置,死区时间可以自动生成,或使用外部电阻设置。
该器件集成了DC/DC降压转换器,可为11V的门极电压提供100mA的驱动和其他负载驱动。内部3.3V控制单元能够为微控制器提供高达20mA的电流。可以驱动外部高压高功率晶体管以实现更高的负载需要。
其中器件的特性还包括综合诊断和保护功能。两个错误输出显示任何过电流,低电压和过高的温升。QFN的底板金属焊盘封装结构使其具有出色的传热性能,使芯片最高工作结温甚至可以达到极限的170°C。
• B6-NMOS桥的门极驱动电路;
• 供电电压范围12V至72V(低至7V,峰值至76V);
• 内置11V/100mA的 DC/DC转换器;
• 3.3V的微处理器提供高达20mA电流,可通过外部升压晶体管提供更高的负载电流;
• 200mA门极驱动电流,包括保护功能;
• 集成反电动势检测;
• 峰值结温=+150℃;
典型的应用:
