时间:2018-09-11 09:10
人气:
作者:admin
2018年9月11日,致力于亚太地区市场的领先半导体元器件分销商---大联大控股宣布,其旗下友尚推出意法半导体(ST)直流无刷电动机控制芯片解决方案。
大联大友尚代理的ST推出最新的STSPIN低电压电机控制单芯片,以业界最小的3 x 3 mm QFN封装,可以驱动步进、直流和三向无刷马达。更进一步完善了电池驱动的系统,无论在全负载或待机时对低功耗的要求。此外,还提供FOC的算法给采用三分路三相直流无刷电机的物联网应用。

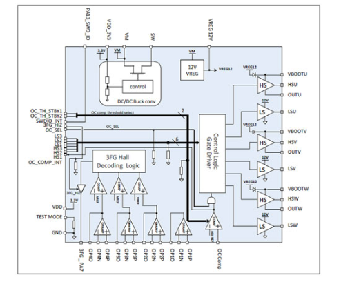
图示1-大联大友尚推出ST直流无刷电动机控制芯片解决方案的系统方案图
大联大友尚代理的ST的STSPIN电机驱动单芯片,特别针对低电压、电池操作的便携式产品而设计。ST拥有电机控制的优秀性能,同时集成了控制逻辑和高效的低RDS(ON)功率级,实现在一个紧凑的封装里。由于STSPIN233的高集成度,并能够采用三分路拓朴和三组独立输入,使得便携式的物联网产品能够采用FOC的吴感应器算法。这种创新将进一步改善现代物联网产品的品质及用户体验,比如智能手机的手持自拍器或保健器材。
这些单芯片可在低至1.8V的电压下操作,适用于一个宽广的电流和温度范围,并能达到一个几乎是零功耗的状态(静态电流可滴到80nA),这样能大大的降低功耗,让电池操作的产品延长电池使用寿命。包含过电流、超温和短路等保护措施,提供产品设计一个完善的方案,尤其在严酷的工业环境使用,可以降低外部零件的数量和设计难度、并节省成本。所有上述的特点都实现在一个微型化的3 x 3 mm QFN封装里,特别适合小型化的便携式产品。
图示2-大联大友尚推出ST直流无刷电动机控制芯片解决方案的照片
功能描述
STM32F031 MCU
核心的32位ARM M0;
48MHz;
32K闪存,4K SRAM;
12位ADC;
I2C / UART / SPI;
On the field FW update。
45V 3 phase gate driver
600mA;
集成升压二极管;
12V线性稳压器;
3.3V DC-DC;
UVLO,OCP,OTP;
4OP-AMP;
1Comparator;
场导向控制。
关于大联大控股:
大联大控股是全球第一,亚太区市场份额领先的半导体元器件分销商,总部位于台北(TSE:3702),旗下拥有世平、品佳、诠鼎及友尚,员工人数约5,100人,代理产品供应商超过250家,全球约71个 IED & 34个 Non-IED分销据点(亚太区IED 43个 & Non-IED 34个),2017年营业额达175.1亿美金。(*市场排名依Gartner公布数据)
大联大控股开创产业控股平台,持续优化前端营销与后勤支持团队,扮演产业供应链专业合作伙伴,提供创造需求(Demand Creation)、交钥匙解决方案(Turnkey Solution)、技术支持、仓储物流与IC电子商务等增值服务,满足原始设备制造商(OEM)、原始设计制造商(ODM)、电子制造服务商(EMS)及中小型企业等不同客户需求。国际化经营规模与本地化销售渠道,长期深耕亚太市场,连年获得专业媒体评选为「亚洲最佳IC分销商」。
为提高大联大的本土化服务质量,满足大中国区服务区域客户的差异化需求,大联大(中国)服务六大领域包括中资(China Based Manufacturers)、台商(Taiwan-Based Manufacturers)、外商(Electronic Manufacturing Service)、日商(Japan-Based Manufacturers)、韩商(Korea-Based Manufacturers)及港商(Hong Kong-Based Manufacturers)客户。大联大除提供客户最佳的交钥匙解决方案(Turnkey Solution),并为满足客户小批量器件采购需求,特别成立专责的小批量服务团队(SQS, Small Quantity Service)。大联大已分别于内地及香港成立大联大商贸、大联大商贸(深圳)及大联大电子(香港),以「产业首选.通路标杆」为企业愿景,全面推行「团队、诚信、专业、效能」之核心价值观,以专业服务,实现供应商、客户与股东互利共赢。