时间:2018-10-06 10:59
人气:
作者:admin
电机星三角启动方式主要的保护是热继电器。若使用热继电器对大型电机作保护,就会使大电线出现断点(即进出热继电器的螺丝接线)问题,容易出现发热点和故障点。
如果不用熔断器和热继电器,而采用电机综合保护器来实现,因为电机综合保护器是穿心式,就可以减少大电线的断点,从而减少发热点和故障点,且价格比两者便宜。
使用电机综合保护器时必须注意控制线路的接线问题。以确保正常运行。
有的电机综合保护器注明:“一定要接上负载才能正常工作,不接负载时处于缺相工作状态。因此,综合保护器是拒绝合闸的,电动机将无法启动”。这说明电机综合保护器内部,是依靠电流互感器,检测三相电流的有无,来判断缺相否。在未接通电源和没有负载时。这个闭点实际上是开点,所以没法合闸。如型号为JD-6-300A的电机综合保护器。接线如上图所示。
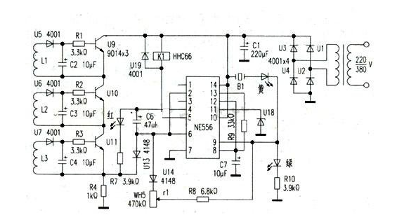
图1电路中,利用按钮的动作,错开了保护器电流检测的开闭点问题。在时间继电器的线包前面串并接了KM01和KM02两个辅助闭点,是为了在启动结束后,关断时间继电器(因为时间继电器继续通电没有意义)。 、JD-6型电机综合保护器的原理如下图所示。具有缺相、过载的反时限特性保护功能。
电路主要由双时基IC芯片NE556与电压电流取样环节组成比较电路、多谐振荡电路、单稳态电路等。
简述如下:
1.缺相保护L1~L3.三个电流互感器取样,经三个三极管U9~U11组成的与门,在电阻R4上获得门限电位。
缺相时,只要其中一个三极管截止,在R4上形成低电位时,红色发光二极管亮,便表示缺相。同时电容C6快速充电,NE556的左边555时基组成比较单元。
NE556的OUT1输出端⑤脚是高电位,继电器K1断开,对外的保护点也断开,从而使接触器回路跳开,电机断电而受到缺相保护。
不缺相时,在R4上形成高电位时,电容C6不能充电,NE556的OUT1输出端⑤脚变成低电位,K1吸合。对外的保护点是闭点,电机具备启动的条件。
2.正常运行电机启动后,在正常运行时,电流互感器的取样电位不会高于时基内部比较电位。多谐振荡电路也变成一个比较电路。NE556的OUT2输出端⑨脚变成高电位,绿色发光二极管常亮,表示运行正常。
3.过载保护过载时,R4上的取样电位高于时基内部比较电位。随着过载量的加重或时间的增长,R4上的取样电位会相对增加。因而,多谐振荡电路频率也会随着增高。对应NE556的OUT2输出端⑨脚电位,高低交替变化(唯一不足的是:这种电机综合保护器的电流取样只有一相),一旦⑨脚电位变低,单稳态电路电容C6开始充电,按照变化的频率充电。当电动机过载电流倍数较大时,对应多谐振荡脉冲中,低电平所占时间相对较长,这时C6充电速度较快;相反,当过载电流倍数较小时,C6充电速度较慢。这使得电动机的过载保护具有反时限特性。达到整定的电流和时间后。
单稳态翻转,NE556的OUT1输出端⑤脚变成高电位,继电器K1断开,即对外的保护点也断开。使接触器回路跳开,电机不能再运转而受到过载保护。
电位器r1对过载保护电流进行整定,电位器r2可对过载保护的反时限特性进行调整。在启动时,电动机的启动电流比正常运行后的过载电流倍数大得多。很容易使单稳态翻转。按正常过载的整定。往往不能兼顾启动(这也是这种保护器的又一缺陷)。
所以,调节好星三角启动方式的切换时间,限制启动电流,才能使电机综合保护器定性的使用好。
过载时,NE556的OUT2输出端⑨脚电位不断地进行高低变化。使接在输出端的峰鸣器B1和黄色过载指示灯开始间歇鸣叫或闪光,可提示电动机过载。


1、按照说明书方法进行位置整定
(1)将代表时间和电流的两个电位器顺时针旋到底。即时间值和电流值最大。
(2)在电机和控制线路均为正常的前提下。启动电动机,待其运转正常后,绿色指示灯亮。这时,将右边电流电位器反时针缓慢减小,直至过载黄色报警灯闪烁。然后,再稍微顺时针增加一点,在1分钟内黄色过流指示灯不闪烁一次的临界状态为止。
(3)将左边时间电位器反时针逐渐减小。大于电机的实际启动时间。
2.大电机的过流整定有条件时可用低电压大电流整定,如下图所示。
T1为1kVA单相调压器,12为500VA、380W36V工作灯变压器。导线在电机综合保护器内缠绕10圈。用钳形电流表卡在变压器T2的36V二次则内。缓慢增加电压。并观察钳形电流表读数。如对应电机为110kW,为250A左右。
从220A到250A的变化中过载黄色指示灯由闪烁变为长亮,达到了过流保护。电机过流倍数整定在额定电流的1.25~1.5倍间,时间整定为反时限特性。即电流大时间就短些,但整个时间长度应大于启动时间。
整个调试过程时间要短,因为变压器、调压器元件是处在安全短路状态的。使用电机综合保护器终归是有些麻烦。所以,有些人就喜欢用热继电。器这种熟悉的形式。作成下图的形式,虽然是热继电器的结构形式。但是“以小代大”的。克服了大热继电器必须使大线“断点”这一缺点。这种方式,是以电流互感器采样电流信号。来表征电机的启动和运行时的电流情况。与电机的大电线是非接触式的。
再通过小热继电器来实现热过载保护功能。还是做到了减少大线的“断点”发热和故障多的问题。
这种方式和电机综合保护器一样,也具备非接触式的特点,而且节能。这里顺带提一句,生产厂家能否把大热继电器改成这种形式呢?如生产厂家把它作成一体化,再把热继电器容量减小到0.1—1A,这样既方便又节能。因为,热继电器中的热双金属片在动作的过程中,具有反时限的功能。
完全正好作电机的过流热保护。

上一篇:相序保护器工作原理的深层解析
下一篇:浅谈H-Bridge电机驱动原理