时间:2018-08-15 14:53
人气:
作者:admin
摘要:目前工业除尘系统自动化集成度越来越高,本项目为小型工业除尘项目,故采用了SMART系列SR20作为控制器。通过以太网实现触摸屏与PLC的通讯,PLC与变频器的通讯采用USS协议。通过触摸屏实现对系统的监控和控制,包括阀门系统和风机变频系统。
由于工业场所会产生大量的废气粉尘,滤筒除尘器作为过滤粉尘的高效净化设备在大气治理项目中应用越来越广泛。除尘系统由以下几部分组成:滤筒除尘器、外置风机、旋风除尘器、管路系统及电控系统。电控系统主要的功能为:风机变频控制、管路风阀控制及压差清灰系统。考虑系统控制简单,因此选用西门子新一代小型自动化产品中的SMART产品作为电控系统的控制器。

图1 系统框图
图1为系统的组成框图,系统由以下几部分组成:旋风除尘器、滤筒除尘器、除尘风机、管路系统、变频控制系统及在线压差反吹系统。工厂生产现场产生的含有粉尘颗粒的空气,经过旋风除尘器和滤筒除尘器两级过滤,从而达到净化效果,净化效率高达99%。除尘风机功率为75kW,选择与之对应的西门子MM430变频器作为其变频调速装置。滤筒除尘器配有在线压差反吹系统,当工作一定时间后,滤筒表面会吸附粉尘,导致压差增大,此时压差反吹清灰系统会根据预设的限值进行自动清灰。
1)总体选型
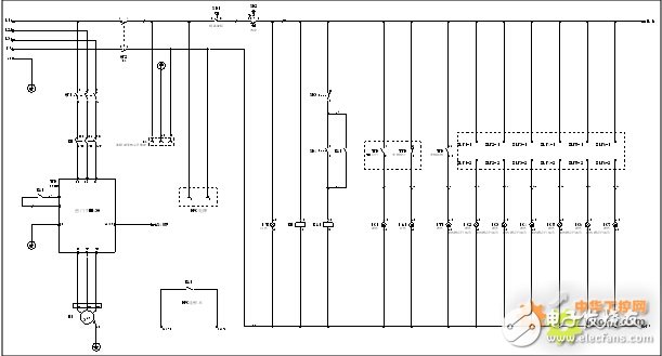
根据客户的实际需求,考虑到系统较简单,并且考虑到成本问题。故选用西门子的小型PLC及SMART LINE 触摸屏作为控制方案。变频器选用西门子风机水泵型专用变频器MM430系列,系统部分原理图见图2及图3。

图2 系统原理图(一)

图3 系统原理图(二)
2)电气元件清单
根据系统设计要求,对电气元件进行了选型,清单见表1.
表1 电气元件清单
3)PLC I/O口说明
表2 端口定义
4)系统通讯
SMART PLC 本体具有两个通讯口,一个以太网和一个串口。PLC与触摸屏的通讯采用以太网方式,PLC与变频器采用西门子专用的USS通讯。为了保证通讯的可靠稳定,通讯接头均采用西门子公司推荐专用接头。
1)程序设计思路
考虑到控制流程较简单,编写程序的程序主要由三部分组成:风阀检测模块、变频器USS通讯模块、时间参数模块。
2)检测18路电动阀门
现场共有18路风阀工作,需要通过PLC检测,并且当有低于11路风阀工作时,系统有报警输出,提示用户开启更多风阀,保证除尘系统稳定工作。图4是检测其中一组风阀,其他17路类似。图5为最后统计开启的风阀数目,并报警。

图4 检测第一路电动风阀

图5 统计总的风阀数目
3)变频器与PLC的USS通讯
变频器与SMART PLC采用西门子专用的USS通讯,可直接在编程软件中调用USS库函数,简单易用,如图6所示。本程序中主要通过USS对变频器写最低频率和最高频率,并且通过触摸屏观察实时的运行频率。图8为通过USS对变频器输入最低频率。
图6 USS库

图7 USS初始化

图8 写变频器最低频率
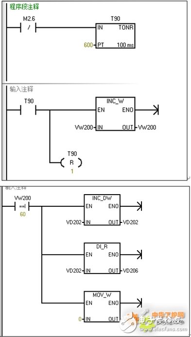
4)系统累计上电时间
如图9所示,该程序段为统计PLC上电的累计工作时间,具有掉电保持功能。

图9 统计系统累计上电时间
5)系统人机界面
人机界面采用西门子SMART LINE 系列精简面板,本项目中采用了7寸面板,带有以太网接口,与SMART PLC通过此接口进行通讯。图11为其子画面之一,监控系统电动风阀的工作状态。
图10开机界面
图11 风阀监控界面
6)控制柜布局及现场工作状态
图12至图15为控制柜现场工作状态及布局。
图12 控制柜面板
图13 设备安装现场
图14 SMART PLC
图15 控制柜内部布局
做为新一代西门子小型自动化领域的S7-200 SMART,能满足小型自动化设计的需求。扩展模块丰富,可根据系统要求而组合搭配。编程方法完全移植S7-200CN系列,对于国内客户使用SMART系列的PLC,能很容易切换到此平台,且编程软件更小型化,对系统资源要求低,编程界面采用目前流行的平铺式菜单,与时俱进。此款PLC另一个亮点是本体集成了以太网接口,无论与触摸屏组态,还是与上位机连接,都非常容易,通讯速度快,无需采用专用的通讯电缆。希望西门子公司能够推出更加丰富的扩展模块,丰富目前的产品线。