时间:2018-08-23 10:28
人气:
作者:admin
引言:
随着全国的城镇化发展,高层建筑是其比较突出的一个特点,并且是越来越高,那么随之而来的一个问题是供水问题,不管是居住楼和办公楼都离不开水。那么如何保持供水压力的恒定、提高供水质量是相当重要的,同时也应保证供水的可靠性与安全性。但随着PLC的发展与应用,这个问题得到了解决,那么下面给大家介绍一下PLC是如何解决的。
1. 本设计由主供水回路、备用供水回路、一个清水池及泵房组成。其中,泵房装有三台泵机,还有多个电动闸阀或电动蝶阀控制各供水回路和水流量。控制系统采用了PLC,为防止系统给变频器反送电,损坏变频器,接触器KM1和KM2、KM3和KM4、KM5和KM6必须进行机械互锁,下图为泵机部分的原理图:

2.系统控制要求
(1)供水压力要求恒定,波动一定要小,在换泵时候尤其要保证好。
(2)3台泵根据压力的设定,采用先开先停。
(3)为了防止一台泵长时间运行,需设定运行时间。到时间时,自动切换到下一台泵,以防止泵长时间不用而锈死。
(4)要具有完善的保护和报警功能。
(5)为了检修和应急要设有手动功能。
(6)具有水池防抽空功能。
3.PLC的选型
根据系统在提高供水质量和节能方面的要求和功能,采用奥越信 200系列 CPU224DPLC与变频器组成的控制系统。
4.PLC的I/O分配
系统占用PLC的4个输入点与9个输出点,下图为I/O分配表

5.电气控制系统原理图
(1)主电路图
下图中,M1、M2、M3为三台电动机,交流接触器KM1--KM6控制三台电动机的运行,KH1、KH2、KH3为电动机M1、M2、M3的热继电器。

(2)PLC(OYES cpu224C)的接线图

(3)控制电路图
电气控制路线如下图所示。图中,SA为手动/自动转换开关;KA为手动/自动中间继电器,打在“1”时为手动,打在“2”时为自动,同时KA吸和。在手动状态,可以通过SB1---SB6控制三台泵的启停。在自动状态时,系统根据PLC的程序,自动控制。HL1---HL8为各种运行的指示灯。中间继电器KA的常开触点接I0.3,控制自动状态时的启动。在自动状态下,三台泵在PLC的控制下能够有序而平稳地切换、运行。KH1、KH2、KH3为三台泵的热继电器的常闭触点,可对电动机进行过流保护。

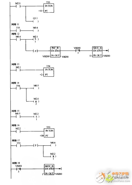
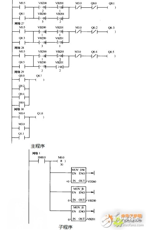
6.系统程序设计




系统程序包括主程序和启动子程序,主程序包括参与调节程序和电动机切换程序;启动子程序实际上是清0程序,在PLC上电时,先将VB200、VB201、VD260赋值为0,作为中继的M复位。
在主程序中,T56、T57为变频器频率上、下限到达滤波时间继电器,主要用于稳定系统。VB200为变频泵的泵号,VB201为工频运行泵的总台数,VD260为倒泵时间存储器。
本设计恒压变频供水设备由PLC、变频器、传感器、低压电气控制柜和水泵等组成,对于这个设计,试用于大部分的高层建筑供水系统,部分要根据现场另行更改。本系统能够在奥越信CPU224C的控制下,稳定的对三台泵进行控制,完全满足所需要的控制要求。未来将有更智能的恒压控制供水系统,这个都建立在PLC控制的基础之上,希望大家能一起交流,让PLC在更多领域为大家解决问题,给大家的生活带来便利。