时间:2018-07-17 11:12
人气:
作者:admin
近年来,伴随着电子电力技术的发展和新型永磁材料的兴起,无刷直流电机也出现在人们的视野当中,它是现代工业设备、科学技术和军事装备中的重要组成部分之一,有很好的发展前景。.
本文章主要讨论无刷直流电机的基本结构、工作原理和工作特性,阐述了电机各个部分之间的关系,作为电磁设计计算和研究分析的基础。
无刷直流电机的基本结构
无刷直流电机的基本组成结构包括电机本体、转子位置传感器和电子换相电路。具体如图所示

电机本体在结构上与永磁同步电机类似,它是无刷直流电机能够实现机电能量转换的核心部分,所以它的设计针对整个系统的可靠运行有着至关重要的作用。位置传感器用来检测转子磁极的位置,它是代替机械换相得关键部件,传感器输出的位置信号经过逻辑单元的处理,会产生相对应的开关信号,接收到开关信号后,驱动控制电路的功率开关元器件相继被触发,这样直流侧的电能转换成了机械能,电机会产生输出转矩,从而实现可靠运行。
电机本体
无刷直流电机本体主要有定子和转子组成
定子
定子是电动机静止不动的部分。它通常由定子铁心,电枢绕组以及机座三个部分组成。为了有效地降低定子铁损,定子的铁心一般采用硅钢片叠压而成。硅钢片冲成带有齿槽的环形冲片,同时会对冲片表面进行移动那个的绝缘处理来降低涡流损耗,为了减小电机的转矩波动和噪音,定子铁心会采用斜槽。定子的槽内可以安放电电枢绕组。槽数的选择需要综合考虑永磁体的极对数和控制电路的相数。
定子的绕组也是电机本体的重要组成部分。接入电源后,电流流入绕组会产生相应的磁势,随后与转子永磁体产生的主磁场相互作用而产生电磁转矩。当无刷直流电机处于负载运行的状态时,会在绕组中产生一定得反电势,整个过程电机消耗了一定得电功率而输出了机械功率,将电能转换为机械能。
转子
转子是电机的转动部分,它能够产生主磁场,通常由永磁体、导磁体和支撑零部件组成。
永磁体和导磁体是产生磁场的核心。铝镍钴、铁氧体是早期使用的第一、二代永磁材料,目前使用较多的是稀土永磁材料。它主要分为稀土钴和钕铁硼,特点是剩磁高、矫顽力高、磁能积高。但是钕铁硼的磁性更好,价格更便宜,所以自从问世以来,在工业和民用的永磁电机中得到广泛的推广。导磁体一般用10号钢或者工业用电工纯铁等。
机械支撑零部件由转轴、轴套和压圈组成。它们起着固定永磁体和导磁体的作用。作为运行可靠、转轴需要耐住一定的强度,所以通常有非导磁性材料,比如圆钢等车磨而成。轴套和压圈通常选用黄钢和铝。
无刷直流电机的转子位置传感器
转子位置传感器是无刷直流电机的一个关键部件。它的作用是测定某一时刻定转子的磁极位置,从而为电子换相电路提供正确的信号。
位置传感器通常也是钉子和转子两个部分组成。转子是用来确定电动机本体磁极的位置,定子的安放是为了检测和输出转子的位置信号。传感器发展至今,形成了很多种类,可以满足人们的不同场合应用。现在将常见的传感器类型介绍如下:
(1)电磁式位置传感器
它的工作原理是基于电磁感应进行传感,使用时电磁传感器件装在定子组件上,当永磁体转子位置发证变化时,传感器由于电磁感应会产生相应的高频调制信号。
电磁式位置传感器的优点是强度较高,可以经受较大的冲击,同时输出信号大,一般不需要经过放大就可以直接驱动开关管,但是它的输出是交流电压信号,需要调整流,同时体积比较笨重,信噪比较低,因而在普通的情况下使用并不广泛
(2)磁敏式位置传感器
它的工作原理就是利用电流的磁效应进行工作,通常的磁敏传感器有霍尔元件,磁敏电阻器或者专用集成电路等。磁敏式传感器的特点是结构简单、体积较小,对性能和环境要求不高的场合应用比较广泛。
(3)光电式位置传感器
它的工作原理是基于光电效应进行传感,使用时光传感器件装在定子组件上,转子上有遮光板,光源为发光二极管或者小灯泡。这样转子旋转时,光敏元件由于遮光板的作用会按一定得频率产生脉冲信号。
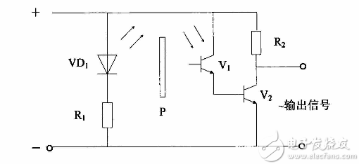
光电式传感器的特点就是输出的为直流信号,不需要进行整流,轻便可靠,但是信号较弱,需要经过放大才能控制开关管。如图所示,即为一个光电式位置传感器的工作原理图,红外发光二级管VD1通过发出红外光,当遮光盘P随电机转子一起旋转时,红外光间断低照在光敏三级管V1上,是其不断导通和截止,其输出信号反映了转子位置,经过放大后驱动逆变器开光V2

除了以上常见的位置传感器外,近年来也出现了无位置传感器。当电机本身体积较小,安装传感器不便时,就可以采用位置传感器技术,但是他的启动转矩不高,适合在小型电机、轻载条件下使用。
电子转相电路
通常,无刷直流电机的电子环相线路由功率开关器件和逻辑控制电路组成。功率开关器件将直流电源的功率以一定的逻辑关系分配给定子的各相绕组,这样的电机会持续不断地产生转矩并输出送出去。控制部分是将通过传感器检测得到的信号换成对应的脉冲信号去驱动功率开关器件,从而实现控制电机定子各相绕组导通时间的功能。
目前,无刷直流电机的主开关一般是用IGBT或者MOS管等全控制器件,有些主电路已经有了集成功率模块和智能功率模块,它们的应用可以使整个系统可靠性大幅度提高。
推荐课程:
张飞软硬开源,基于STM32BLDC直流无刷电机驱动器视频套件
http://t.elecfans.com/topic/42.html?elecfans_trackid=fsy_post
上一篇:PLC的发展方向
下一篇:PLC的发展历史,及未来发展趋势