时间:2018-06-26 17:50
人气:
作者:admin
【PLC接线图】又称为PLC的硬件接线图,就是将PLC的输入、输出端与控制系统中的按钮、开关、指示灯以及其它输入、输出设备连线图画出来。与其它控制电路图一样,只不过PLC作为其中的一器件而已。如下图:

【PLC】就是可编程逻辑控制器,它采用一类可编程的存储器,用于其内部存储程序,执行逻辑运算、顺序控制、定时、计数与算术操作等面向用户的指令,并通过数字或模拟式输入/输出控制各种类型的机械或生产过程。
一、以西门子32路DO为例接线方法如下:
端子1,11,21,31接电源的24V+,2-9,12-19,22-29,32-39,接继电器线圈一端,继电器线圈另一端和端子10,20,30,40,接电源的24V-,这样PLC Q点有输出的时候,对应的输出点动作,也就能驱动继电器动作 。12之间接输出,不过你没看仔细,输出之间还有电源啊,继电器线圈两端一端接Q点,一端接电源的负极,1端子接电源的正极,这个电源一般都是24V的。

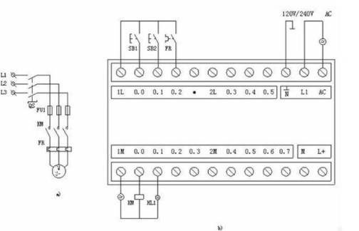
二、以PLC控制电机回路为例讲讲外围控制电路设计
电动机全压起动控制的接触器电气控制逻辑由交流接触器KM线圈、指示灯HL1、热继电器动断触头FR、停止按钮SB2、起动按钮SB1及接触器动合辅助触头KM通过导线连接实现。
合上QS后按下起动按钮SB1,则线圈KM通电并自锁,接通指示灯HL1所在支路的辅助触头KM及主电路中的主触头, HL1亮、电动机M起动;按下停止按钮SB2,则线圈KM断电,指示灯HL1灭,M停转。

电动机全压起动电气控制线路
a)主电路 b)控制线路
采用S7系列plc实现电动机全压起动控制的主电路保持不变,热继电器动断触头FR、停止按钮SB2、起动按钮SB1等作为PLC的输入设备接在PLC的输入接口上,而交流接触器KM线圈、指示灯HL1等作为PLC的输出设备接在PLC的输出接口上。按制逻辑通过执行按照电动机全压控制要求编写并存入程序存储器内的用户程序实现。

下一篇:PLC选型的宝贵建议和方法