时间:2018-05-04 10:04
人气:
作者:admin
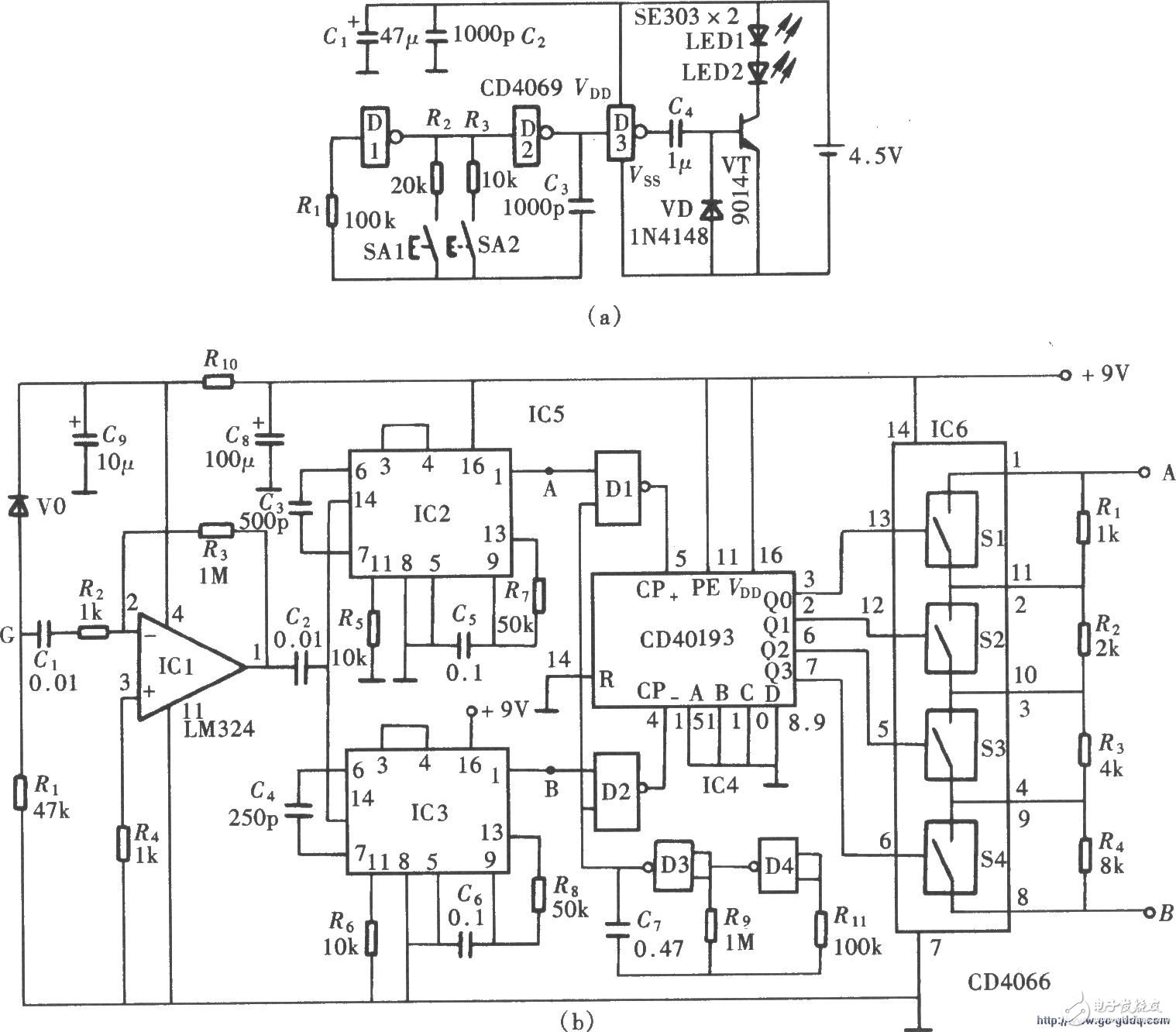
CD4046的工作频率范围是从0~1MHz,在这个频率范围内锁相环都能良好地适应。锁相环电路当用作选频时,它的选频频率主要由6、7脚间外接的电容值和11脚外接电阻值决定,只要选定了这几个元件的参数,锁相环的压控振荡器的中心频率即被确定,锁相环的选频频率也就被确定。利用锁相环的这一特性,可将其应用于遥控接收器的通道选择电路。例如我们将其用于双通道遥控接收器的通道选择电路时,只要按照所选通道的中心频率,选定它的⑥、⑦脚间对应于中心频率的外接电容值即可。该电路的组成如图所示。
(a)为遥控发射电路;(b)为接收电路。
