时间:2018-05-15 14:18
人气:
作者:admin
本文首先介绍了变频器工作原理及作用,几次介绍了逆变器的工作原理及特点,最后阐述了变频器和逆变器的区别是什么,具体的跟随小编一起来了解一下。
变频器(Variable-frequencyDrive,VFD)是应用变频技术与微电子技术,通过改变电机工作电源频率方式来控制交流电动机的电力控制设备。变频器主要由整流(交流变直流)、滤波、逆变(直流变交流)、制动单元、驱动单元、检测单元微处理单元等组成。变频器靠内部IGBT的开断来调整输出电源的电压和频率,根据电机的实际需要来提供其所需要的电源电压,进而达到节能、调速的目的,另外,变频器还有很多的保护功能,如过流、过压、过载保护等等。随着工业自动化程度的不断提高,变频器也得到了非常广泛的应用。
变频是现代电力电子技术领域发展而来的,是我们常用的直流电与交流电之间的变换装置。它还可以改变我们交流电的频率,来控制交流电动机的电力控制设备。变频器主要由整流(交流变直流)、滤波、逆变(直流变交流)、制动单元、驱动单元、检测单元微处理单元等组成。

变频器靠内部IGBT的开断来调整输出电源的电压和频率,根据电机的实际需要来提供其所需要的电源电压,进而达到节能、调速的目的,另外,变频器还有很多的保护功能,如过流、过压、过载保护等等。

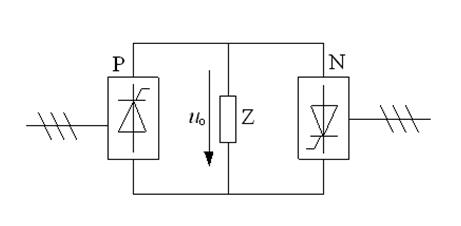
上图为变交流频率的电路,P、N为变流器电路,可以把交流电整定为直流电,并加载到负荷Z,当给P的脉冲信号成正弦规律时,整定出的直流呈正弦的规律,为正弦曲线的上半部分,周期为脉冲信号的正弦规律周期,是交流电周期的整数倍。通过P和N的配合,就形成了在负荷Z上的周期正弦电流,并且频率可以根据脉冲信号周期调节,这就是变频器的工作原理。
一、可调的转矩极限
通过变频调速后,能够设置相应的转矩极限来保护机械不致损坏,从而保证工艺过程的连续性和产品的可靠性。目前的变频技术使得不仅转矩极限可调,甚至转矩的控制精度都能达到3%~5%左右。在工频状态下,电机只能通过检测电流值或热保护来进行控制,而无法像在变频控制一样设置精确的转矩值来动作。
二、受控的停止方式
如同可控的加速一样,在变频调速中,停止方式可以受控,并且有不同的停止方式可以选择(减速停车、自由停车、减速停车+直流制动),同样它能减少对机械部件和电机的冲击,从而使整个系统更加可靠,寿命也会相应增加。
三、节能
变频器节能主要表现在风机、水泵的应用上。为了保证生产的可靠性,各种生产机械在设计配用动力驱动时,都留有一定的富余量。当电机不能在满负荷下运行时,除达到动力驱动要求外,多余的力矩增加了有功功率的消耗,造成电能的浪费。风机、泵类等设备传统的调速方法是通过调节入口或出口的挡板、阀门开度来调节给风量和给水量,其输入功率大,且大量的能源消耗在挡板、阀门的截流过程中。当使用变频调速时,如果流量要求减小,通过降低泵或风机的转速即可满足要求。
四、可逆运行控制
在变频器控制中,要实现可逆运行控制无须额外的可逆控制装置,只需要改变输出电压的相序即可,这样就能降低维护成本和节省安装空间。
五、减少机械传动部件
由于目前矢量控制变频器加上同步电机就能实现高效的转矩输出,从而节省齿轮箱等机械传动部件,最终构成直接变频传动系统。从而就能降低成本和空间,提高稳定性。
逆变器是把直流电能(电池、蓄电瓶)转变成交流电(一般为220V,50Hz正弦波)。它由逆变桥、控制逻辑和滤波电路组成。广泛适用于空调、家庭影院、电动砂轮、电动工具、缝纫机、DVD、VCD、电脑、电视、洗衣机、抽油烟机、冰箱,录像机、按摩器、风扇、照明等。
将交流电变为直流电。然后用电子元件对直流电进行开关。变为交流电。工作过程一般分为整流电路、平波电路、控制电路、逆变电路四大过程。
1、整流电路
整流电路的功能是把交流电源转换成直流电源。整流电路一般都是单独的一块整流模块。
2、平波电路
平波电路在整流器、整流后的直流电压中含有电源6倍频率脉动电压,此外逆变器产生的脉动电流也使直流电压变动,为了抑制电压波动采用电感和电容吸收脉动电压(电流),一般通用变频器电源的直流部分对主电路而言有余量,故省去电感而采用简单电容滤波平波电路。
3、控制电路
现在变频调速器基本系用16位、32位单片机或DSP为控制核心,从而实现全数字化控制。
4、逆变电路
逆变电路同整流电路相反,逆变电路是将直流电压变换为所要频率的交流电压,以所确定的时间使上桥、下桥的功率开关器件导通和关断。从而可以在输出端U、V、W三相上得到相位互差120°电角度的三相交流电压。
1、转换效率高、启动快;
2、安全性能好:产品具备短路、过载、过/欠电压、超温5种保护功能;
3、物理性能良好:产品采用全铝质外壳,散热性能好,表面硬氧化处理,耐摩擦性能好,并可抗一定外力的挤压或碰击;
4、带负载适应性与稳定性强
区别一:
逆变器是一种用来将直流电变成交流电的部件。
变频器是一种用来改变交流电频率的部件。
区别二:
逆变器是把直流电能(电池、蓄电瓶)转变成交流电(一般为220V,50Hz正弦波),频率也可调节;
变频器将输入的交流电转换为所需频率的交流电输出;其原理有“交-直-交”或者“交-交”,“交-直-交”形式比较多见。“交-直-交”先将交流电转换为直流,再将直流转为交流,也就是“整流+逆变”
区别三:
变频器要有调整频率的部分,而逆变器只要有固定的输出频率就可以了。