时间:2018-04-17 11:48
人气:
作者:admin
本例介绍一款4路无线遥控开关,它采用无线遥控发射/接收和无线遥控专用编码/解码集成电路制作,可同时控制4种不同电器或控制同一种电器的不同工作状态。
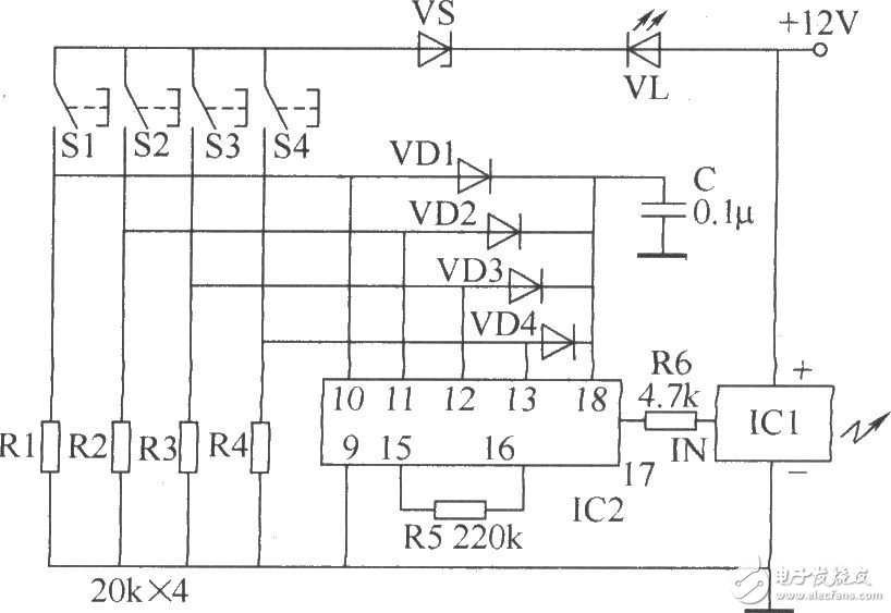
该无线遥控开关电路由无线遥控发射器电路和无线遥控接收控制器电路组成,如图所示。
无线遥控发射器电路由无线遥控发射头ICl、无线遥控编码器和开关控制电路组成。

无线遥控发射器电路
无线遥控接收控制器电路由无线遥控接收头IC3、无线遥控解码器和控制执行电路组成。

无线遥控接收控制器电路
元器件选择
R1~R11选用1/4W碳膜电阻器或金属膜电阻器。
C选用独石电容器或涤纶电容器。
VD1~VD8均选用1N4148型硅开关二极管。
VS选用1/2W、5.6V稳压二极管。
VL选用φ3mm或φ5mm的发光二极管。
V1~V4均选用S8050或C8050型硅NPN晶体管。
IC1选用T630型无线遥控发射头;IC2选用VD5026型无线遥控编码器集成电路;IC3选用T631型无线遥控接收头;IC4选用VD5027型无线遥控解码器集成电路。
K1~K4均选用6V直流继电器,其触头电流容量应视受控电器的功率而定。
S1~s4均选用微型动合(常开)型按钮。
上一篇:6路无线遥控开关电路制作
下一篇:九种方法快速解决PLC故障问题