时间:2018-02-07 18:21
人气:
作者:admin
本文涵盖PLC系统的IO接线图、PLC接线图、变频器接线图、PLC外部接线图、三菱PLC接线图等图解。
PLC系统的IO接线图

PLC接线图

变频器接线图

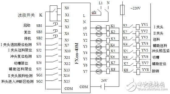
PLC的IO分配及接线

变频器接线图

PLC外部接线图

三菱PLC接线图

西门子变频器接线图

变频器接线图

PLC与变频器接线图

变频器接线图

上一篇:电机该如何检查接线 ?
下一篇:PLC在控制系统中的重要性