时间:2017-12-12 10:01
人气:
作者:admin
摘要:离子渗氮工艺对炉体内压强的控制要求比较高,本文设计了一种基于L298N芯片驱动直流电动机控制的气体流量控制器,可用于控制反应炉的抽气气体流量,提高了炉体压强控制精度,降低了生产成本。
离子渗氮是在低温等离子中进行的,低气压气体在电场作用下使之电离,产生高能离子和高能中性原子,这些高能粒子可以改善渗层组织结构和促进化学反应过程,加速渗氮层的形成。离子渗氮是在辉光放电中进行,在离子渗氮过程中对炉体的压强控制精度要求比较高,控制偏差几十帕。根据帕邢定律:

其中:P为气体压强;
d为平行板电极间距离;
V为阴极二次电子发射系数;
B为斯托列夫常数;
A是常数。
对式(1)求导,可得出击穿电压表达式(2):

由式(2)可知,击穿电压V与气体压强和d有关,而一般实验中d是固定不变,因此离子渗氮对压强控制极为重要。
流量计控制进气口的气体流量,当进气和抽气流量平衡时,炉体压强保持稳定。由于炉体气体泄露及其他干扰因素的影响,炉体压强上下波动,系统偏离平衡态,严重时影响等离子工艺处理。我们采用普通直流电动机,通过L298N驱动直流电动机,由电动机通过减速杆带动锥体转动。当锥体旋进时,抽气机单位时间内抽出气体减少;旋出时,抽出气体增多,从而使炉体内的压强稳定在所需的值。炉体压强的变化通过压强传感器测出并通过变送器,将气体流量控制器送至反馈电压。抽气口采用电动真空蝶阀价格昂贵,如图1所示。

图1系统流量与压强测控框图

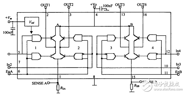
图2L298N内部功能模块
上一篇:十个临时用电的安全管理措施分享